交叉光导天线阵列的研究与优化:全波仿真与解析建模相结合

IF 4 3区 工程技术 Q2 ENGINEERING, ELECTRICAL & ELECTRONIC
H. Zeraoula, D. Benyahia, M. Lazoul, C. Slimani
{"title":"交叉光导天线阵列的研究与优化:全波仿真与解析建模相结合","authors":"H. Zeraoula,&nbsp;D. Benyahia,&nbsp;M. Lazoul,&nbsp;C. Slimani","doi":"10.1007/s11082-025-08506-4","DOIUrl":null,"url":null,"abstract":"<div><p>Interdigitated photoconductive antennas (IPCAs) have emerged as advantageous structures for terahertz (THz) radiations. While equivalent circuit models (ECM) are widely used for performances analysis, existing models often overlook critical physical parameters such as displacement current and antenna reactance, and often assume frequency-independent impedance. In this work, we propose a comprehensive and physically consistent modeling approach that considers complex frequency-dependent antenna impedance through full-wave simulation, and involves the displacement current. These inclusions yield a second-order differential equation with complex solutions for the gap voltage. The developed model is validated through simulations under various impedance cases, providing insight into the IPCAs physical behavior. We also demonstrate the evaluation of key antenna parameters such as THz power and conversion efficiency as functions of laser power and operating frequency, offering a more accurate optimization framework tailored to specific THz applications. Finally, a comparative analysis between the proposed and traditional models is carried out on a designed IPCA with 20 fingers, revealing considerable discrepancies, especially for the frequencies where the antenna impedance is predominantly reactive, and the results illustrate an over estimation of the radiated mean power, and the optical-to-THz conversion efficiency by more than 3 mW, and 0.1% respectively, corresponding to a ratio of 3.5, and 4.3 to the estimated values based on the proposed model, which justifies the need for the enhanced model presented in this study.</p></div>","PeriodicalId":720,"journal":{"name":"Optical and Quantum Electronics","volume":"57 11","pages":""},"PeriodicalIF":4.0000,"publicationDate":"2025-10-18","publicationTypes":"Journal Article","fieldsOfStudy":null,"isOpenAccess":false,"openAccessPdf":"","citationCount":"0","resultStr":"{\"title\":\"Advanced investigation and optimization of interdigitated photoconductive antennas array: full-wave simulation combined with analytical modeling approach\",\"authors\":\"H. Zeraoula,&nbsp;D. Benyahia,&nbsp;M. Lazoul,&nbsp;C. Slimani\",\"doi\":\"10.1007/s11082-025-08506-4\",\"DOIUrl\":null,\"url\":null,\"abstract\":\"<div><p>Interdigitated photoconductive antennas (IPCAs) have emerged as advantageous structures for terahertz (THz) radiations. While equivalent circuit models (ECM) are widely used for performances analysis, existing models often overlook critical physical parameters such as displacement current and antenna reactance, and often assume frequency-independent impedance. In this work, we propose a comprehensive and physically consistent modeling approach that considers complex frequency-dependent antenna impedance through full-wave simulation, and involves the displacement current. These inclusions yield a second-order differential equation with complex solutions for the gap voltage. The developed model is validated through simulations under various impedance cases, providing insight into the IPCAs physical behavior. We also demonstrate the evaluation of key antenna parameters such as THz power and conversion efficiency as functions of laser power and operating frequency, offering a more accurate optimization framework tailored to specific THz applications. Finally, a comparative analysis between the proposed and traditional models is carried out on a designed IPCA with 20 fingers, revealing considerable discrepancies, especially for the frequencies where the antenna impedance is predominantly reactive, and the results illustrate an over estimation of the radiated mean power, and the optical-to-THz conversion efficiency by more than 3 mW, and 0.1% respectively, corresponding to a ratio of 3.5, and 4.3 to the estimated values based on the proposed model, which justifies the need for the enhanced model presented in this study.</p></div>\",\"PeriodicalId\":720,\"journal\":{\"name\":\"Optical and Quantum Electronics\",\"volume\":\"57 11\",\"pages\":\"\"},\"PeriodicalIF\":4.0000,\"publicationDate\":\"2025-10-18\",\"publicationTypes\":\"Journal Article\",\"fieldsOfStudy\":null,\"isOpenAccess\":false,\"openAccessPdf\":\"\",\"citationCount\":\"0\",\"resultStr\":null,\"platform\":\"Semanticscholar\",\"paperid\":null,\"PeriodicalName\":\"Optical and Quantum Electronics\",\"FirstCategoryId\":\"5\",\"ListUrlMain\":\"https://link.springer.com/article/10.1007/s11082-025-08506-4\",\"RegionNum\":3,\"RegionCategory\":\"工程技术\",\"ArticlePicture\":[],\"TitleCN\":null,\"AbstractTextCN\":null,\"PMCID\":null,\"EPubDate\":\"\",\"PubModel\":\"\",\"JCR\":\"Q2\",\"JCRName\":\"ENGINEERING, ELECTRICAL & ELECTRONIC\",\"Score\":null,\"Total\":0}","platform":"Semanticscholar","paperid":null,"PeriodicalName":"Optical and Quantum Electronics","FirstCategoryId":"5","ListUrlMain":"https://link.springer.com/article/10.1007/s11082-025-08506-4","RegionNum":3,"RegionCategory":"工程技术","ArticlePicture":[],"TitleCN":null,"AbstractTextCN":null,"PMCID":null,"EPubDate":"","PubModel":"","JCR":"Q2","JCRName":"ENGINEERING, ELECTRICAL & ELECTRONIC","Score":null,"Total":0}
引用次数: 0

摘要

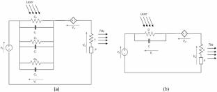
交叉指状光导天线(IPCAs)已成为太赫兹(THz)辐射的有利结构。虽然等效电路模型(ECM)被广泛用于性能分析,但现有模型往往忽略了位移电流和天线电抗等关键物理参数,并且通常假设阻抗与频率无关。在这项工作中,我们提出了一种全面和物理一致的建模方法,该方法通过全波仿真考虑了复杂的频率相关天线阻抗,并涉及位移电流。这些内含物产生一个二阶微分方程,该方程具有间隙电压的复数解。通过各种阻抗情况下的仿真验证了所开发的模型,从而深入了解了IPCAs的物理行为。我们还演示了关键天线参数的评估,如太赫兹功率和转换效率作为激光功率和工作频率的函数,为特定太赫兹应用提供了更准确的优化框架。最后,在设计的20指IPCA上进行了与传统模型的比较分析,发现了相当大的差异,特别是在天线阻抗主要为无功的频率上,结果表明辐射平均功率和光-太赫兹转换效率分别超过3 mW和0.1%,对应于3.5的比值。4.3为基于所提出模型的估计值,这证明了本研究提出的增强模型的必要性。
本文章由计算机程序翻译,如有差异,请以英文原文为准。

Advanced investigation and optimization of interdigitated photoconductive antennas array: full-wave simulation combined with analytical modeling approach

Advanced investigation and optimization of interdigitated photoconductive antennas array: full-wave simulation combined with analytical modeling approach

Interdigitated photoconductive antennas (IPCAs) have emerged as advantageous structures for terahertz (THz) radiations. While equivalent circuit models (ECM) are widely used for performances analysis, existing models often overlook critical physical parameters such as displacement current and antenna reactance, and often assume frequency-independent impedance. In this work, we propose a comprehensive and physically consistent modeling approach that considers complex frequency-dependent antenna impedance through full-wave simulation, and involves the displacement current. These inclusions yield a second-order differential equation with complex solutions for the gap voltage. The developed model is validated through simulations under various impedance cases, providing insight into the IPCAs physical behavior. We also demonstrate the evaluation of key antenna parameters such as THz power and conversion efficiency as functions of laser power and operating frequency, offering a more accurate optimization framework tailored to specific THz applications. Finally, a comparative analysis between the proposed and traditional models is carried out on a designed IPCA with 20 fingers, revealing considerable discrepancies, especially for the frequencies where the antenna impedance is predominantly reactive, and the results illustrate an over estimation of the radiated mean power, and the optical-to-THz conversion efficiency by more than 3 mW, and 0.1% respectively, corresponding to a ratio of 3.5, and 4.3 to the estimated values based on the proposed model, which justifies the need for the enhanced model presented in this study.

求助全文
通过发布文献求助,成功后即可免费获取论文全文。 去求助
来源期刊
Optical and Quantum Electronics
Optical and Quantum Electronics 工程技术-工程:电子与电气
CiteScore
4.60
自引率
20.00%
发文量
810
审稿时长
3.8 months
期刊介绍: Optical and Quantum Electronics provides an international forum for the publication of original research papers, tutorial reviews and letters in such fields as optical physics, optical engineering and optoelectronics. Special issues are published on topics of current interest. Optical and Quantum Electronics is published monthly. It is concerned with the technology and physics of optical systems, components and devices, i.e., with topics such as: optical fibres; semiconductor lasers and LEDs; light detection and imaging devices; nanophotonics; photonic integration and optoelectronic integrated circuits; silicon photonics; displays; optical communications from devices to systems; materials for photonics (e.g. semiconductors, glasses, graphene); the physics and simulation of optical devices and systems; nanotechnologies in photonics (including engineered nano-structures such as photonic crystals, sub-wavelength photonic structures, metamaterials, and plasmonics); advanced quantum and optoelectronic applications (e.g. quantum computing, memory and communications, quantum sensing and quantum dots); photonic sensors and bio-sensors; Terahertz phenomena; non-linear optics and ultrafast phenomena; green photonics.
×
引用
GB/T 7714-2015
复制
MLA
复制
APA
复制
导出至
BibTeX EndNote RefMan NoteFirst NoteExpress
×
提示
您的信息不完整,为了账户安全,请先补充。
现在去补充
×
提示
您因"违规操作"
具体请查看互助需知
我知道了
×
提示
确定
请完成安全验证×
copy
已复制链接
快去分享给好友吧!
我知道了
右上角分享
点击右上角分享
0
联系我们:info@booksci.cn Book学术提供免费学术资源搜索服务,方便国内外学者检索中英文文献。致力于提供最便捷和优质的服务体验。 Copyright © 2023 布克学术 All rights reserved.
京ICP备2023020795号-1
ghs 京公网安备 11010802042870号
Book学术文献互助
Book学术文献互助群
群 号:604180095
Book学术官方微信