活性炭微波加热特性的模拟

IF 5.8 3区 材料科学 Q2 CHEMISTRY, MULTIDISCIPLINARY
Yulei Qiao, Hang Chen, Sihan Liu, Anqi Xia, Yeshun Tian, Changliang Wu, Xiuzhi Zhang, Shuxia Feng, Xiao Xia, Liqiang Zhang, Guangbin Duan
{"title":"活性炭微波加热特性的模拟","authors":"Yulei Qiao,&nbsp;Hang Chen,&nbsp;Sihan Liu,&nbsp;Anqi Xia,&nbsp;Yeshun Tian,&nbsp;Changliang Wu,&nbsp;Xiuzhi Zhang,&nbsp;Shuxia Feng,&nbsp;Xiao Xia,&nbsp;Liqiang Zhang,&nbsp;Guangbin Duan","doi":"10.1007/s42823-025-00928-0","DOIUrl":null,"url":null,"abstract":"<div><p>To explore the heating characteristics of activated carbon in a microwave field, the effects of microwave irradiation power, the radius and physical properties of activated carbon, and a symmetrical waveguide on the heating characteristics of activated carbon in a microwave field were studied by experiments and simulation. This study distinguishes itself from previous works by focusing on high-power microwave heating (up to 800 W) and providing a comprehensive analysis of key parameters such as radius, thermal conductivity, magnetic conductivity, and dielectric constant. Additionally, the use of symmetrical waveguides and their impact on heating efficiency represents a novel contribution to the field of microwave-assisted flue gas desulfurization. According to the results, with the increase in microwave irradiation power, the heating rate of activated carbon in the microwave field increases, and the final temperature also rises. Waveguides significantly influence the heating characteristics of activated carbon. When multiple waveguides act on the same microwave field, electromagnetic waves interfere with each other and affect the distribution and intensity of the electromagnetic field. With an increase in the imaginary part of the relative permittivity, the real part of the relative magnetic permeability, and the thermal conductivity of the heated material, the heating characteristics of activated carbon in the microwave field are improved. This study provides a theoretical model for the heating characteristics and temperature distribution of activated carbon in a microwave field under high irradiation power.</p></div>","PeriodicalId":506,"journal":{"name":"Carbon Letters","volume":"35 5","pages":"2335 - 2348"},"PeriodicalIF":5.8000,"publicationDate":"2025-06-30","publicationTypes":"Journal Article","fieldsOfStudy":null,"isOpenAccess":false,"openAccessPdf":"","citationCount":"0","resultStr":"{\"title\":\"Simulation of microwave heating characteristics of activated carbon\",\"authors\":\"Yulei Qiao,&nbsp;Hang Chen,&nbsp;Sihan Liu,&nbsp;Anqi Xia,&nbsp;Yeshun Tian,&nbsp;Changliang Wu,&nbsp;Xiuzhi Zhang,&nbsp;Shuxia Feng,&nbsp;Xiao Xia,&nbsp;Liqiang Zhang,&nbsp;Guangbin Duan\",\"doi\":\"10.1007/s42823-025-00928-0\",\"DOIUrl\":null,\"url\":null,\"abstract\":\"<div><p>To explore the heating characteristics of activated carbon in a microwave field, the effects of microwave irradiation power, the radius and physical properties of activated carbon, and a symmetrical waveguide on the heating characteristics of activated carbon in a microwave field were studied by experiments and simulation. This study distinguishes itself from previous works by focusing on high-power microwave heating (up to 800 W) and providing a comprehensive analysis of key parameters such as radius, thermal conductivity, magnetic conductivity, and dielectric constant. Additionally, the use of symmetrical waveguides and their impact on heating efficiency represents a novel contribution to the field of microwave-assisted flue gas desulfurization. According to the results, with the increase in microwave irradiation power, the heating rate of activated carbon in the microwave field increases, and the final temperature also rises. Waveguides significantly influence the heating characteristics of activated carbon. When multiple waveguides act on the same microwave field, electromagnetic waves interfere with each other and affect the distribution and intensity of the electromagnetic field. With an increase in the imaginary part of the relative permittivity, the real part of the relative magnetic permeability, and the thermal conductivity of the heated material, the heating characteristics of activated carbon in the microwave field are improved. This study provides a theoretical model for the heating characteristics and temperature distribution of activated carbon in a microwave field under high irradiation power.</p></div>\",\"PeriodicalId\":506,\"journal\":{\"name\":\"Carbon Letters\",\"volume\":\"35 5\",\"pages\":\"2335 - 2348\"},\"PeriodicalIF\":5.8000,\"publicationDate\":\"2025-06-30\",\"publicationTypes\":\"Journal Article\",\"fieldsOfStudy\":null,\"isOpenAccess\":false,\"openAccessPdf\":\"\",\"citationCount\":\"0\",\"resultStr\":null,\"platform\":\"Semanticscholar\",\"paperid\":null,\"PeriodicalName\":\"Carbon Letters\",\"FirstCategoryId\":\"88\",\"ListUrlMain\":\"https://link.springer.com/article/10.1007/s42823-025-00928-0\",\"RegionNum\":3,\"RegionCategory\":\"材料科学\",\"ArticlePicture\":[],\"TitleCN\":null,\"AbstractTextCN\":null,\"PMCID\":null,\"EPubDate\":\"\",\"PubModel\":\"\",\"JCR\":\"Q2\",\"JCRName\":\"CHEMISTRY, MULTIDISCIPLINARY\",\"Score\":null,\"Total\":0}","platform":"Semanticscholar","paperid":null,"PeriodicalName":"Carbon Letters","FirstCategoryId":"88","ListUrlMain":"https://link.springer.com/article/10.1007/s42823-025-00928-0","RegionNum":3,"RegionCategory":"材料科学","ArticlePicture":[],"TitleCN":null,"AbstractTextCN":null,"PMCID":null,"EPubDate":"","PubModel":"","JCR":"Q2","JCRName":"CHEMISTRY, MULTIDISCIPLINARY","Score":null,"Total":0}
引用次数: 0

摘要

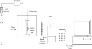
为了探究活性炭在微波场中的加热特性,通过实验和模拟研究了微波辐照功率、活性炭的半径和物理性质以及对称波导对活性炭在微波场中的加热特性的影响。与以往的研究不同,本研究的重点是高功率微波加热(高达800w),并提供了半径、导热系数、导电性和介电常数等关键参数的综合分析。此外,对称波导的使用及其对加热效率的影响为微波辅助烟气脱硫领域做出了新的贡献。结果表明,随着微波辐照功率的增大,活性炭在微波场中的升温速率增大,最终温度也随之升高。波导对活性炭的加热特性有显著影响。当多个波导作用于同一个微波场时,电磁波相互干扰,影响电磁场的分布和强度。随着被加热材料相对介电常数的虚部、相对磁导率的实部和导热系数的增大,活性炭在微波场中的加热特性得到改善。本研究为高辐照功率微波场下活性炭的加热特性和温度分布提供了理论模型。
本文章由计算机程序翻译,如有差异,请以英文原文为准。

Simulation of microwave heating characteristics of activated carbon

Simulation of microwave heating characteristics of activated carbon

To explore the heating characteristics of activated carbon in a microwave field, the effects of microwave irradiation power, the radius and physical properties of activated carbon, and a symmetrical waveguide on the heating characteristics of activated carbon in a microwave field were studied by experiments and simulation. This study distinguishes itself from previous works by focusing on high-power microwave heating (up to 800 W) and providing a comprehensive analysis of key parameters such as radius, thermal conductivity, magnetic conductivity, and dielectric constant. Additionally, the use of symmetrical waveguides and their impact on heating efficiency represents a novel contribution to the field of microwave-assisted flue gas desulfurization. According to the results, with the increase in microwave irradiation power, the heating rate of activated carbon in the microwave field increases, and the final temperature also rises. Waveguides significantly influence the heating characteristics of activated carbon. When multiple waveguides act on the same microwave field, electromagnetic waves interfere with each other and affect the distribution and intensity of the electromagnetic field. With an increase in the imaginary part of the relative permittivity, the real part of the relative magnetic permeability, and the thermal conductivity of the heated material, the heating characteristics of activated carbon in the microwave field are improved. This study provides a theoretical model for the heating characteristics and temperature distribution of activated carbon in a microwave field under high irradiation power.

求助全文
通过发布文献求助,成功后即可免费获取论文全文。 去求助
来源期刊
Carbon Letters
Carbon Letters CHEMISTRY, MULTIDISCIPLINARY-MATERIALS SCIENCE, MULTIDISCIPLINARY
CiteScore
7.30
自引率
20.00%
发文量
118
期刊介绍: Carbon Letters aims to be a comprehensive journal with complete coverage of carbon materials and carbon-rich molecules. These materials range from, but are not limited to, diamond and graphite through chars, semicokes, mesophase substances, carbon fibers, carbon nanotubes, graphenes, carbon blacks, activated carbons, pyrolytic carbons, glass-like carbons, etc. Papers on the secondary production of new carbon and composite materials from the above mentioned various carbons are within the scope of the journal. Papers on organic substances, including coals, will be considered only if the research has close relation to the resulting carbon materials. Carbon Letters also seeks to keep abreast of new developments in their specialist fields and to unite in finding alternative energy solutions to current issues such as the greenhouse effect and the depletion of the ozone layer. The renewable energy basics, energy storage and conversion, solar energy, wind energy, water energy, nuclear energy, biomass energy, hydrogen production technology, and other clean energy technologies are also within the scope of the journal. Carbon Letters invites original reports of fundamental research in all branches of the theory and practice of carbon science and technology.
×
引用
GB/T 7714-2015
复制
MLA
复制
APA
复制
导出至
BibTeX EndNote RefMan NoteFirst NoteExpress
×
提示
您的信息不完整,为了账户安全,请先补充。
现在去补充
×
提示
您因"违规操作"
具体请查看互助需知
我知道了
×
提示
确定
请完成安全验证×
copy
已复制链接
快去分享给好友吧!
我知道了
右上角分享
点击右上角分享
0
联系我们:info@booksci.cn Book学术提供免费学术资源搜索服务,方便国内外学者检索中英文文献。致力于提供最便捷和优质的服务体验。 Copyright © 2023 布克学术 All rights reserved.
京ICP备2023020795号-1
ghs 京公网安备 11010802042870号
Book学术文献互助
Book学术文献互助群
群 号:604180095
Book学术官方微信