不对称薄板轧制中防止辊滑的控制方法

IF 0.8 4区 材料科学 Q4 METALLURGY & METALLURGICAL ENGINEERING
Aleksandr V. Kozhevnikov, Anton V. Samoilov
{"title":"不对称薄板轧制中防止辊滑的控制方法","authors":"Aleksandr V. Kozhevnikov,&nbsp;Anton V. Samoilov","doi":"10.1007/s11015-025-01977-6","DOIUrl":null,"url":null,"abstract":"<div><p>One of the risks in asymmetric sheet rolling is roll slippage relative to the strip, which may cause significant process disruptions. This paper presents analytical methods for assessing and preventing roll slippage, which rely on deformation zone analysis and on the control of the process parameters during the asymmetric rolling of steel strips. An analytical expression is derived that defines the onset condition for slippage as a function of the geometric and load parameters of the deformation zone. A condition for eliminating slippage by adjusting interstand tensions is also formulated. The proposed methods were validated on a continuous cold-rolling mill with asymmetric work rolls.</p></div>","PeriodicalId":702,"journal":{"name":"Metallurgist","volume":"69 4","pages":"592 - 598"},"PeriodicalIF":0.8000,"publicationDate":"2025-07-14","publicationTypes":"Journal Article","fieldsOfStudy":null,"isOpenAccess":false,"openAccessPdf":"","citationCount":"0","resultStr":"{\"title\":\"Control methods for preventing roll slippage in asymmetric sheet rolling\",\"authors\":\"Aleksandr V. Kozhevnikov,&nbsp;Anton V. Samoilov\",\"doi\":\"10.1007/s11015-025-01977-6\",\"DOIUrl\":null,\"url\":null,\"abstract\":\"<div><p>One of the risks in asymmetric sheet rolling is roll slippage relative to the strip, which may cause significant process disruptions. This paper presents analytical methods for assessing and preventing roll slippage, which rely on deformation zone analysis and on the control of the process parameters during the asymmetric rolling of steel strips. An analytical expression is derived that defines the onset condition for slippage as a function of the geometric and load parameters of the deformation zone. A condition for eliminating slippage by adjusting interstand tensions is also formulated. The proposed methods were validated on a continuous cold-rolling mill with asymmetric work rolls.</p></div>\",\"PeriodicalId\":702,\"journal\":{\"name\":\"Metallurgist\",\"volume\":\"69 4\",\"pages\":\"592 - 598\"},\"PeriodicalIF\":0.8000,\"publicationDate\":\"2025-07-14\",\"publicationTypes\":\"Journal Article\",\"fieldsOfStudy\":null,\"isOpenAccess\":false,\"openAccessPdf\":\"\",\"citationCount\":\"0\",\"resultStr\":null,\"platform\":\"Semanticscholar\",\"paperid\":null,\"PeriodicalName\":\"Metallurgist\",\"FirstCategoryId\":\"88\",\"ListUrlMain\":\"https://link.springer.com/article/10.1007/s11015-025-01977-6\",\"RegionNum\":4,\"RegionCategory\":\"材料科学\",\"ArticlePicture\":[],\"TitleCN\":null,\"AbstractTextCN\":null,\"PMCID\":null,\"EPubDate\":\"\",\"PubModel\":\"\",\"JCR\":\"Q4\",\"JCRName\":\"METALLURGY & METALLURGICAL ENGINEERING\",\"Score\":null,\"Total\":0}","platform":"Semanticscholar","paperid":null,"PeriodicalName":"Metallurgist","FirstCategoryId":"88","ListUrlMain":"https://link.springer.com/article/10.1007/s11015-025-01977-6","RegionNum":4,"RegionCategory":"材料科学","ArticlePicture":[],"TitleCN":null,"AbstractTextCN":null,"PMCID":null,"EPubDate":"","PubModel":"","JCR":"Q4","JCRName":"METALLURGY & METALLURGICAL ENGINEERING","Score":null,"Total":0}
引用次数: 0

摘要

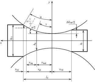
不对称薄板轧制的风险之一是轧辊相对于带材的滑动,这可能导致重大的工艺中断。本文提出了基于变形区分析和工艺参数控制的非对称轧制轧辊滑移评估和预防的分析方法。导出了滑移起始条件与变形区几何参数和荷载参数的函数关系的解析表达式。还提出了通过调整台间张力来消除滑移的条件。在不对称工作辊的连续冷轧机上对所提方法进行了验证。
本文章由计算机程序翻译,如有差异,请以英文原文为准。

Control methods for preventing roll slippage in asymmetric sheet rolling

Control methods for preventing roll slippage in asymmetric sheet rolling

One of the risks in asymmetric sheet rolling is roll slippage relative to the strip, which may cause significant process disruptions. This paper presents analytical methods for assessing and preventing roll slippage, which rely on deformation zone analysis and on the control of the process parameters during the asymmetric rolling of steel strips. An analytical expression is derived that defines the onset condition for slippage as a function of the geometric and load parameters of the deformation zone. A condition for eliminating slippage by adjusting interstand tensions is also formulated. The proposed methods were validated on a continuous cold-rolling mill with asymmetric work rolls.

求助全文
通过发布文献求助,成功后即可免费获取论文全文。 去求助
来源期刊
Metallurgist
Metallurgist 工程技术-冶金工程
CiteScore
1.50
自引率
44.40%
发文量
151
审稿时长
4-8 weeks
期刊介绍: Metallurgist is the leading Russian journal in metallurgy. Publication started in 1956. Basic topics covered include: State of the art and development of enterprises in ferrous and nonferrous metallurgy and mining; Metallurgy of ferrous, nonferrous, rare, and precious metals; Metallurgical equipment; Automation and control; Protection of labor; Protection of the environment; Resources and energy saving; Quality and certification; History of metallurgy; Inventions (patents).
×
引用
GB/T 7714-2015
复制
MLA
复制
APA
复制
导出至
BibTeX EndNote RefMan NoteFirst NoteExpress
×
提示
您的信息不完整,为了账户安全,请先补充。
现在去补充
×
提示
您因"违规操作"
具体请查看互助需知
我知道了
×
提示
确定
请完成安全验证×
copy
已复制链接
快去分享给好友吧!
我知道了
右上角分享
点击右上角分享
0
联系我们:info@booksci.cn Book学术提供免费学术资源搜索服务,方便国内外学者检索中英文文献。致力于提供最便捷和优质的服务体验。 Copyright © 2023 布克学术 All rights reserved.
京ICP备2023020795号-1
ghs 京公网安备 11010802042870号
Book学术文献互助
Book学术文献互助群
群 号:604180095
Book学术官方微信