新型可调谐伪电阻切波稳定电容耦合放大器及其基于机器学习的应用。

IF 3 3区 工程技术 Q2 CHEMISTRY, ANALYTICAL
Micromachines Pub Date : 2025-08-29 DOI:10.3390/mi16091000
Mohammad Aleem Farshori, M Nizamuddin, Renuka Chowdary Bheemana, Krishna Prakash, Shonak Bansal, Mohammad Zulqarnain, Vipin Sharma, S Sudhakar Babu, Kanwarpreet Kaur
{"title":"新型可调谐伪电阻切波稳定电容耦合放大器及其基于机器学习的应用。","authors":"Mohammad Aleem Farshori, M Nizamuddin, Renuka Chowdary Bheemana, Krishna Prakash, Shonak Bansal, Mohammad Zulqarnain, Vipin Sharma, S Sudhakar Babu, Kanwarpreet Kaur","doi":"10.3390/mi16091000","DOIUrl":null,"url":null,"abstract":"<p><p>This work presents a high-common-mode-rejection-ratio (CMRR) and high-gain FinFET-based bio-potential amplifier with a novel CMRR reduction technique. In this paper, a feedback buffer is used alongside a capacitively coupled chopper-stabilized circuit to reduce the common-mode signal gain, thus boosting the overall CMRR of the circuit. The conventional pseudoresistor in the feedback circuit is replaced with a tunable parallel-cell configuration of pseudoresistors to achieve high linearity. A chopper spike filter is used to mitigate spikes generated by switching activity. The mid-band gain of the chopper-stabilized amplifier is 42.6 dB, with a bandwidth in the range of 6.96 Hz to 621 Hz. The noise efficiency factor (NEF) of the chopper-stabilized amplifier is 6.1, and its power dissipation is 0.92 µW. The linearity of the parallel pseudoresistor cell is tested for different tuning voltages (V<sub>tune</sub>) and various numbers of parallel pseudoresistor cells. The simulation results also demonstrate the pseudoresistor cell performance for different process corners and temperature changes. The low cut-off frequency is adjusted by varying the parameters of the parallel pseudoresistor cell. The CMRR of the chopper-stabilized amplifier, with and without the feedback buffer, is 106.9 dB and 100.3 dB, respectively. The feedback buffer also reduces the low cut-off frequency, demonstrating its multi-utility. The proposed circuit is compatible with bio-signal acquisition and processing. Additionally, a machine learning-based arrhythmia diagnosis model is presented using a convolutional neural network (CNN) + Long Short-Term Memory (LSTM) algorithm. For arrhythmia diagnosis using the CNN+LSTM algorithm, an accuracy of 99.12% and a mean square error (MSE) of 0.0273 were achieved.</p>","PeriodicalId":18508,"journal":{"name":"Micromachines","volume":"16 9","pages":""},"PeriodicalIF":3.0000,"publicationDate":"2025-08-29","publicationTypes":"Journal Article","fieldsOfStudy":null,"isOpenAccess":false,"openAccessPdf":"https://www.ncbi.nlm.nih.gov/pmc/articles/PMC12471498/pdf/","citationCount":"0","resultStr":"{\"title\":\"Novel Tunable Pseudoresistor-Based Chopper-Stabilized Capacitively Coupled Amplifier and Its Machine Learning-Based Application.\",\"authors\":\"Mohammad Aleem Farshori, M Nizamuddin, Renuka Chowdary Bheemana, Krishna Prakash, Shonak Bansal, Mohammad Zulqarnain, Vipin Sharma, S Sudhakar Babu, Kanwarpreet Kaur\",\"doi\":\"10.3390/mi16091000\",\"DOIUrl\":null,\"url\":null,\"abstract\":\"<p><p>This work presents a high-common-mode-rejection-ratio (CMRR) and high-gain FinFET-based bio-potential amplifier with a novel CMRR reduction technique. In this paper, a feedback buffer is used alongside a capacitively coupled chopper-stabilized circuit to reduce the common-mode signal gain, thus boosting the overall CMRR of the circuit. The conventional pseudoresistor in the feedback circuit is replaced with a tunable parallel-cell configuration of pseudoresistors to achieve high linearity. A chopper spike filter is used to mitigate spikes generated by switching activity. The mid-band gain of the chopper-stabilized amplifier is 42.6 dB, with a bandwidth in the range of 6.96 Hz to 621 Hz. The noise efficiency factor (NEF) of the chopper-stabilized amplifier is 6.1, and its power dissipation is 0.92 µW. The linearity of the parallel pseudoresistor cell is tested for different tuning voltages (V<sub>tune</sub>) and various numbers of parallel pseudoresistor cells. The simulation results also demonstrate the pseudoresistor cell performance for different process corners and temperature changes. The low cut-off frequency is adjusted by varying the parameters of the parallel pseudoresistor cell. The CMRR of the chopper-stabilized amplifier, with and without the feedback buffer, is 106.9 dB and 100.3 dB, respectively. The feedback buffer also reduces the low cut-off frequency, demonstrating its multi-utility. The proposed circuit is compatible with bio-signal acquisition and processing. Additionally, a machine learning-based arrhythmia diagnosis model is presented using a convolutional neural network (CNN) + Long Short-Term Memory (LSTM) algorithm. For arrhythmia diagnosis using the CNN+LSTM algorithm, an accuracy of 99.12% and a mean square error (MSE) of 0.0273 were achieved.</p>\",\"PeriodicalId\":18508,\"journal\":{\"name\":\"Micromachines\",\"volume\":\"16 9\",\"pages\":\"\"},\"PeriodicalIF\":3.0000,\"publicationDate\":\"2025-08-29\",\"publicationTypes\":\"Journal Article\",\"fieldsOfStudy\":null,\"isOpenAccess\":false,\"openAccessPdf\":\"https://www.ncbi.nlm.nih.gov/pmc/articles/PMC12471498/pdf/\",\"citationCount\":\"0\",\"resultStr\":null,\"platform\":\"Semanticscholar\",\"paperid\":null,\"PeriodicalName\":\"Micromachines\",\"FirstCategoryId\":\"5\",\"ListUrlMain\":\"https://doi.org/10.3390/mi16091000\",\"RegionNum\":3,\"RegionCategory\":\"工程技术\",\"ArticlePicture\":[],\"TitleCN\":null,\"AbstractTextCN\":null,\"PMCID\":null,\"EPubDate\":\"\",\"PubModel\":\"\",\"JCR\":\"Q2\",\"JCRName\":\"CHEMISTRY, ANALYTICAL\",\"Score\":null,\"Total\":0}","platform":"Semanticscholar","paperid":null,"PeriodicalName":"Micromachines","FirstCategoryId":"5","ListUrlMain":"https://doi.org/10.3390/mi16091000","RegionNum":3,"RegionCategory":"工程技术","ArticlePicture":[],"TitleCN":null,"AbstractTextCN":null,"PMCID":null,"EPubDate":"","PubModel":"","JCR":"Q2","JCRName":"CHEMISTRY, ANALYTICAL","Score":null,"Total":0}
引用次数: 0

摘要

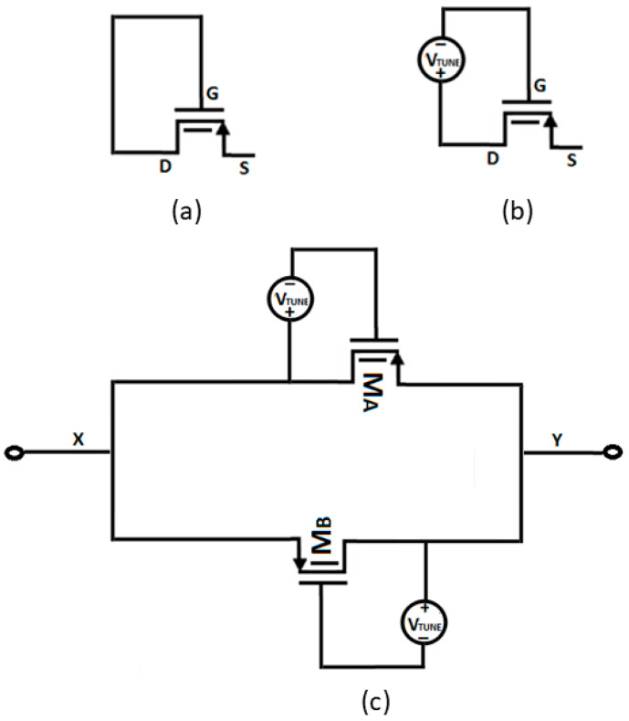
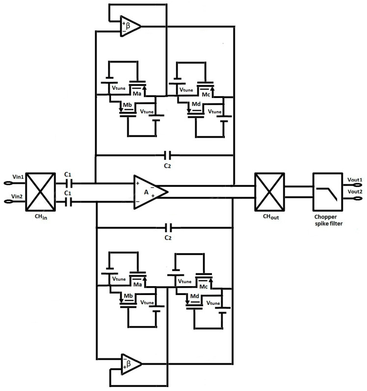
本研究提出了一种具有新型CMRR降低技术的高共模抑制比(CMRR)和高增益的基于finfet的生物电位放大器。在本文中,反馈缓冲器与电容耦合斩波稳定电路一起使用,以降低共模信号增益,从而提高电路的整体CMRR。在反馈电路中,传统的伪电阻被可调谐的伪电阻并联单元结构所取代,以实现高线性度。斩波尖峰滤波器用于减轻由切换活动产生的尖峰。斩波稳定放大器的中频增益为42.6 dB,带宽范围为6.96 Hz至621 Hz。斩波稳定放大器的噪声效率因子(NEF)为6.1,功耗为0.92µW。在不同的调谐电压(Vtune)和不同数量的并联伪电阻单元下,测试了并联伪电阻单元的线性度。仿真结果还验证了伪电阻器电池在不同工艺角和温度变化下的性能。通过改变并联伪电阻单元的参数来调节低截止频率。带反馈缓冲器和不带反馈缓冲器的斩波稳定放大器的CMRR分别为106.9 dB和100.3 dB。反馈缓冲器还降低了低截止频率,显示了其多用途。该电路兼容生物信号采集和处理。此外,采用卷积神经网络(CNN) +长短期记忆(LSTM)算法提出了一种基于机器学习的心律失常诊断模型。采用CNN+LSTM算法诊断心律失常,准确率为99.12%,均方误差(MSE)为0.0273。
本文章由计算机程序翻译,如有差异,请以英文原文为准。

Novel Tunable Pseudoresistor-Based Chopper-Stabilized Capacitively Coupled Amplifier and Its Machine Learning-Based Application.

Novel Tunable Pseudoresistor-Based Chopper-Stabilized Capacitively Coupled Amplifier and Its Machine Learning-Based Application.

Novel Tunable Pseudoresistor-Based Chopper-Stabilized Capacitively Coupled Amplifier and Its Machine Learning-Based Application.

Novel Tunable Pseudoresistor-Based Chopper-Stabilized Capacitively Coupled Amplifier and Its Machine Learning-Based Application.

This work presents a high-common-mode-rejection-ratio (CMRR) and high-gain FinFET-based bio-potential amplifier with a novel CMRR reduction technique. In this paper, a feedback buffer is used alongside a capacitively coupled chopper-stabilized circuit to reduce the common-mode signal gain, thus boosting the overall CMRR of the circuit. The conventional pseudoresistor in the feedback circuit is replaced with a tunable parallel-cell configuration of pseudoresistors to achieve high linearity. A chopper spike filter is used to mitigate spikes generated by switching activity. The mid-band gain of the chopper-stabilized amplifier is 42.6 dB, with a bandwidth in the range of 6.96 Hz to 621 Hz. The noise efficiency factor (NEF) of the chopper-stabilized amplifier is 6.1, and its power dissipation is 0.92 µW. The linearity of the parallel pseudoresistor cell is tested for different tuning voltages (Vtune) and various numbers of parallel pseudoresistor cells. The simulation results also demonstrate the pseudoresistor cell performance for different process corners and temperature changes. The low cut-off frequency is adjusted by varying the parameters of the parallel pseudoresistor cell. The CMRR of the chopper-stabilized amplifier, with and without the feedback buffer, is 106.9 dB and 100.3 dB, respectively. The feedback buffer also reduces the low cut-off frequency, demonstrating its multi-utility. The proposed circuit is compatible with bio-signal acquisition and processing. Additionally, a machine learning-based arrhythmia diagnosis model is presented using a convolutional neural network (CNN) + Long Short-Term Memory (LSTM) algorithm. For arrhythmia diagnosis using the CNN+LSTM algorithm, an accuracy of 99.12% and a mean square error (MSE) of 0.0273 were achieved.

求助全文
通过发布文献求助,成功后即可免费获取论文全文。 去求助
来源期刊
Micromachines
Micromachines NANOSCIENCE & NANOTECHNOLOGY-INSTRUMENTS & INSTRUMENTATION
CiteScore
5.20
自引率
14.70%
发文量
1862
审稿时长
16.31 days
期刊介绍: Micromachines (ISSN 2072-666X) is an international, peer-reviewed open access journal which provides an advanced forum for studies related to micro-scaled machines and micromachinery. It publishes reviews, regular research papers and short communications. Our aim is to encourage scientists to publish their experimental and theoretical results in as much detail as possible. There is no restriction on the length of the papers. The full experimental details must be provided so that the results can be reproduced.
×
引用
GB/T 7714-2015
复制
MLA
复制
APA
复制
导出至
BibTeX EndNote RefMan NoteFirst NoteExpress
×
提示
您的信息不完整,为了账户安全,请先补充。
现在去补充
×
提示
您因"违规操作"
具体请查看互助需知
我知道了
×
提示
确定
请完成安全验证×
copy
已复制链接
快去分享给好友吧!
我知道了
右上角分享
点击右上角分享
0
联系我们:info@booksci.cn Book学术提供免费学术资源搜索服务,方便国内外学者检索中英文文献。致力于提供最便捷和优质的服务体验。 Copyright © 2023 布克学术 All rights reserved.
京ICP备2023020795号-1
ghs 京公网安备 11010802042870号
Book学术文献互助
Book学术文献互助群
群 号:604180095
Book学术官方微信