野外管道中作用于固定矩形弯头的气流力的修正

IF 0.4 Q4 ENGINEERING, MECHANICAL
M. S. Ragimova, V. I. Aliev, A. S. Akhmadov, R. Kh. Melikov
{"title":"野外管道中作用于固定矩形弯头的气流力的修正","authors":"M. S. Ragimova,&nbsp;V. I. Aliev,&nbsp;A. S. Akhmadov,&nbsp;R. Kh. Melikov","doi":"10.1134/S1052618825700281","DOIUrl":null,"url":null,"abstract":"<p>The issues of the formation of hydraulic resistance to gas flowing through rectangular elbows of a gas pipeline, which lead to changes in the physical and chemical properties of gas and gas thermodynamic parameters, are considered. The effect of the pressure force of a gas flow on the rectangular elbow of a field gas pipeline, which is accompanied by changes in technological independent parameters, has been described. After the primary separation treatment, a gas enters the commercial gas pipeline and at this moment the gas volume expands, as a result of which the pressure drop increases and the gas movement accelerates. In practice, the higher the pressure drop, the higher the gas flow rate. In this case, the technological parameters of gas in the gas pipeline change, which leads both to an increase in the local resistance and to a change in the density and temperature of the gas.</p>","PeriodicalId":642,"journal":{"name":"Journal of Machinery Manufacture and Reliability","volume":"54 4","pages":"369 - 374"},"PeriodicalIF":0.4000,"publicationDate":"2025-07-30","publicationTypes":"Journal Article","fieldsOfStudy":null,"isOpenAccess":false,"openAccessPdf":"","citationCount":"0","resultStr":"{\"title\":\"Modification of the Gas Flow Force Acting on a Fixed Rectangular Elbow in Field Pipelines\",\"authors\":\"M. S. Ragimova,&nbsp;V. I. Aliev,&nbsp;A. S. Akhmadov,&nbsp;R. Kh. Melikov\",\"doi\":\"10.1134/S1052618825700281\",\"DOIUrl\":null,\"url\":null,\"abstract\":\"<p>The issues of the formation of hydraulic resistance to gas flowing through rectangular elbows of a gas pipeline, which lead to changes in the physical and chemical properties of gas and gas thermodynamic parameters, are considered. The effect of the pressure force of a gas flow on the rectangular elbow of a field gas pipeline, which is accompanied by changes in technological independent parameters, has been described. After the primary separation treatment, a gas enters the commercial gas pipeline and at this moment the gas volume expands, as a result of which the pressure drop increases and the gas movement accelerates. In practice, the higher the pressure drop, the higher the gas flow rate. In this case, the technological parameters of gas in the gas pipeline change, which leads both to an increase in the local resistance and to a change in the density and temperature of the gas.</p>\",\"PeriodicalId\":642,\"journal\":{\"name\":\"Journal of Machinery Manufacture and Reliability\",\"volume\":\"54 4\",\"pages\":\"369 - 374\"},\"PeriodicalIF\":0.4000,\"publicationDate\":\"2025-07-30\",\"publicationTypes\":\"Journal Article\",\"fieldsOfStudy\":null,\"isOpenAccess\":false,\"openAccessPdf\":\"\",\"citationCount\":\"0\",\"resultStr\":null,\"platform\":\"Semanticscholar\",\"paperid\":null,\"PeriodicalName\":\"Journal of Machinery Manufacture and Reliability\",\"FirstCategoryId\":\"1085\",\"ListUrlMain\":\"https://link.springer.com/article/10.1134/S1052618825700281\",\"RegionNum\":0,\"RegionCategory\":null,\"ArticlePicture\":[],\"TitleCN\":null,\"AbstractTextCN\":null,\"PMCID\":null,\"EPubDate\":\"\",\"PubModel\":\"\",\"JCR\":\"Q4\",\"JCRName\":\"ENGINEERING, MECHANICAL\",\"Score\":null,\"Total\":0}","platform":"Semanticscholar","paperid":null,"PeriodicalName":"Journal of Machinery Manufacture and Reliability","FirstCategoryId":"1085","ListUrlMain":"https://link.springer.com/article/10.1134/S1052618825700281","RegionNum":0,"RegionCategory":null,"ArticlePicture":[],"TitleCN":null,"AbstractTextCN":null,"PMCID":null,"EPubDate":"","PubModel":"","JCR":"Q4","JCRName":"ENGINEERING, MECHANICAL","Score":null,"Total":0}
引用次数: 0

摘要

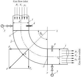
考虑了气体流经管道矩形弯头时产生的水力阻力,从而导致气体的物理化学性质和气体热力学参数的变化。本文描述了气体流动压力对气田输气管道矩形弯头的影响,这种影响伴随着与工艺无关的参数的变化。一次分离处理后,气体进入商气管道,此时气体体积膨胀,压降增大,气体运动加速。在实际应用中,压降越高,气体流速越高。在这种情况下,输气管道中气体的工艺参数发生变化,既导致局部阻力增大,又导致气体的密度和温度发生变化。
本文章由计算机程序翻译,如有差异,请以英文原文为准。

Modification of the Gas Flow Force Acting on a Fixed Rectangular Elbow in Field Pipelines

Modification of the Gas Flow Force Acting on a Fixed Rectangular Elbow in Field Pipelines

The issues of the formation of hydraulic resistance to gas flowing through rectangular elbows of a gas pipeline, which lead to changes in the physical and chemical properties of gas and gas thermodynamic parameters, are considered. The effect of the pressure force of a gas flow on the rectangular elbow of a field gas pipeline, which is accompanied by changes in technological independent parameters, has been described. After the primary separation treatment, a gas enters the commercial gas pipeline and at this moment the gas volume expands, as a result of which the pressure drop increases and the gas movement accelerates. In practice, the higher the pressure drop, the higher the gas flow rate. In this case, the technological parameters of gas in the gas pipeline change, which leads both to an increase in the local resistance and to a change in the density and temperature of the gas.

求助全文
通过发布文献求助,成功后即可免费获取论文全文。 去求助
来源期刊
CiteScore
0.80
自引率
33.30%
发文量
61
期刊介绍: Journal of Machinery Manufacture and Reliability  is devoted to advances in machine design; CAD/CAM; experimental mechanics of machines, machine life expectancy, and reliability studies; machine dynamics and kinematics; vibration, acoustics, and stress/strain; wear resistance engineering; real-time machine operation diagnostics; robotic systems; new materials and manufacturing processes, and other topics.
×
引用
GB/T 7714-2015
复制
MLA
复制
APA
复制
导出至
BibTeX EndNote RefMan NoteFirst NoteExpress
×
提示
您的信息不完整,为了账户安全,请先补充。
现在去补充
×
提示
您因"违规操作"
具体请查看互助需知
我知道了
×
提示
确定
请完成安全验证×
copy
已复制链接
快去分享给好友吧!
我知道了
右上角分享
点击右上角分享
0
联系我们:info@booksci.cn Book学术提供免费学术资源搜索服务,方便国内外学者检索中英文文献。致力于提供最便捷和优质的服务体验。 Copyright © 2023 布克学术 All rights reserved.
京ICP备2023020795号-1
ghs 京公网安备 11010802042870号
Book学术文献互助
Book学术文献互助群
群 号:604180095
Book学术官方微信