基于CCIIs的新型忆阻晶体管仿真器的设计与实验验证

IF 2.5 4区 工程技术 Q3 ENGINEERING, ELECTRICAL & ELECTRONIC
Muzaffer Çayır, Mehmet Sağbaş
{"title":"基于CCIIs的新型忆阻晶体管仿真器的设计与实验验证","authors":"Muzaffer Çayır,&nbsp;Mehmet Sağbaş","doi":"10.1007/s10825-025-02424-0","DOIUrl":null,"url":null,"abstract":"<div><p>This study introduces a new memtranstor emulator circuit using second-generation current conveyors (CCII), providing an alternative to the only existing memtranstor emulator circuit in the literature. The proposed circuit consists of three CCIIs, one analog multiplier (AD633), two grounded resistors, and three grounded capacitors. The design is implemented using 180 nm CMOS technology, and its functionality is validated through PSPICE simulations. The circuit’s behavior is analyzed under various conditions including pinched hysteresis loops, Monte Carlo analysis, memory effect simulations, and temperature variation tests, all of which confirm its proper operation. Additionally, the circuit can be easily adapted between incremental and decremental memory emulators, demonstrating its versatility for various applications. The proposed emulator has been further validated through experimental implementation, confirming its feasibility for practical applications. A memtranstor-based chaotic oscillator is presented as an application example. Compared to the existing design in the literature, the proposed emulator offers several key advantages: It employs fewer active and passive components, leading to a simpler structure with the potential for more compact implementation. The absence of operational amplifiers (op-amps) improves bandwidth performance by eliminating the fixed gain-bandwidth product limitation, enabling higher gain levels at broader bandwidths. Additionally, the use of low-power CMOS parameters potentially allows for lower supply voltages, which, along with fewer components, can significantly reduce power consumption.</p></div>","PeriodicalId":620,"journal":{"name":"Journal of Computational Electronics","volume":"24 6","pages":""},"PeriodicalIF":2.5000,"publicationDate":"2025-09-25","publicationTypes":"Journal Article","fieldsOfStudy":null,"isOpenAccess":false,"openAccessPdf":"","citationCount":"0","resultStr":"{\"title\":\"Design of a novel memtranstor emulator using CCIIs and experimental validation\",\"authors\":\"Muzaffer Çayır,&nbsp;Mehmet Sağbaş\",\"doi\":\"10.1007/s10825-025-02424-0\",\"DOIUrl\":null,\"url\":null,\"abstract\":\"<div><p>This study introduces a new memtranstor emulator circuit using second-generation current conveyors (CCII), providing an alternative to the only existing memtranstor emulator circuit in the literature. The proposed circuit consists of three CCIIs, one analog multiplier (AD633), two grounded resistors, and three grounded capacitors. The design is implemented using 180 nm CMOS technology, and its functionality is validated through PSPICE simulations. The circuit’s behavior is analyzed under various conditions including pinched hysteresis loops, Monte Carlo analysis, memory effect simulations, and temperature variation tests, all of which confirm its proper operation. Additionally, the circuit can be easily adapted between incremental and decremental memory emulators, demonstrating its versatility for various applications. The proposed emulator has been further validated through experimental implementation, confirming its feasibility for practical applications. A memtranstor-based chaotic oscillator is presented as an application example. Compared to the existing design in the literature, the proposed emulator offers several key advantages: It employs fewer active and passive components, leading to a simpler structure with the potential for more compact implementation. The absence of operational amplifiers (op-amps) improves bandwidth performance by eliminating the fixed gain-bandwidth product limitation, enabling higher gain levels at broader bandwidths. Additionally, the use of low-power CMOS parameters potentially allows for lower supply voltages, which, along with fewer components, can significantly reduce power consumption.</p></div>\",\"PeriodicalId\":620,\"journal\":{\"name\":\"Journal of Computational Electronics\",\"volume\":\"24 6\",\"pages\":\"\"},\"PeriodicalIF\":2.5000,\"publicationDate\":\"2025-09-25\",\"publicationTypes\":\"Journal Article\",\"fieldsOfStudy\":null,\"isOpenAccess\":false,\"openAccessPdf\":\"\",\"citationCount\":\"0\",\"resultStr\":null,\"platform\":\"Semanticscholar\",\"paperid\":null,\"PeriodicalName\":\"Journal of Computational Electronics\",\"FirstCategoryId\":\"5\",\"ListUrlMain\":\"https://link.springer.com/article/10.1007/s10825-025-02424-0\",\"RegionNum\":4,\"RegionCategory\":\"工程技术\",\"ArticlePicture\":[],\"TitleCN\":null,\"AbstractTextCN\":null,\"PMCID\":null,\"EPubDate\":\"\",\"PubModel\":\"\",\"JCR\":\"Q3\",\"JCRName\":\"ENGINEERING, ELECTRICAL & ELECTRONIC\",\"Score\":null,\"Total\":0}","platform":"Semanticscholar","paperid":null,"PeriodicalName":"Journal of Computational Electronics","FirstCategoryId":"5","ListUrlMain":"https://link.springer.com/article/10.1007/s10825-025-02424-0","RegionNum":4,"RegionCategory":"工程技术","ArticlePicture":[],"TitleCN":null,"AbstractTextCN":null,"PMCID":null,"EPubDate":"","PubModel":"","JCR":"Q3","JCRName":"ENGINEERING, ELECTRICAL & ELECTRONIC","Score":null,"Total":0}
引用次数: 0

摘要

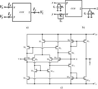
本研究介绍了一种使用第二代电流传送带(CCII)的新型忆管仿真电路,为现有文献中唯一的忆管仿真电路提供了一种替代方案。该电路由三个ccii、一个模拟乘法器(AD633)、两个接地电阻和三个接地电容组成。该设计采用180nm CMOS技术实现,并通过PSPICE仿真验证了其功能。在各种条件下对电路的行为进行了分析,包括夹紧滞回线、蒙特卡罗分析、记忆效应模拟和温度变化测试,所有这些都证实了电路的正常运行。此外,该电路可以很容易地在增量和递减存储器模拟器之间进行调整,证明其多功能性适用于各种应用。通过实验实现,进一步验证了所提出的仿真器在实际应用中的可行性。给出了一种基于忆变晶体管的混沌振荡器作为应用实例。与文献中的现有设计相比,提出的仿真器具有几个关键优势:它采用较少的有源和无源组件,导致结构更简单,具有更紧凑实现的潜力。由于没有运算放大器(运放),消除了固定增益-带宽乘积限制,从而提高了带宽性能,在更宽的带宽下实现了更高的增益水平。此外,使用低功耗CMOS参数可能允许更低的电源电压,这与更少的组件一起,可以显着降低功耗。
本文章由计算机程序翻译,如有差异,请以英文原文为准。

Design of a novel memtranstor emulator using CCIIs and experimental validation

Design of a novel memtranstor emulator using CCIIs and experimental validation

This study introduces a new memtranstor emulator circuit using second-generation current conveyors (CCII), providing an alternative to the only existing memtranstor emulator circuit in the literature. The proposed circuit consists of three CCIIs, one analog multiplier (AD633), two grounded resistors, and three grounded capacitors. The design is implemented using 180 nm CMOS technology, and its functionality is validated through PSPICE simulations. The circuit’s behavior is analyzed under various conditions including pinched hysteresis loops, Monte Carlo analysis, memory effect simulations, and temperature variation tests, all of which confirm its proper operation. Additionally, the circuit can be easily adapted between incremental and decremental memory emulators, demonstrating its versatility for various applications. The proposed emulator has been further validated through experimental implementation, confirming its feasibility for practical applications. A memtranstor-based chaotic oscillator is presented as an application example. Compared to the existing design in the literature, the proposed emulator offers several key advantages: It employs fewer active and passive components, leading to a simpler structure with the potential for more compact implementation. The absence of operational amplifiers (op-amps) improves bandwidth performance by eliminating the fixed gain-bandwidth product limitation, enabling higher gain levels at broader bandwidths. Additionally, the use of low-power CMOS parameters potentially allows for lower supply voltages, which, along with fewer components, can significantly reduce power consumption.

求助全文
通过发布文献求助,成功后即可免费获取论文全文。 去求助
来源期刊
Journal of Computational Electronics
Journal of Computational Electronics ENGINEERING, ELECTRICAL & ELECTRONIC-PHYSICS, APPLIED
CiteScore
4.50
自引率
4.80%
发文量
142
审稿时长
>12 weeks
期刊介绍: he Journal of Computational Electronics brings together research on all aspects of modeling and simulation of modern electronics. This includes optical, electronic, mechanical, and quantum mechanical aspects, as well as research on the underlying mathematical algorithms and computational details. The related areas of energy conversion/storage and of molecular and biological systems, in which the thrust is on the charge transport, electronic, mechanical, and optical properties, are also covered. In particular, we encourage manuscripts dealing with device simulation; with optical and optoelectronic systems and photonics; with energy storage (e.g. batteries, fuel cells) and harvesting (e.g. photovoltaic), with simulation of circuits, VLSI layout, logic and architecture (based on, for example, CMOS devices, quantum-cellular automata, QBITs, or single-electron transistors); with electromagnetic simulations (such as microwave electronics and components); or with molecular and biological systems. However, in all these cases, the submitted manuscripts should explicitly address the electronic properties of the relevant systems, materials, or devices and/or present novel contributions to the physical models, computational strategies, or numerical algorithms.
×
引用
GB/T 7714-2015
复制
MLA
复制
APA
复制
导出至
BibTeX EndNote RefMan NoteFirst NoteExpress
×
提示
您的信息不完整,为了账户安全,请先补充。
现在去补充
×
提示
您因"违规操作"
具体请查看互助需知
我知道了
×
提示
确定
请完成安全验证×
copy
已复制链接
快去分享给好友吧!
我知道了
右上角分享
点击右上角分享
0
联系我们:info@booksci.cn Book学术提供免费学术资源搜索服务,方便国内外学者检索中英文文献。致力于提供最便捷和优质的服务体验。 Copyright © 2023 布克学术 All rights reserved.
京ICP备2023020795号-1
ghs 京公网安备 11010802042870号
Book学术文献互助
Book学术文献互助群
群 号:604180095
Book学术官方微信
小红书