基于GRU和IMO-Net的仿人机器人无传感器高精度低延迟跳着检测

IF 5.8 3区 计算机科学 Q1 ENGINEERING, MULTIDISCIPLINARY
Xiaoshuai Ma, Han Yu, Junyao Gao, Xuechao Chen, Zhangguo Yu, Qiang Huang
{"title":"基于GRU和IMO-Net的仿人机器人无传感器高精度低延迟跳着检测","authors":"Xiaoshuai Ma,&nbsp;Han Yu,&nbsp;Junyao Gao,&nbsp;Xuechao Chen,&nbsp;Zhangguo Yu,&nbsp;Qiang Huang","doi":"10.1007/s42235-025-00697-6","DOIUrl":null,"url":null,"abstract":"<div><p>Accurate landing detection is crucial for humanoid robots performing high dynamic motions. Unlike common methods that rely on redundant force-torque sensors and low-precision observers to estimate landing states, this paper proposes a novel landing detection method characterized by high precision and low noise, synthesizing a learning-based Improved Momentum Observer (IMO-Net) for the ankles’ external torque estimation with a Gated Recurrent Unit (GRU)-based network for state judgment. Since the movement and external torque of the ankle undergo drastic changes during high dynamic motions, achieving accurate and real-time estimation presents a challenge. To address this problem, IMO-Net employs a new Improved Momentum Observer (IMO), which does not depend on acceleration data derived from second-order differentials or friction model, and significantly reduces noise effects from sensors data and robot foot wobble. Furthermore, an Elman network is utilized to accurately calculate the ankle output torque (IMO input), significantly reducing the estimation error. Finally, leveraging IMO-Net and extensive experimental data, we developed and optimized a GRU-based landing detection network through comprehensive ablation experiments. This refined network reliably determines the robot’s landing states in real-time. The effectiveness of our methods has been validated through experiments.</p></div>","PeriodicalId":614,"journal":{"name":"Journal of Bionic Engineering","volume":"22 3","pages":"1096 - 1110"},"PeriodicalIF":5.8000,"publicationDate":"2025-04-17","publicationTypes":"Journal Article","fieldsOfStudy":null,"isOpenAccess":false,"openAccessPdf":"","citationCount":"0","resultStr":"{\"title\":\"Synthesizing IMO-Net with GRU for Sensorless High-precision and Low-latency Jump Landing Detection in Humanoid Robots\",\"authors\":\"Xiaoshuai Ma,&nbsp;Han Yu,&nbsp;Junyao Gao,&nbsp;Xuechao Chen,&nbsp;Zhangguo Yu,&nbsp;Qiang Huang\",\"doi\":\"10.1007/s42235-025-00697-6\",\"DOIUrl\":null,\"url\":null,\"abstract\":\"<div><p>Accurate landing detection is crucial for humanoid robots performing high dynamic motions. Unlike common methods that rely on redundant force-torque sensors and low-precision observers to estimate landing states, this paper proposes a novel landing detection method characterized by high precision and low noise, synthesizing a learning-based Improved Momentum Observer (IMO-Net) for the ankles’ external torque estimation with a Gated Recurrent Unit (GRU)-based network for state judgment. Since the movement and external torque of the ankle undergo drastic changes during high dynamic motions, achieving accurate and real-time estimation presents a challenge. To address this problem, IMO-Net employs a new Improved Momentum Observer (IMO), which does not depend on acceleration data derived from second-order differentials or friction model, and significantly reduces noise effects from sensors data and robot foot wobble. Furthermore, an Elman network is utilized to accurately calculate the ankle output torque (IMO input), significantly reducing the estimation error. Finally, leveraging IMO-Net and extensive experimental data, we developed and optimized a GRU-based landing detection network through comprehensive ablation experiments. This refined network reliably determines the robot’s landing states in real-time. The effectiveness of our methods has been validated through experiments.</p></div>\",\"PeriodicalId\":614,\"journal\":{\"name\":\"Journal of Bionic Engineering\",\"volume\":\"22 3\",\"pages\":\"1096 - 1110\"},\"PeriodicalIF\":5.8000,\"publicationDate\":\"2025-04-17\",\"publicationTypes\":\"Journal Article\",\"fieldsOfStudy\":null,\"isOpenAccess\":false,\"openAccessPdf\":\"\",\"citationCount\":\"0\",\"resultStr\":null,\"platform\":\"Semanticscholar\",\"paperid\":null,\"PeriodicalName\":\"Journal of Bionic Engineering\",\"FirstCategoryId\":\"94\",\"ListUrlMain\":\"https://link.springer.com/article/10.1007/s42235-025-00697-6\",\"RegionNum\":3,\"RegionCategory\":\"计算机科学\",\"ArticlePicture\":[],\"TitleCN\":null,\"AbstractTextCN\":null,\"PMCID\":null,\"EPubDate\":\"\",\"PubModel\":\"\",\"JCR\":\"Q1\",\"JCRName\":\"ENGINEERING, MULTIDISCIPLINARY\",\"Score\":null,\"Total\":0}","platform":"Semanticscholar","paperid":null,"PeriodicalName":"Journal of Bionic Engineering","FirstCategoryId":"94","ListUrlMain":"https://link.springer.com/article/10.1007/s42235-025-00697-6","RegionNum":3,"RegionCategory":"计算机科学","ArticlePicture":[],"TitleCN":null,"AbstractTextCN":null,"PMCID":null,"EPubDate":"","PubModel":"","JCR":"Q1","JCRName":"ENGINEERING, MULTIDISCIPLINARY","Score":null,"Total":0}
引用次数: 0

摘要

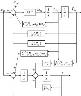
准确的着陆检测对进行高动态运动的仿人机器人至关重要。不同于常用的依靠冗余力-扭矩传感器和低精度观测器估计着陆状态的方法,本文提出了一种高精度、低噪声的着陆检测方法,该方法将基于学习的改进动量观测器(IMO-Net)与基于门控循环单元(GRU)的网络相结合,用于踝关节外扭矩估计和状态判断。由于踝关节的运动和外部扭矩在高动态运动中会发生剧烈变化,因此实现准确和实时的估计是一个挑战。为了解决这个问题,IMO- net采用了一种新的改进动量观测器(IMO),它不依赖于二阶微分或摩擦模型得出的加速度数据,并显著降低了传感器数据和机器人脚摆动带来的噪声影响。此外,利用Elman网络精确计算踝关节输出扭矩(IMO输入),大大降低了估计误差。最后,利用IMO-Net和大量实验数据,通过综合烧蚀实验,开发并优化了基于gru的着陆探测网络。这种改进的网络可以实时可靠地确定机器人的着陆状态。通过实验验证了我们方法的有效性。
本文章由计算机程序翻译,如有差异,请以英文原文为准。

Synthesizing IMO-Net with GRU for Sensorless High-precision and Low-latency Jump Landing Detection in Humanoid Robots

Synthesizing IMO-Net with GRU for Sensorless High-precision and Low-latency Jump Landing Detection in Humanoid Robots

Accurate landing detection is crucial for humanoid robots performing high dynamic motions. Unlike common methods that rely on redundant force-torque sensors and low-precision observers to estimate landing states, this paper proposes a novel landing detection method characterized by high precision and low noise, synthesizing a learning-based Improved Momentum Observer (IMO-Net) for the ankles’ external torque estimation with a Gated Recurrent Unit (GRU)-based network for state judgment. Since the movement and external torque of the ankle undergo drastic changes during high dynamic motions, achieving accurate and real-time estimation presents a challenge. To address this problem, IMO-Net employs a new Improved Momentum Observer (IMO), which does not depend on acceleration data derived from second-order differentials or friction model, and significantly reduces noise effects from sensors data and robot foot wobble. Furthermore, an Elman network is utilized to accurately calculate the ankle output torque (IMO input), significantly reducing the estimation error. Finally, leveraging IMO-Net and extensive experimental data, we developed and optimized a GRU-based landing detection network through comprehensive ablation experiments. This refined network reliably determines the robot’s landing states in real-time. The effectiveness of our methods has been validated through experiments.

求助全文
通过发布文献求助,成功后即可免费获取论文全文。 去求助
来源期刊
Journal of Bionic Engineering
Journal of Bionic Engineering 工程技术-材料科学:生物材料
CiteScore
7.10
自引率
10.00%
发文量
162
审稿时长
10.0 months
期刊介绍: The Journal of Bionic Engineering (JBE) is a peer-reviewed journal that publishes original research papers and reviews that apply the knowledge learned from nature and biological systems to solve concrete engineering problems. The topics that JBE covers include but are not limited to: Mechanisms, kinematical mechanics and control of animal locomotion, development of mobile robots with walking (running and crawling), swimming or flying abilities inspired by animal locomotion. Structures, morphologies, composition and physical properties of natural and biomaterials; fabrication of new materials mimicking the properties and functions of natural and biomaterials. Biomedical materials, artificial organs and tissue engineering for medical applications; rehabilitation equipment and devices. Development of bioinspired computation methods and artificial intelligence for engineering applications.
×
引用
GB/T 7714-2015
复制
MLA
复制
APA
复制
导出至
BibTeX EndNote RefMan NoteFirst NoteExpress
×
提示
您的信息不完整,为了账户安全,请先补充。
现在去补充
×
提示
您因"违规操作"
具体请查看互助需知
我知道了
×
提示
确定
请完成安全验证×
copy
已复制链接
快去分享给好友吧!
我知道了
右上角分享
点击右上角分享
0
联系我们:info@booksci.cn Book学术提供免费学术资源搜索服务,方便国内外学者检索中英文文献。致力于提供最便捷和优质的服务体验。 Copyright © 2023 布克学术 All rights reserved.
京ICP备2023020795号-1
ghs 京公网安备 11010802042870号
Book学术文献互助
Book学术文献互助群
群 号:604180095
Book学术官方微信