中国考古发掘记录系统中的“矩阵”及相关概念

Keyao Chen
{"title":"中国考古发掘记录系统中的“矩阵”及相关概念","authors":"Keyao Chen","doi":"10.1007/s41826-025-00104-3","DOIUrl":null,"url":null,"abstract":"<div><p>Excavation and recording methods and their development over time are unique windows into the development of the field of archaeology in relation to a combination of practical local factors, theoretical outlooks, and research questions. The “matrix” (also called the Harris Matrix) is a practical diagram used in field archaeological investigations to represent the relationships between different layers and features and their relative ages. While the Harris Matrix was developed by the British archaeologist, Edward C. Harris, the new matrix version used in China is deeply rooted in the unique local grid tradition of field excavation and the “traditional Chinese stratigraphic relationship matrix,” which is called the “connection diagram”. A connection diagram can classify complex matrix relationships and can be designed at different levels to serve different research purposes. In the connection diagram, stratigraphic units are divided into deposit units and feature units. Feature units reflect the Chinese concept of “combination”, which is helpful to judge the nature of the features. The connection diagram meets the requirements of Chinese field archaeology and plays an important role in improving our understanding and the precision and uniformity of archaeological recording in the field, but it also has some weaknesses. Nowadays, Chinese archaeologists strengthened exchanges with Western archaeology, when combined with the reality of their own country, allow a continuous stream of new breakthroughs and progress in the field of archaeological theory.</p></div>","PeriodicalId":93733,"journal":{"name":"Asian archaeology","volume":"9 1","pages":"73 - 85"},"PeriodicalIF":0.0000,"publicationDate":"2025-03-18","publicationTypes":"Journal Article","fieldsOfStudy":null,"isOpenAccess":false,"openAccessPdf":"","citationCount":"0","resultStr":"{\"title\":\"The “matrix” and related concepts in the Chinese archaeological excavation recording system\",\"authors\":\"Keyao Chen\",\"doi\":\"10.1007/s41826-025-00104-3\",\"DOIUrl\":null,\"url\":null,\"abstract\":\"<div><p>Excavation and recording methods and their development over time are unique windows into the development of the field of archaeology in relation to a combination of practical local factors, theoretical outlooks, and research questions. The “matrix” (also called the Harris Matrix) is a practical diagram used in field archaeological investigations to represent the relationships between different layers and features and their relative ages. While the Harris Matrix was developed by the British archaeologist, Edward C. Harris, the new matrix version used in China is deeply rooted in the unique local grid tradition of field excavation and the “traditional Chinese stratigraphic relationship matrix,” which is called the “connection diagram”. A connection diagram can classify complex matrix relationships and can be designed at different levels to serve different research purposes. In the connection diagram, stratigraphic units are divided into deposit units and feature units. Feature units reflect the Chinese concept of “combination”, which is helpful to judge the nature of the features. The connection diagram meets the requirements of Chinese field archaeology and plays an important role in improving our understanding and the precision and uniformity of archaeological recording in the field, but it also has some weaknesses. Nowadays, Chinese archaeologists strengthened exchanges with Western archaeology, when combined with the reality of their own country, allow a continuous stream of new breakthroughs and progress in the field of archaeological theory.</p></div>\",\"PeriodicalId\":93733,\"journal\":{\"name\":\"Asian archaeology\",\"volume\":\"9 1\",\"pages\":\"73 - 85\"},\"PeriodicalIF\":0.0000,\"publicationDate\":\"2025-03-18\",\"publicationTypes\":\"Journal Article\",\"fieldsOfStudy\":null,\"isOpenAccess\":false,\"openAccessPdf\":\"\",\"citationCount\":\"0\",\"resultStr\":null,\"platform\":\"Semanticscholar\",\"paperid\":null,\"PeriodicalName\":\"Asian archaeology\",\"FirstCategoryId\":\"1085\",\"ListUrlMain\":\"https://link.springer.com/article/10.1007/s41826-025-00104-3\",\"RegionNum\":0,\"RegionCategory\":null,\"ArticlePicture\":[],\"TitleCN\":null,\"AbstractTextCN\":null,\"PMCID\":null,\"EPubDate\":\"\",\"PubModel\":\"\",\"JCR\":\"\",\"JCRName\":\"\",\"Score\":null,\"Total\":0}","platform":"Semanticscholar","paperid":null,"PeriodicalName":"Asian archaeology","FirstCategoryId":"1085","ListUrlMain":"https://link.springer.com/article/10.1007/s41826-025-00104-3","RegionNum":0,"RegionCategory":null,"ArticlePicture":[],"TitleCN":null,"AbstractTextCN":null,"PMCID":null,"EPubDate":"","PubModel":"","JCR":"","JCRName":"","Score":null,"Total":0}
引用次数: 0

摘要

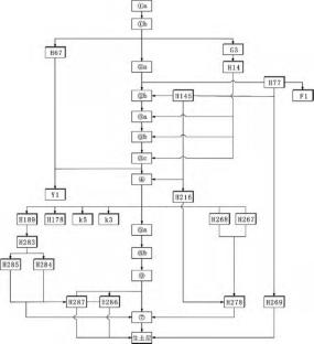
挖掘和记录方法及其随时间的发展是了解考古领域发展的独特窗口,与当地实际因素、理论前景和研究问题相结合。“矩阵”(也称为哈里斯矩阵)是一种在野外考古调查中使用的实用图表,用于表示不同层和特征之间的关系及其相对年龄。哈里斯矩阵是由英国考古学家爱德华·哈里斯(Edward C. Harris)开发的,而中国使用的新矩阵则深深植根于当地独特的野外发掘网格传统和“中国传统地层关系矩阵”,即“连接图”。连接图可以对复杂的矩阵关系进行分类,并且可以在不同的层次上进行设计,以服务于不同的研究目的。在连线图上,地层单元分为沉积单元和地物单元。特征单位体现了汉语“组合”的概念,有助于判断特征的性质。该连接图符合中国野外考古的要求,对提高我们对野外考古记录的认识和准确性、统一性具有重要作用,但也存在一些不足。如今,中国考古学家加强了与西方考古学的交流,结合本国的实际,使得考古理论领域不断有新的突破和进步。
本文章由计算机程序翻译,如有差异,请以英文原文为准。

The “matrix” and related concepts in the Chinese archaeological excavation recording system

The “matrix” and related concepts in the Chinese archaeological excavation recording system

Excavation and recording methods and their development over time are unique windows into the development of the field of archaeology in relation to a combination of practical local factors, theoretical outlooks, and research questions. The “matrix” (also called the Harris Matrix) is a practical diagram used in field archaeological investigations to represent the relationships between different layers and features and their relative ages. While the Harris Matrix was developed by the British archaeologist, Edward C. Harris, the new matrix version used in China is deeply rooted in the unique local grid tradition of field excavation and the “traditional Chinese stratigraphic relationship matrix,” which is called the “connection diagram”. A connection diagram can classify complex matrix relationships and can be designed at different levels to serve different research purposes. In the connection diagram, stratigraphic units are divided into deposit units and feature units. Feature units reflect the Chinese concept of “combination”, which is helpful to judge the nature of the features. The connection diagram meets the requirements of Chinese field archaeology and plays an important role in improving our understanding and the precision and uniformity of archaeological recording in the field, but it also has some weaknesses. Nowadays, Chinese archaeologists strengthened exchanges with Western archaeology, when combined with the reality of their own country, allow a continuous stream of new breakthroughs and progress in the field of archaeological theory.

求助全文
通过发布文献求助,成功后即可免费获取论文全文。 去求助
来源期刊
自引率
0.00%
发文量
0
×
引用
GB/T 7714-2015
复制
MLA
复制
APA
复制
导出至
BibTeX EndNote RefMan NoteFirst NoteExpress
×
提示
您的信息不完整,为了账户安全,请先补充。
现在去补充
×
提示
您因"违规操作"
具体请查看互助需知
我知道了
×
提示
确定
请完成安全验证×
copy
已复制链接
快去分享给好友吧!
我知道了
右上角分享
点击右上角分享
0
联系我们:info@booksci.cn Book学术提供免费学术资源搜索服务,方便国内外学者检索中英文文献。致力于提供最便捷和优质的服务体验。 Copyright © 2023 布克学术 All rights reserved.
京ICP备2023020795号-1
ghs 京公网安备 11010802042870号
Book学术文献互助
Book学术文献互助群
群 号:604180095
Book学术官方微信