采用16nm技术的低功耗和面积高效故障模型方法的验证和验证

IF 1.4 4区 工程技术 Q4 COMPUTER SCIENCE, HARDWARE & ARCHITECTURE
Nagapuri Sahithi, Jyothi Lavudya, E. Krishnahari
{"title":"采用16nm技术的低功耗和面积高效故障模型方法的验证和验证","authors":"Nagapuri Sahithi,&nbsp;Jyothi Lavudya,&nbsp;E. Krishnahari","doi":"10.1007/s10470-025-02424-x","DOIUrl":null,"url":null,"abstract":"<div><p>With the advancement of Very Large-Scale Integration (VLSI), the integration of a high number of transistors on a single chip has significantly improved performance but also increased vulnerability to faults. To address this, we propose and validate fault-tolerant, low-power, and area-efficient circuit designs using 16nm CMOS technology. In this study, a comprehensive fault modeling approach is developed and demonstrated through two representative digital circuits-a full adder and a multiplexer. These circuits are used as case studies to evaluate the proposed fault models under both transient and permanent fault scenarios, including “stuck-at” fault conditions. Two self-repairing multiplexer architectures are introduced: one utilizing additional circuitry to correct faults, and another enabling internal gate-level self-repair. Both designs can detect and recover from single and multiple faults effectively. Furthermore, the full adder architecture incorporates error recovery mechanisms, enhancing system reliability. The proposed designs are simulated and validated using Tanner EDA at 16nm technology node, confirming their efficiency in terms of power, area, and fault tolerance.</p></div>","PeriodicalId":7827,"journal":{"name":"Analog Integrated Circuits and Signal Processing","volume":"124 3","pages":""},"PeriodicalIF":1.4000,"publicationDate":"2025-07-15","publicationTypes":"Journal Article","fieldsOfStudy":null,"isOpenAccess":false,"openAccessPdf":"","citationCount":"0","resultStr":"{\"title\":\"Validation and verification of low power and area efficient fault model methods using 16nm technology\",\"authors\":\"Nagapuri Sahithi,&nbsp;Jyothi Lavudya,&nbsp;E. Krishnahari\",\"doi\":\"10.1007/s10470-025-02424-x\",\"DOIUrl\":null,\"url\":null,\"abstract\":\"<div><p>With the advancement of Very Large-Scale Integration (VLSI), the integration of a high number of transistors on a single chip has significantly improved performance but also increased vulnerability to faults. To address this, we propose and validate fault-tolerant, low-power, and area-efficient circuit designs using 16nm CMOS technology. In this study, a comprehensive fault modeling approach is developed and demonstrated through two representative digital circuits-a full adder and a multiplexer. These circuits are used as case studies to evaluate the proposed fault models under both transient and permanent fault scenarios, including “stuck-at” fault conditions. Two self-repairing multiplexer architectures are introduced: one utilizing additional circuitry to correct faults, and another enabling internal gate-level self-repair. Both designs can detect and recover from single and multiple faults effectively. Furthermore, the full adder architecture incorporates error recovery mechanisms, enhancing system reliability. The proposed designs are simulated and validated using Tanner EDA at 16nm technology node, confirming their efficiency in terms of power, area, and fault tolerance.</p></div>\",\"PeriodicalId\":7827,\"journal\":{\"name\":\"Analog Integrated Circuits and Signal Processing\",\"volume\":\"124 3\",\"pages\":\"\"},\"PeriodicalIF\":1.4000,\"publicationDate\":\"2025-07-15\",\"publicationTypes\":\"Journal Article\",\"fieldsOfStudy\":null,\"isOpenAccess\":false,\"openAccessPdf\":\"\",\"citationCount\":\"0\",\"resultStr\":null,\"platform\":\"Semanticscholar\",\"paperid\":null,\"PeriodicalName\":\"Analog Integrated Circuits and Signal Processing\",\"FirstCategoryId\":\"5\",\"ListUrlMain\":\"https://link.springer.com/article/10.1007/s10470-025-02424-x\",\"RegionNum\":4,\"RegionCategory\":\"工程技术\",\"ArticlePicture\":[],\"TitleCN\":null,\"AbstractTextCN\":null,\"PMCID\":null,\"EPubDate\":\"\",\"PubModel\":\"\",\"JCR\":\"Q4\",\"JCRName\":\"COMPUTER SCIENCE, HARDWARE & ARCHITECTURE\",\"Score\":null,\"Total\":0}","platform":"Semanticscholar","paperid":null,"PeriodicalName":"Analog Integrated Circuits and Signal Processing","FirstCategoryId":"5","ListUrlMain":"https://link.springer.com/article/10.1007/s10470-025-02424-x","RegionNum":4,"RegionCategory":"工程技术","ArticlePicture":[],"TitleCN":null,"AbstractTextCN":null,"PMCID":null,"EPubDate":"","PubModel":"","JCR":"Q4","JCRName":"COMPUTER SCIENCE, HARDWARE & ARCHITECTURE","Score":null,"Total":0}
引用次数: 0

摘要

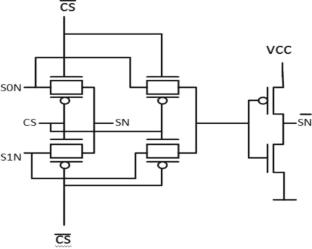
随着超大规模集成电路(VLSI)的发展,在单个芯片上集成大量晶体管大大提高了性能,但也增加了故障的脆弱性。为了解决这个问题,我们提出并验证了采用16nm CMOS技术的容错、低功耗和面积效率电路设计。在这项研究中,开发了一种全面的故障建模方法,并通过两个代表性的数字电路-全加法器和多路复用器进行了演示。这些电路被用作案例研究,以评估在瞬态和永久故障场景下提出的故障模型,包括“卡在”故障条件下。介绍了两种自修复多路复用器结构:一种是利用附加电路来纠正故障,另一种是实现内部门级自修复。两种设计都能有效地检测和恢复单故障和多故障。此外,全加法器架构还包含了错误恢复机制,提高了系统的可靠性。采用Tanner EDA在16nm技术节点上对所提出的设计进行了仿真和验证,验证了其在功耗、面积和容错性方面的效率。
本文章由计算机程序翻译,如有差异,请以英文原文为准。

Validation and verification of low power and area efficient fault model methods using 16nm technology

Validation and verification of low power and area efficient fault model methods using 16nm technology

With the advancement of Very Large-Scale Integration (VLSI), the integration of a high number of transistors on a single chip has significantly improved performance but also increased vulnerability to faults. To address this, we propose and validate fault-tolerant, low-power, and area-efficient circuit designs using 16nm CMOS technology. In this study, a comprehensive fault modeling approach is developed and demonstrated through two representative digital circuits-a full adder and a multiplexer. These circuits are used as case studies to evaluate the proposed fault models under both transient and permanent fault scenarios, including “stuck-at” fault conditions. Two self-repairing multiplexer architectures are introduced: one utilizing additional circuitry to correct faults, and another enabling internal gate-level self-repair. Both designs can detect and recover from single and multiple faults effectively. Furthermore, the full adder architecture incorporates error recovery mechanisms, enhancing system reliability. The proposed designs are simulated and validated using Tanner EDA at 16nm technology node, confirming their efficiency in terms of power, area, and fault tolerance.

求助全文
通过发布文献求助,成功后即可免费获取论文全文。 去求助
来源期刊
Analog Integrated Circuits and Signal Processing
Analog Integrated Circuits and Signal Processing 工程技术-工程:电子与电气
CiteScore
0.30
自引率
7.10%
发文量
141
审稿时长
7.3 months
期刊介绍: Analog Integrated Circuits and Signal Processing is an archival peer reviewed journal dedicated to the design and application of analog, radio frequency (RF), and mixed signal integrated circuits (ICs) as well as signal processing circuits and systems. It features both new research results and tutorial views and reflects the large volume of cutting-edge research activity in the worldwide field today. A partial list of topics includes analog and mixed signal interface circuits and systems; analog and RFIC design; data converters; active-RC, switched-capacitor, and continuous-time integrated filters; mixed analog/digital VLSI systems; wireless radio transceivers; clock and data recovery circuits; and high speed optoelectronic circuits and systems.
×
引用
GB/T 7714-2015
复制
MLA
复制
APA
复制
导出至
BibTeX EndNote RefMan NoteFirst NoteExpress
×
提示
您的信息不完整,为了账户安全,请先补充。
现在去补充
×
提示
您因"违规操作"
具体请查看互助需知
我知道了
×
提示
确定
请完成安全验证×
copy
已复制链接
快去分享给好友吧!
我知道了
右上角分享
点击右上角分享
0
联系我们:info@booksci.cn Book学术提供免费学术资源搜索服务,方便国内外学者检索中英文文献。致力于提供最便捷和优质的服务体验。 Copyright © 2023 布克学术 All rights reserved.
京ICP备2023020795号-1
ghs 京公网安备 11010802042870号
Book学术文献互助
Book学术文献互助群
群 号:604180095
Book学术官方微信