基于氧化物tft的柔性基板智能电容传感系统

IF 1.4 4区 工程技术 Q4 COMPUTER SCIENCE, HARDWARE & ARCHITECTURE
Suyash Shrivastava, Pydi Ganga Bahubalindruni, Nishtha Kansal, Pedro Barquinha
{"title":"基于氧化物tft的柔性基板智能电容传感系统","authors":"Suyash Shrivastava,&nbsp;Pydi Ganga Bahubalindruni,&nbsp;Nishtha Kansal,&nbsp;Pedro Barquinha","doi":"10.1007/s10470-025-02437-6","DOIUrl":null,"url":null,"abstract":"<div><p>This paper presents a novel smart capacitance sensing/detection system using amorphous indium-gallium-zinc oxide (a-IGZO) thin-film transistor (TFT) technology. Proposed system and the individual blocks have been fabricated on a 30 <span>\\(\\mu\\)</span>m thick flexible polyimide substrate. This system employs a C–V converter and a bootstrapped pseudo CMOS based latched comparator. Individual circuits and full system have been characterized from measurements under normal ambient conditions at a supply voltage (<span>\\(V_{DD}\\)</span>) of 4 <span>\\(\\textrm{V}\\)</span>. The sensitivity of the C–V converter is 6.5 <span>\\(\\mathrm {mV/pF}\\)</span>. Comparator is showing <span>\\(f_{inmax}\\)</span> of 12 <span>\\(\\textrm{kHz}\\)</span>, power consumption of 20 <span>\\(\\mu\\)</span>W at a <span>\\(f_{clk}\\)</span> of ten times of <span>\\(f_{inmax}\\)</span>. The proposed system can detect a change in capacitance down to 5 <span>\\(\\textrm{pF}\\)</span> with a power consumption of around 20.5 <span>\\(\\mu\\)</span>W. This work finds potential applications in systems, which needs smart sensing, such as, compact wearable devices, smart packaging, and preventive healthcare by significantly reducing the risk of inhaling toxic gases present in environment, whose concentration levels can be sensed in terms of capacitance. </p></div>","PeriodicalId":7827,"journal":{"name":"Analog Integrated Circuits and Signal Processing","volume":"124 2","pages":""},"PeriodicalIF":1.4000,"publicationDate":"2025-06-12","publicationTypes":"Journal Article","fieldsOfStudy":null,"isOpenAccess":false,"openAccessPdf":"","citationCount":"0","resultStr":"{\"title\":\"Smart capacitance sensing system on flexible substrate using oxide TFTs\",\"authors\":\"Suyash Shrivastava,&nbsp;Pydi Ganga Bahubalindruni,&nbsp;Nishtha Kansal,&nbsp;Pedro Barquinha\",\"doi\":\"10.1007/s10470-025-02437-6\",\"DOIUrl\":null,\"url\":null,\"abstract\":\"<div><p>This paper presents a novel smart capacitance sensing/detection system using amorphous indium-gallium-zinc oxide (a-IGZO) thin-film transistor (TFT) technology. Proposed system and the individual blocks have been fabricated on a 30 <span>\\\\(\\\\mu\\\\)</span>m thick flexible polyimide substrate. This system employs a C–V converter and a bootstrapped pseudo CMOS based latched comparator. Individual circuits and full system have been characterized from measurements under normal ambient conditions at a supply voltage (<span>\\\\(V_{DD}\\\\)</span>) of 4 <span>\\\\(\\\\textrm{V}\\\\)</span>. The sensitivity of the C–V converter is 6.5 <span>\\\\(\\\\mathrm {mV/pF}\\\\)</span>. Comparator is showing <span>\\\\(f_{inmax}\\\\)</span> of 12 <span>\\\\(\\\\textrm{kHz}\\\\)</span>, power consumption of 20 <span>\\\\(\\\\mu\\\\)</span>W at a <span>\\\\(f_{clk}\\\\)</span> of ten times of <span>\\\\(f_{inmax}\\\\)</span>. The proposed system can detect a change in capacitance down to 5 <span>\\\\(\\\\textrm{pF}\\\\)</span> with a power consumption of around 20.5 <span>\\\\(\\\\mu\\\\)</span>W. This work finds potential applications in systems, which needs smart sensing, such as, compact wearable devices, smart packaging, and preventive healthcare by significantly reducing the risk of inhaling toxic gases present in environment, whose concentration levels can be sensed in terms of capacitance. </p></div>\",\"PeriodicalId\":7827,\"journal\":{\"name\":\"Analog Integrated Circuits and Signal Processing\",\"volume\":\"124 2\",\"pages\":\"\"},\"PeriodicalIF\":1.4000,\"publicationDate\":\"2025-06-12\",\"publicationTypes\":\"Journal Article\",\"fieldsOfStudy\":null,\"isOpenAccess\":false,\"openAccessPdf\":\"\",\"citationCount\":\"0\",\"resultStr\":null,\"platform\":\"Semanticscholar\",\"paperid\":null,\"PeriodicalName\":\"Analog Integrated Circuits and Signal Processing\",\"FirstCategoryId\":\"5\",\"ListUrlMain\":\"https://link.springer.com/article/10.1007/s10470-025-02437-6\",\"RegionNum\":4,\"RegionCategory\":\"工程技术\",\"ArticlePicture\":[],\"TitleCN\":null,\"AbstractTextCN\":null,\"PMCID\":null,\"EPubDate\":\"\",\"PubModel\":\"\",\"JCR\":\"Q4\",\"JCRName\":\"COMPUTER SCIENCE, HARDWARE & ARCHITECTURE\",\"Score\":null,\"Total\":0}","platform":"Semanticscholar","paperid":null,"PeriodicalName":"Analog Integrated Circuits and Signal Processing","FirstCategoryId":"5","ListUrlMain":"https://link.springer.com/article/10.1007/s10470-025-02437-6","RegionNum":4,"RegionCategory":"工程技术","ArticlePicture":[],"TitleCN":null,"AbstractTextCN":null,"PMCID":null,"EPubDate":"","PubModel":"","JCR":"Q4","JCRName":"COMPUTER SCIENCE, HARDWARE & ARCHITECTURE","Score":null,"Total":0}
引用次数: 0

摘要

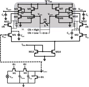
本文提出了一种基于非晶铟镓锌氧化物(a- igzo)薄膜晶体管(TFT)技术的新型智能电容传感/检测系统。所提出的系统和单个块已在30 \(\mu\) m厚的柔性聚酰亚胺基板上制造。该系统采用C-V变换器和自举式伪CMOS锁存比较器。在供电电压(\(V_{DD}\))为4 \(\textrm{V}\)的正常环境条件下,测量了单个电路和整个系统的特征。C-V变换器的灵敏度为6.5 \(\mathrm {mV/pF}\)。比较器显示\(f_{inmax}\)为12 \(\textrm{kHz}\),功耗为20 \(\mu\) W,是\(f_{inmax}\)的\(f_{clk}\)十倍。所提出的系统可以检测到电容的变化,低至5 \(\textrm{pF}\),功耗约为20.5 \(\mu\) W.这项工作发现了需要智能传感的系统的潜在应用,例如,紧凑的可穿戴设备,智能包装和预防性医疗保健,通过显着降低吸入环境中存在的有毒气体的风险,其浓度水平可以通过电容来感知。
本文章由计算机程序翻译,如有差异,请以英文原文为准。

Smart capacitance sensing system on flexible substrate using oxide TFTs

Smart capacitance sensing system on flexible substrate using oxide TFTs

This paper presents a novel smart capacitance sensing/detection system using amorphous indium-gallium-zinc oxide (a-IGZO) thin-film transistor (TFT) technology. Proposed system and the individual blocks have been fabricated on a 30 \(\mu\)m thick flexible polyimide substrate. This system employs a C–V converter and a bootstrapped pseudo CMOS based latched comparator. Individual circuits and full system have been characterized from measurements under normal ambient conditions at a supply voltage (\(V_{DD}\)) of 4 \(\textrm{V}\). The sensitivity of the C–V converter is 6.5 \(\mathrm {mV/pF}\). Comparator is showing \(f_{inmax}\) of 12 \(\textrm{kHz}\), power consumption of 20 \(\mu\)W at a \(f_{clk}\) of ten times of \(f_{inmax}\). The proposed system can detect a change in capacitance down to 5 \(\textrm{pF}\) with a power consumption of around 20.5 \(\mu\)W. This work finds potential applications in systems, which needs smart sensing, such as, compact wearable devices, smart packaging, and preventive healthcare by significantly reducing the risk of inhaling toxic gases present in environment, whose concentration levels can be sensed in terms of capacitance.

求助全文
通过发布文献求助,成功后即可免费获取论文全文。 去求助
来源期刊
Analog Integrated Circuits and Signal Processing
Analog Integrated Circuits and Signal Processing 工程技术-工程:电子与电气
CiteScore
0.30
自引率
7.10%
发文量
141
审稿时长
7.3 months
期刊介绍: Analog Integrated Circuits and Signal Processing is an archival peer reviewed journal dedicated to the design and application of analog, radio frequency (RF), and mixed signal integrated circuits (ICs) as well as signal processing circuits and systems. It features both new research results and tutorial views and reflects the large volume of cutting-edge research activity in the worldwide field today. A partial list of topics includes analog and mixed signal interface circuits and systems; analog and RFIC design; data converters; active-RC, switched-capacitor, and continuous-time integrated filters; mixed analog/digital VLSI systems; wireless radio transceivers; clock and data recovery circuits; and high speed optoelectronic circuits and systems.
×
引用
GB/T 7714-2015
复制
MLA
复制
APA
复制
导出至
BibTeX EndNote RefMan NoteFirst NoteExpress
×
提示
您的信息不完整,为了账户安全,请先补充。
现在去补充
×
提示
您因"违规操作"
具体请查看互助需知
我知道了
×
提示
确定
请完成安全验证×
copy
已复制链接
快去分享给好友吧!
我知道了
右上角分享
点击右上角分享
0
联系我们:info@booksci.cn Book学术提供免费学术资源搜索服务,方便国内外学者检索中英文文献。致力于提供最便捷和优质的服务体验。 Copyright © 2023 布克学术 All rights reserved.
京ICP备2023020795号-1
ghs 京公网安备 11010802042870号
Book学术文献互助
Book学术文献互助群
群 号:604180095
Book学术官方微信