双脉冲激光诊断的激光触发系统

IF 0.9 Q4 OPTICS
S. M. Bobrovnikov, E. V. Gorlov, V. I. Zharkov, N. G. Zaitsev
{"title":"双脉冲激光诊断的激光触发系统","authors":"S. M. Bobrovnikov,&nbsp;E. V. Gorlov,&nbsp;V. I. Zharkov,&nbsp;N. G. Zaitsev","doi":"10.1134/S1024856025700356","DOIUrl":null,"url":null,"abstract":"<p>The two-pulse synchronous excitation technique used for remote laser diagnostics of matter is of great interest, since it significantly expands the capabilities of traditional methods of single-pulse laser action. However, the practical implementation of the technique requires strict synchronization of the times of sending laser pulses and automated control of their time positions. The two-pulse excitation scheme needs in more complex equipment. Standard laser triggering and control tools are expensive, cumbersome, and not always applicable. The paper describes a specialized laser triggering system capable of recording the shape and position of excitation pulses and their displaying on a single time scale. The structural diagram and technical characteristics of the system are presented; an example of its operation as a component of a research setup for remote laser detection of organophosphorus compounds by the two-pulse LF/LIF laser fragmentation technique is given. The developed synchronization system can be used in optical diagnostics, where synchronous action of two or more independent laser sources is required, to set and control the time delay between laser pulses.</p>","PeriodicalId":46751,"journal":{"name":"Atmospheric and Oceanic Optics","volume":"38 4","pages":"492 - 497"},"PeriodicalIF":0.9000,"publicationDate":"2025-09-04","publicationTypes":"Journal Article","fieldsOfStudy":null,"isOpenAccess":false,"openAccessPdf":"","citationCount":"0","resultStr":"{\"title\":\"Laser Triggering System for Dual-pulse Laser Diagnostics\",\"authors\":\"S. M. Bobrovnikov,&nbsp;E. V. Gorlov,&nbsp;V. I. Zharkov,&nbsp;N. G. Zaitsev\",\"doi\":\"10.1134/S1024856025700356\",\"DOIUrl\":null,\"url\":null,\"abstract\":\"<p>The two-pulse synchronous excitation technique used for remote laser diagnostics of matter is of great interest, since it significantly expands the capabilities of traditional methods of single-pulse laser action. However, the practical implementation of the technique requires strict synchronization of the times of sending laser pulses and automated control of their time positions. The two-pulse excitation scheme needs in more complex equipment. Standard laser triggering and control tools are expensive, cumbersome, and not always applicable. The paper describes a specialized laser triggering system capable of recording the shape and position of excitation pulses and their displaying on a single time scale. The structural diagram and technical characteristics of the system are presented; an example of its operation as a component of a research setup for remote laser detection of organophosphorus compounds by the two-pulse LF/LIF laser fragmentation technique is given. The developed synchronization system can be used in optical diagnostics, where synchronous action of two or more independent laser sources is required, to set and control the time delay between laser pulses.</p>\",\"PeriodicalId\":46751,\"journal\":{\"name\":\"Atmospheric and Oceanic Optics\",\"volume\":\"38 4\",\"pages\":\"492 - 497\"},\"PeriodicalIF\":0.9000,\"publicationDate\":\"2025-09-04\",\"publicationTypes\":\"Journal Article\",\"fieldsOfStudy\":null,\"isOpenAccess\":false,\"openAccessPdf\":\"\",\"citationCount\":\"0\",\"resultStr\":null,\"platform\":\"Semanticscholar\",\"paperid\":null,\"PeriodicalName\":\"Atmospheric and Oceanic Optics\",\"FirstCategoryId\":\"1085\",\"ListUrlMain\":\"https://link.springer.com/article/10.1134/S1024856025700356\",\"RegionNum\":0,\"RegionCategory\":null,\"ArticlePicture\":[],\"TitleCN\":null,\"AbstractTextCN\":null,\"PMCID\":null,\"EPubDate\":\"\",\"PubModel\":\"\",\"JCR\":\"Q4\",\"JCRName\":\"OPTICS\",\"Score\":null,\"Total\":0}","platform":"Semanticscholar","paperid":null,"PeriodicalName":"Atmospheric and Oceanic Optics","FirstCategoryId":"1085","ListUrlMain":"https://link.springer.com/article/10.1134/S1024856025700356","RegionNum":0,"RegionCategory":null,"ArticlePicture":[],"TitleCN":null,"AbstractTextCN":null,"PMCID":null,"EPubDate":"","PubModel":"","JCR":"Q4","JCRName":"OPTICS","Score":null,"Total":0}
引用次数: 0

摘要

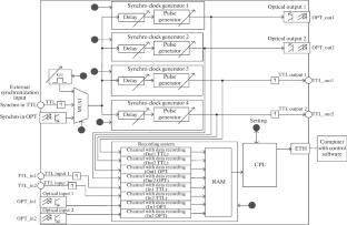
用于物质远程激光诊断的双脉冲同步激发技术引起了人们极大的兴趣,因为它大大扩展了传统单脉冲激光作用方法的能力。然而,该技术的实际实施需要激光脉冲发送时间的严格同步和时间位置的自动控制。双脉冲激励方案需要更复杂的设备。标准的激光触发和控制工具昂贵、笨重,而且并不总是适用。本文介绍了一种专用的激光触发系统,该系统能够记录激发脉冲的形状和位置,并在单一时间尺度上显示。介绍了系统的结构框图和技术特点;给出了其作为双脉冲LF/LIF激光碎裂技术远程激光检测有机磷化合物研究装置组成部分的工作实例。所开发的同步系统可用于需要两个或多个独立激光源同步作用的光学诊断,以设置和控制激光脉冲之间的时间延迟。
本文章由计算机程序翻译,如有差异,请以英文原文为准。

Laser Triggering System for Dual-pulse Laser Diagnostics

Laser Triggering System for Dual-pulse Laser Diagnostics

Laser Triggering System for Dual-pulse Laser Diagnostics

The two-pulse synchronous excitation technique used for remote laser diagnostics of matter is of great interest, since it significantly expands the capabilities of traditional methods of single-pulse laser action. However, the practical implementation of the technique requires strict synchronization of the times of sending laser pulses and automated control of their time positions. The two-pulse excitation scheme needs in more complex equipment. Standard laser triggering and control tools are expensive, cumbersome, and not always applicable. The paper describes a specialized laser triggering system capable of recording the shape and position of excitation pulses and their displaying on a single time scale. The structural diagram and technical characteristics of the system are presented; an example of its operation as a component of a research setup for remote laser detection of organophosphorus compounds by the two-pulse LF/LIF laser fragmentation technique is given. The developed synchronization system can be used in optical diagnostics, where synchronous action of two or more independent laser sources is required, to set and control the time delay between laser pulses.

求助全文
通过发布文献求助,成功后即可免费获取论文全文。 去求助
来源期刊
CiteScore
2.40
自引率
42.90%
发文量
84
期刊介绍: Atmospheric and Oceanic Optics  is an international peer reviewed journal that presents experimental and theoretical articles relevant to a wide range of problems of atmospheric and oceanic optics, ecology, and climate. The journal coverage includes: scattering and transfer of optical waves, spectroscopy of atmospheric gases, turbulent and nonlinear optical phenomena, adaptive optics, remote (ground-based, airborne, and spaceborne) sensing of the atmosphere and the surface, methods for solving of inverse problems, new equipment for optical investigations, development of computer programs and databases for optical studies. Thematic issues are devoted to the studies of atmospheric ozone, adaptive, nonlinear, and coherent optics, regional climate and environmental monitoring, and other subjects.
×
引用
GB/T 7714-2015
复制
MLA
复制
APA
复制
导出至
BibTeX EndNote RefMan NoteFirst NoteExpress
×
提示
您的信息不完整,为了账户安全,请先补充。
现在去补充
×
提示
您因"违规操作"
具体请查看互助需知
我知道了
×
提示
确定
请完成安全验证×
copy
已复制链接
快去分享给好友吧!
我知道了
右上角分享
点击右上角分享
0
联系我们:info@booksci.cn Book学术提供免费学术资源搜索服务,方便国内外学者检索中英文文献。致力于提供最便捷和优质的服务体验。 Copyright © 2023 布克学术 All rights reserved.
京ICP备2023020795号-1
ghs 京公网安备 11010802042870号
Book学术文献互助
Book学术文献互助群
群 号:604180095
Book学术官方微信