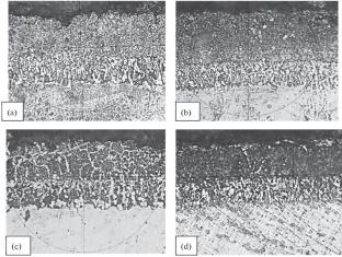
悬浮液粘度对形成的扩散涂层结构和性能的影响

IF 0.3 Q4 METALLURGY & METALLURGICAL ENGINEERING
V. G. Opokin, R. G. Ravilov, V. M. Samoilenko, V. V. Shestakov
{"title":"悬浮液粘度对形成的扩散涂层结构和性能的影响","authors":"V. G. Opokin,&nbsp;R. G. Ravilov,&nbsp;V. M. Samoilenko,&nbsp;V. V. Shestakov","doi":"10.1134/S0036029525700934","DOIUrl":null,"url":null,"abstract":"<p><b>Abstract</b>—The influence of the viscosity of a suspension on the microstructure of the formed diffusion slurry coating is studied. The boundaries of the suspension viscosity for the formation of a high-quality diffusion slurry coating are determined. The heat resistance and microhardness of the formed coatings and the influence of the suspension viscosity on the technological properties when applying on turbine blades of a gas-turbine engine are studied.</p>","PeriodicalId":769,"journal":{"name":"Russian Metallurgy (Metally)","volume":"2025 1","pages":"155 - 159"},"PeriodicalIF":0.3000,"publicationDate":"2025-08-28","publicationTypes":"Journal Article","fieldsOfStudy":null,"isOpenAccess":false,"openAccessPdf":"","citationCount":"0","resultStr":"{\"title\":\"Influence of a Suspension Viscosity on the Structure and Properties of the Formed Diffusion Coating\",\"authors\":\"V. G. Opokin,&nbsp;R. G. Ravilov,&nbsp;V. M. Samoilenko,&nbsp;V. V. Shestakov\",\"doi\":\"10.1134/S0036029525700934\",\"DOIUrl\":null,\"url\":null,\"abstract\":\"<p><b>Abstract</b>—The influence of the viscosity of a suspension on the microstructure of the formed diffusion slurry coating is studied. The boundaries of the suspension viscosity for the formation of a high-quality diffusion slurry coating are determined. The heat resistance and microhardness of the formed coatings and the influence of the suspension viscosity on the technological properties when applying on turbine blades of a gas-turbine engine are studied.</p>\",\"PeriodicalId\":769,\"journal\":{\"name\":\"Russian Metallurgy (Metally)\",\"volume\":\"2025 1\",\"pages\":\"155 - 159\"},\"PeriodicalIF\":0.3000,\"publicationDate\":\"2025-08-28\",\"publicationTypes\":\"Journal Article\",\"fieldsOfStudy\":null,\"isOpenAccess\":false,\"openAccessPdf\":\"\",\"citationCount\":\"0\",\"resultStr\":null,\"platform\":\"Semanticscholar\",\"paperid\":null,\"PeriodicalName\":\"Russian Metallurgy (Metally)\",\"FirstCategoryId\":\"5\",\"ListUrlMain\":\"https://link.springer.com/article/10.1134/S0036029525700934\",\"RegionNum\":0,\"RegionCategory\":null,\"ArticlePicture\":[],\"TitleCN\":null,\"AbstractTextCN\":null,\"PMCID\":null,\"EPubDate\":\"\",\"PubModel\":\"\",\"JCR\":\"Q4\",\"JCRName\":\"METALLURGY & METALLURGICAL ENGINEERING\",\"Score\":null,\"Total\":0}","platform":"Semanticscholar","paperid":null,"PeriodicalName":"Russian Metallurgy (Metally)","FirstCategoryId":"5","ListUrlMain":"https://link.springer.com/article/10.1134/S0036029525700934","RegionNum":0,"RegionCategory":null,"ArticlePicture":[],"TitleCN":null,"AbstractTextCN":null,"PMCID":null,"EPubDate":"","PubModel":"","JCR":"Q4","JCRName":"METALLURGY & METALLURGICAL ENGINEERING","Score":null,"Total":0}
引用次数: 0

摘要

摘要研究了悬浮液粘度对扩散浆液涂层组织的影响。确定了形成高质量扩散浆液涂层的悬浮粘度边界。研究了涂层在燃气涡轮发动机涡轮叶片上的耐热性和显微硬度,以及悬浮粘度对涂层工艺性能的影响。
本文章由计算机程序翻译,如有差异,请以英文原文为准。

Influence of a Suspension Viscosity on the Structure and Properties of the Formed Diffusion Coating

Influence of a Suspension Viscosity on the Structure and Properties of the Formed Diffusion Coating

Influence of a Suspension Viscosity on the Structure and Properties of the Formed Diffusion Coating

Abstract—The influence of the viscosity of a suspension on the microstructure of the formed diffusion slurry coating is studied. The boundaries of the suspension viscosity for the formation of a high-quality diffusion slurry coating are determined. The heat resistance and microhardness of the formed coatings and the influence of the suspension viscosity on the technological properties when applying on turbine blades of a gas-turbine engine are studied.

求助全文
通过发布文献求助,成功后即可免费获取论文全文。 去求助
来源期刊
Russian Metallurgy (Metally)
Russian Metallurgy (Metally) METALLURGY & METALLURGICAL ENGINEERING-
CiteScore
0.70
自引率
25.00%
发文量
140
期刊介绍: Russian Metallurgy (Metally)  publishes results of original experimental and theoretical research in the form of reviews and regular articles devoted to topical problems of metallurgy, physical metallurgy, and treatment of ferrous, nonferrous, rare, and other metals and alloys, intermetallic compounds, and metallic composite materials. The journal focuses on physicochemical properties of metallurgical materials (ores, slags, matters, and melts of metals and alloys); physicochemical processes (thermodynamics and kinetics of pyrometallurgical, hydrometallurgical, electrochemical, and other processes); theoretical metallurgy; metal forming; thermoplastic and thermochemical treatment; computation and experimental determination of phase diagrams and thermokinetic diagrams; mechanisms and kinetics of phase transitions in metallic materials; relations between the chemical composition, phase and structural states of materials and their physicochemical and service properties; interaction between metallic materials and external media; and effects of radiation on these materials.
×
引用
GB/T 7714-2015
复制
MLA
复制
APA
复制
导出至
BibTeX EndNote RefMan NoteFirst NoteExpress
×
提示
您的信息不完整,为了账户安全,请先补充。
现在去补充
×
提示
您因"违规操作"
具体请查看互助需知
我知道了
×
提示
确定
请完成安全验证×
copy
已复制链接
快去分享给好友吧!
我知道了
右上角分享
点击右上角分享
0
联系我们:info@booksci.cn Book学术提供免费学术资源搜索服务,方便国内外学者检索中英文文献。致力于提供最便捷和优质的服务体验。 Copyright © 2023 布克学术 All rights reserved.
京ICP备2023020795号-1
ghs 京公网安备 11010802042870号
Book学术文献互助
Book学术文献互助群
群 号:604180095
Book学术官方微信