递归调节器:非线性系统的深度学习和实时模型自适应策略。

Jinming Sun, Yanqiu Huang, Wanli Yu, Alberto Garcia-Ortiz
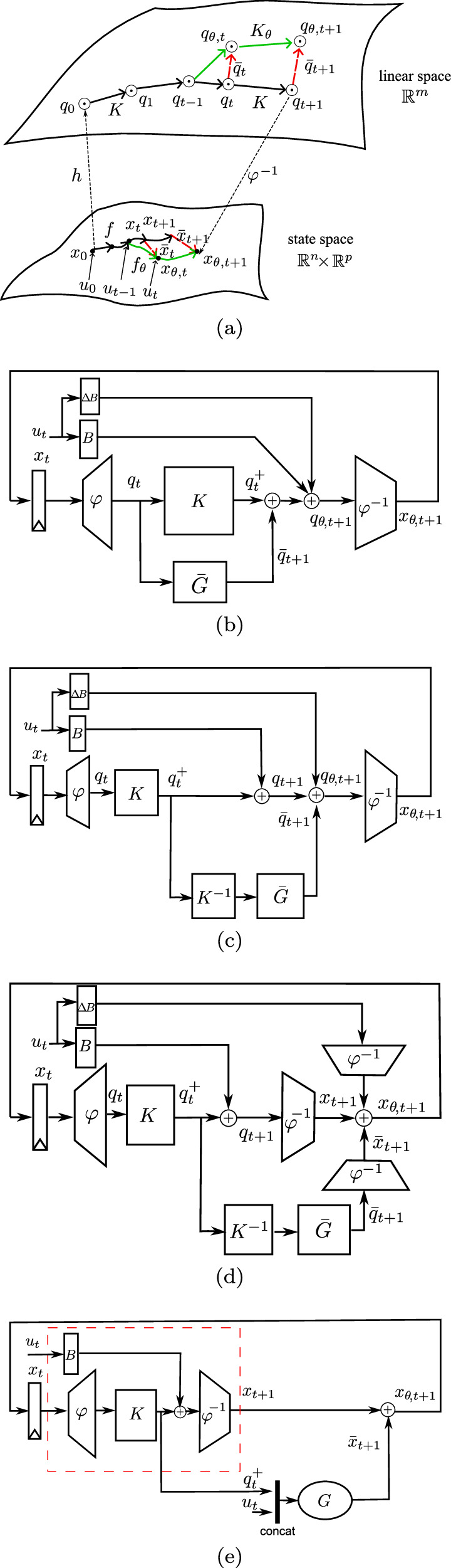
{"title":"递归调节器:非线性系统的深度学习和实时模型自适应策略。","authors":"Jinming Sun, Yanqiu Huang, Wanli Yu, Alberto Garcia-Ortiz","doi":"10.1038/s44172-025-00477-4","DOIUrl":null,"url":null,"abstract":"<p><p>Adaptive modeling is imperative for analyzing nonlinear systems deployed in natural dynamic environments. It facilitates filtering, prediction, and automatic control of the target object in real time to respond to unpredictable and non-repetitive sudden physical impairment caused by ambient impacts, such as corrosion, thermal drift, interference, etc. Existing nonlinear modeling approaches, however, are too complex for online training or fall short in rapid model recalibration under such conditions. To address this challenge, here we present a strategy that applies a regulator to the Koopman operator, enabling real-time model adaptation for nonlinear systems. In our approach, the regulator is directly implemented in nonlinear state-space without disrupting the pre-trained black-box predictor. The proposed technique demonstrates efficacy in capturing a broad spectrum of nonlinear dynamics and exhibits rapid adaptability to system changes without requiring offline retraining. Furthermore, its lightweight implementation and high-speed performance make it well-suited for embedded systems and applications demanding fast model recalibration and robustness.</p>","PeriodicalId":72644,"journal":{"name":"Communications engineering","volume":"4 1","pages":"140"},"PeriodicalIF":0.0000,"publicationDate":"2025-08-01","publicationTypes":"Journal Article","fieldsOfStudy":null,"isOpenAccess":false,"openAccessPdf":"https://www.ncbi.nlm.nih.gov/pmc/articles/PMC12316969/pdf/","citationCount":"0","resultStr":"{\"title\":\"Recursive regulator: a deep-learning and real-time model adaptation strategy for nonlinear systems.\",\"authors\":\"Jinming Sun, Yanqiu Huang, Wanli Yu, Alberto Garcia-Ortiz\",\"doi\":\"10.1038/s44172-025-00477-4\",\"DOIUrl\":null,\"url\":null,\"abstract\":\"<p><p>Adaptive modeling is imperative for analyzing nonlinear systems deployed in natural dynamic environments. It facilitates filtering, prediction, and automatic control of the target object in real time to respond to unpredictable and non-repetitive sudden physical impairment caused by ambient impacts, such as corrosion, thermal drift, interference, etc. Existing nonlinear modeling approaches, however, are too complex for online training or fall short in rapid model recalibration under such conditions. To address this challenge, here we present a strategy that applies a regulator to the Koopman operator, enabling real-time model adaptation for nonlinear systems. In our approach, the regulator is directly implemented in nonlinear state-space without disrupting the pre-trained black-box predictor. The proposed technique demonstrates efficacy in capturing a broad spectrum of nonlinear dynamics and exhibits rapid adaptability to system changes without requiring offline retraining. Furthermore, its lightweight implementation and high-speed performance make it well-suited for embedded systems and applications demanding fast model recalibration and robustness.</p>\",\"PeriodicalId\":72644,\"journal\":{\"name\":\"Communications engineering\",\"volume\":\"4 1\",\"pages\":\"140\"},\"PeriodicalIF\":0.0000,\"publicationDate\":\"2025-08-01\",\"publicationTypes\":\"Journal Article\",\"fieldsOfStudy\":null,\"isOpenAccess\":false,\"openAccessPdf\":\"https://www.ncbi.nlm.nih.gov/pmc/articles/PMC12316969/pdf/\",\"citationCount\":\"0\",\"resultStr\":null,\"platform\":\"Semanticscholar\",\"paperid\":null,\"PeriodicalName\":\"Communications engineering\",\"FirstCategoryId\":\"1085\",\"ListUrlMain\":\"https://doi.org/10.1038/s44172-025-00477-4\",\"RegionNum\":0,\"RegionCategory\":null,\"ArticlePicture\":[],\"TitleCN\":null,\"AbstractTextCN\":null,\"PMCID\":null,\"EPubDate\":\"\",\"PubModel\":\"\",\"JCR\":\"\",\"JCRName\":\"\",\"Score\":null,\"Total\":0}","platform":"Semanticscholar","paperid":null,"PeriodicalName":"Communications engineering","FirstCategoryId":"1085","ListUrlMain":"https://doi.org/10.1038/s44172-025-00477-4","RegionNum":0,"RegionCategory":null,"ArticlePicture":[],"TitleCN":null,"AbstractTextCN":null,"PMCID":null,"EPubDate":"","PubModel":"","JCR":"","JCRName":"","Score":null,"Total":0}
引用次数: 0

摘要

自适应建模对于分析部署在自然动态环境中的非线性系统是必要的。它便于对目标物体进行实时滤波、预测和自动控制,以应对环境冲击(如腐蚀、热漂移、干扰等)造成的不可预测和非重复性突发性物理损伤。然而,现有的非线性建模方法对于在线训练来说过于复杂,或者在这种情况下的快速模型再校准方面存在不足。为了应对这一挑战,我们提出了一种将调节器应用于Koopman算子的策略,使非线性系统能够实时适应模型。在我们的方法中,调节器直接在非线性状态空间中实现,而不会破坏预训练的黑盒预测器。所提出的技术在捕获广泛的非线性动力学方面表现出有效性,并且在不需要离线再培训的情况下表现出对系统变化的快速适应性。此外,其轻量级实现和高速性能使其非常适合嵌入式系统和需要快速模型重新校准和鲁棒性的应用。
本文章由计算机程序翻译,如有差异,请以英文原文为准。

Recursive regulator: a deep-learning and real-time model adaptation strategy for nonlinear systems.

Recursive regulator: a deep-learning and real-time model adaptation strategy for nonlinear systems.

Recursive regulator: a deep-learning and real-time model adaptation strategy for nonlinear systems.

Recursive regulator: a deep-learning and real-time model adaptation strategy for nonlinear systems.

Adaptive modeling is imperative for analyzing nonlinear systems deployed in natural dynamic environments. It facilitates filtering, prediction, and automatic control of the target object in real time to respond to unpredictable and non-repetitive sudden physical impairment caused by ambient impacts, such as corrosion, thermal drift, interference, etc. Existing nonlinear modeling approaches, however, are too complex for online training or fall short in rapid model recalibration under such conditions. To address this challenge, here we present a strategy that applies a regulator to the Koopman operator, enabling real-time model adaptation for nonlinear systems. In our approach, the regulator is directly implemented in nonlinear state-space without disrupting the pre-trained black-box predictor. The proposed technique demonstrates efficacy in capturing a broad spectrum of nonlinear dynamics and exhibits rapid adaptability to system changes without requiring offline retraining. Furthermore, its lightweight implementation and high-speed performance make it well-suited for embedded systems and applications demanding fast model recalibration and robustness.

求助全文
通过发布文献求助,成功后即可免费获取论文全文。 去求助
来源期刊
自引率
0.00%
发文量
0
×
引用
GB/T 7714-2015
复制
MLA
复制
APA
复制
导出至
BibTeX EndNote RefMan NoteFirst NoteExpress
×
提示
您的信息不完整,为了账户安全,请先补充。
现在去补充
×
提示
您因"违规操作"
具体请查看互助需知
我知道了
×
提示
确定
请完成安全验证×
copy
已复制链接
快去分享给好友吧!
我知道了
右上角分享
点击右上角分享
0
联系我们:info@booksci.cn Book学术提供免费学术资源搜索服务,方便国内外学者检索中英文文献。致力于提供最便捷和优质的服务体验。 Copyright © 2023 布克学术 All rights reserved.
京ICP备2023020795号-1
ghs 京公网安备 11010802042870号
Book学术文献互助
Book学术文献互助群
群 号:604180095
Book学术官方微信