海上低频风电系统传统变压器保护的适应性分析及改进

IF 2.6 4区 工程技术 Q3 ENGINEERING, ELECTRICAL & ELECTRONIC
Chenqing Wang, Shi Chen, Xinyu Wu, Yaming Ge, Xiangping Kong, Shuping Gao, Jinyu Zhou
{"title":"海上低频风电系统传统变压器保护的适应性分析及改进","authors":"Chenqing Wang,&nbsp;Shi Chen,&nbsp;Xinyu Wu,&nbsp;Yaming Ge,&nbsp;Xiangping Kong,&nbsp;Shuping Gao,&nbsp;Jinyu Zhou","doi":"10.1049/gtd2.70107","DOIUrl":null,"url":null,"abstract":"<p>Since both ends of the AC transmission and outlet lines of the offshore low-frequency transmission system are power electronic equipment, the current distortion during the fault process of the power grid may cause the adaptability of the existing protection to be reduced. The traditional ratiometric differential transformer protection method based on the second harmonic braking principle has a serious delay problem when the low-frequency operation system fails. How to improve the existing protection performance and solve the problem of protection adaptability under the offshore low-frequency wind power system is the core problem of this paper. In this paper, a zero-sequence differential protection based on phase difference is proposed for the internal grounding fault of the transformer, which has strong anti-excitation inrush current interference, and the protection criterion is the self-generated zero-sequence current and the neutral point zero-sequence current on the high-voltage side of the transformer. However, since there is no zero sequence current in the case of interphase fault, a transformer protection based on the phase difference of the negative sequence current is proposed. The offshore low-frequency wind power transmission system was built by PSCAD, and the feasibility of the protection algorithm was verified by MATLAB. The simulation results show that the proposed protection principle operates quickly and reliably no matter any fault occurs in the low-frequency transformer.</p>","PeriodicalId":13261,"journal":{"name":"Iet Generation Transmission & Distribution","volume":"19 1","pages":""},"PeriodicalIF":2.6000,"publicationDate":"2025-06-12","publicationTypes":"Journal Article","fieldsOfStudy":null,"isOpenAccess":false,"openAccessPdf":"https://onlinelibrary.wiley.com/doi/epdf/10.1049/gtd2.70107","citationCount":"0","resultStr":"{\"title\":\"Adaptability Analysis and Improvement of Traditional Transformer Protection in Offshore Low-Frequency Wind Power System\",\"authors\":\"Chenqing Wang,&nbsp;Shi Chen,&nbsp;Xinyu Wu,&nbsp;Yaming Ge,&nbsp;Xiangping Kong,&nbsp;Shuping Gao,&nbsp;Jinyu Zhou\",\"doi\":\"10.1049/gtd2.70107\",\"DOIUrl\":null,\"url\":null,\"abstract\":\"<p>Since both ends of the AC transmission and outlet lines of the offshore low-frequency transmission system are power electronic equipment, the current distortion during the fault process of the power grid may cause the adaptability of the existing protection to be reduced. The traditional ratiometric differential transformer protection method based on the second harmonic braking principle has a serious delay problem when the low-frequency operation system fails. How to improve the existing protection performance and solve the problem of protection adaptability under the offshore low-frequency wind power system is the core problem of this paper. In this paper, a zero-sequence differential protection based on phase difference is proposed for the internal grounding fault of the transformer, which has strong anti-excitation inrush current interference, and the protection criterion is the self-generated zero-sequence current and the neutral point zero-sequence current on the high-voltage side of the transformer. However, since there is no zero sequence current in the case of interphase fault, a transformer protection based on the phase difference of the negative sequence current is proposed. The offshore low-frequency wind power transmission system was built by PSCAD, and the feasibility of the protection algorithm was verified by MATLAB. The simulation results show that the proposed protection principle operates quickly and reliably no matter any fault occurs in the low-frequency transformer.</p>\",\"PeriodicalId\":13261,\"journal\":{\"name\":\"Iet Generation Transmission & Distribution\",\"volume\":\"19 1\",\"pages\":\"\"},\"PeriodicalIF\":2.6000,\"publicationDate\":\"2025-06-12\",\"publicationTypes\":\"Journal Article\",\"fieldsOfStudy\":null,\"isOpenAccess\":false,\"openAccessPdf\":\"https://onlinelibrary.wiley.com/doi/epdf/10.1049/gtd2.70107\",\"citationCount\":\"0\",\"resultStr\":null,\"platform\":\"Semanticscholar\",\"paperid\":null,\"PeriodicalName\":\"Iet Generation Transmission & Distribution\",\"FirstCategoryId\":\"5\",\"ListUrlMain\":\"https://ietresearch.onlinelibrary.wiley.com/doi/10.1049/gtd2.70107\",\"RegionNum\":4,\"RegionCategory\":\"工程技术\",\"ArticlePicture\":[],\"TitleCN\":null,\"AbstractTextCN\":null,\"PMCID\":null,\"EPubDate\":\"\",\"PubModel\":\"\",\"JCR\":\"Q3\",\"JCRName\":\"ENGINEERING, ELECTRICAL & ELECTRONIC\",\"Score\":null,\"Total\":0}","platform":"Semanticscholar","paperid":null,"PeriodicalName":"Iet Generation Transmission & Distribution","FirstCategoryId":"5","ListUrlMain":"https://ietresearch.onlinelibrary.wiley.com/doi/10.1049/gtd2.70107","RegionNum":4,"RegionCategory":"工程技术","ArticlePicture":[],"TitleCN":null,"AbstractTextCN":null,"PMCID":null,"EPubDate":"","PubModel":"","JCR":"Q3","JCRName":"ENGINEERING, ELECTRICAL & ELECTRONIC","Score":null,"Total":0}
引用次数: 0

摘要

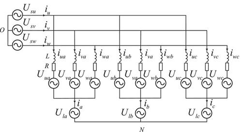
由于海上低频输电系统交流输出线两端均为电力电子设备,电网故障过程中的电流畸变可能会导致现有保护的适应性降低。传统的基于二次谐波制动原理的比率差动变压器保护方法在低频运行系统发生故障时存在严重的延时问题。如何提高现有的保护性能,解决海上低频风电系统下的保护适应性问题是本文研究的核心问题。本文针对具有较强抗励磁涌流干扰的变压器内部接地故障,提出了一种基于相位差的零序差动保护方法,保护判据为变压器高压侧自生零序电流和中性点零序电流。但由于相间故障时不存在零序电流,因此提出了一种基于负序电流相位差的变压器保护方法。利用PSCAD搭建了海上低频风电传输系统,并通过MATLAB验证了该保护算法的可行性。仿真结果表明,所提出的保护原理在低频变压器发生故障时都能快速、可靠地运行。
本文章由计算机程序翻译,如有差异,请以英文原文为准。

Adaptability Analysis and Improvement of Traditional Transformer Protection in Offshore Low-Frequency Wind Power System

Adaptability Analysis and Improvement of Traditional Transformer Protection in Offshore Low-Frequency Wind Power System

Adaptability Analysis and Improvement of Traditional Transformer Protection in Offshore Low-Frequency Wind Power System

Adaptability Analysis and Improvement of Traditional Transformer Protection in Offshore Low-Frequency Wind Power System

Adaptability Analysis and Improvement of Traditional Transformer Protection in Offshore Low-Frequency Wind Power System

Since both ends of the AC transmission and outlet lines of the offshore low-frequency transmission system are power electronic equipment, the current distortion during the fault process of the power grid may cause the adaptability of the existing protection to be reduced. The traditional ratiometric differential transformer protection method based on the second harmonic braking principle has a serious delay problem when the low-frequency operation system fails. How to improve the existing protection performance and solve the problem of protection adaptability under the offshore low-frequency wind power system is the core problem of this paper. In this paper, a zero-sequence differential protection based on phase difference is proposed for the internal grounding fault of the transformer, which has strong anti-excitation inrush current interference, and the protection criterion is the self-generated zero-sequence current and the neutral point zero-sequence current on the high-voltage side of the transformer. However, since there is no zero sequence current in the case of interphase fault, a transformer protection based on the phase difference of the negative sequence current is proposed. The offshore low-frequency wind power transmission system was built by PSCAD, and the feasibility of the protection algorithm was verified by MATLAB. The simulation results show that the proposed protection principle operates quickly and reliably no matter any fault occurs in the low-frequency transformer.

求助全文
通过发布文献求助,成功后即可免费获取论文全文。 去求助
来源期刊
Iet Generation Transmission & Distribution
Iet Generation Transmission & Distribution 工程技术-工程:电子与电气
CiteScore
6.10
自引率
12.00%
发文量
301
审稿时长
5.4 months
期刊介绍: IET Generation, Transmission & Distribution is intended as a forum for the publication and discussion of current practice and future developments in electric power generation, transmission and distribution. Practical papers in which examples of good present practice can be described and disseminated are particularly sought. Papers of high technical merit relying on mathematical arguments and computation will be considered, but authors are asked to relegate, as far as possible, the details of analysis to an appendix. The scope of IET Generation, Transmission & Distribution includes the following: Design of transmission and distribution systems Operation and control of power generation Power system management, planning and economics Power system operation, protection and control Power system measurement and modelling Computer applications and computational intelligence in power flexible AC or DC transmission systems Special Issues. Current Call for papers: Next Generation of Synchrophasor-based Power System Monitoring, Operation and Control - https://digital-library.theiet.org/files/IET_GTD_CFP_NGSPSMOC.pdf
×
引用
GB/T 7714-2015
复制
MLA
复制
APA
复制
导出至
BibTeX EndNote RefMan NoteFirst NoteExpress
×
提示
您的信息不完整,为了账户安全,请先补充。
现在去补充
×
提示
您因"违规操作"
具体请查看互助需知
我知道了
×
提示
确定
请完成安全验证×
copy
已复制链接
快去分享给好友吧!
我知道了
右上角分享
点击右上角分享
0
联系我们:info@booksci.cn Book学术提供免费学术资源搜索服务,方便国内外学者检索中英文文献。致力于提供最便捷和优质的服务体验。 Copyright © 2023 布克学术 All rights reserved.
京ICP备2023020795号-1
ghs 京公网安备 11010802042870号
Book学术文献互助
Book学术文献互助群
群 号:604180095
Book学术官方微信