耳蜗植入术中使用听神经刺激器评估耳蜗神经功能。

IF 1.8 Q1 AUDIOLOGY & SPEECH-LANGUAGE PATHOLOGY
Karin Hallin, Nadine Schart-Morén
{"title":"耳蜗植入术中使用听神经刺激器评估耳蜗神经功能。","authors":"Karin Hallin, Nadine Schart-Morén","doi":"10.3390/audiolres15020036","DOIUrl":null,"url":null,"abstract":"<p><strong>Background/objectives: </strong>A crucial factor for a successful cochlear implant (CI) outcome is an intact auditory nerve (AN). The integrity of the AN can be tested during implantation by measuring electrical auditory brainstem responses (eABR) via the CI. A method that does not require a CI is the use of the auditory nerve test stimulator (ANTS) from MED-EL (Innsbruck, Austria). The aim of the current study was to investigate the cases tested with the ANTS at our clinic and to describe the hearing results following CI for the cases who were implanted with a CI.</p><p><strong>Methods: </strong>All patients underwent preoperative magnetic resonance imaging (MRI) and high-resolution computed tomography (HRCT) to rule out cochlear malformation or retrocochlear pathology. In this study, we described all cases from when we began using the ANTS in 2011.</p><p><strong>Results: </strong>Five patients were tested intraoperatively: three adults with long-term deafness prior to CI and two children with no detectable AN. Three of the five patients were implanted with a CI. All implanted patients in this study could hear with their CIs, even though the speech perception results were limited.</p><p><strong>Conclusions: </strong>The ANTS can be used as a method to assess cochlear nerve function during implantation. The eABR results from the ANTS and the implanted CI were comparable for all cases in our study. Minor changes in waveform latencies were found between ANTS and CI stimulation and may be explained by the insertion depth of the electrode used for stimulation.</p>","PeriodicalId":44133,"journal":{"name":"Audiology Research","volume":"15 2","pages":""},"PeriodicalIF":1.8000,"publicationDate":"2025-04-01","publicationTypes":"Journal Article","fieldsOfStudy":null,"isOpenAccess":false,"openAccessPdf":"https://www.ncbi.nlm.nih.gov/pmc/articles/PMC12024328/pdf/","citationCount":"0","resultStr":"{\"title\":\"Intraoperative Assessment of Cochlear Nerve Function During Cochlear Implantation Using the Auditory Nerve Test Stimulator.\",\"authors\":\"Karin Hallin, Nadine Schart-Morén\",\"doi\":\"10.3390/audiolres15020036\",\"DOIUrl\":null,\"url\":null,\"abstract\":\"<p><strong>Background/objectives: </strong>A crucial factor for a successful cochlear implant (CI) outcome is an intact auditory nerve (AN). The integrity of the AN can be tested during implantation by measuring electrical auditory brainstem responses (eABR) via the CI. A method that does not require a CI is the use of the auditory nerve test stimulator (ANTS) from MED-EL (Innsbruck, Austria). The aim of the current study was to investigate the cases tested with the ANTS at our clinic and to describe the hearing results following CI for the cases who were implanted with a CI.</p><p><strong>Methods: </strong>All patients underwent preoperative magnetic resonance imaging (MRI) and high-resolution computed tomography (HRCT) to rule out cochlear malformation or retrocochlear pathology. In this study, we described all cases from when we began using the ANTS in 2011.</p><p><strong>Results: </strong>Five patients were tested intraoperatively: three adults with long-term deafness prior to CI and two children with no detectable AN. Three of the five patients were implanted with a CI. All implanted patients in this study could hear with their CIs, even though the speech perception results were limited.</p><p><strong>Conclusions: </strong>The ANTS can be used as a method to assess cochlear nerve function during implantation. The eABR results from the ANTS and the implanted CI were comparable for all cases in our study. Minor changes in waveform latencies were found between ANTS and CI stimulation and may be explained by the insertion depth of the electrode used for stimulation.</p>\",\"PeriodicalId\":44133,\"journal\":{\"name\":\"Audiology Research\",\"volume\":\"15 2\",\"pages\":\"\"},\"PeriodicalIF\":1.8000,\"publicationDate\":\"2025-04-01\",\"publicationTypes\":\"Journal Article\",\"fieldsOfStudy\":null,\"isOpenAccess\":false,\"openAccessPdf\":\"https://www.ncbi.nlm.nih.gov/pmc/articles/PMC12024328/pdf/\",\"citationCount\":\"0\",\"resultStr\":null,\"platform\":\"Semanticscholar\",\"paperid\":null,\"PeriodicalName\":\"Audiology Research\",\"FirstCategoryId\":\"1085\",\"ListUrlMain\":\"https://doi.org/10.3390/audiolres15020036\",\"RegionNum\":0,\"RegionCategory\":null,\"ArticlePicture\":[],\"TitleCN\":null,\"AbstractTextCN\":null,\"PMCID\":null,\"EPubDate\":\"\",\"PubModel\":\"\",\"JCR\":\"Q1\",\"JCRName\":\"AUDIOLOGY & SPEECH-LANGUAGE PATHOLOGY\",\"Score\":null,\"Total\":0}","platform":"Semanticscholar","paperid":null,"PeriodicalName":"Audiology Research","FirstCategoryId":"1085","ListUrlMain":"https://doi.org/10.3390/audiolres15020036","RegionNum":0,"RegionCategory":null,"ArticlePicture":[],"TitleCN":null,"AbstractTextCN":null,"PMCID":null,"EPubDate":"","PubModel":"","JCR":"Q1","JCRName":"AUDIOLOGY & SPEECH-LANGUAGE PATHOLOGY","Score":null,"Total":0}
引用次数: 0

摘要

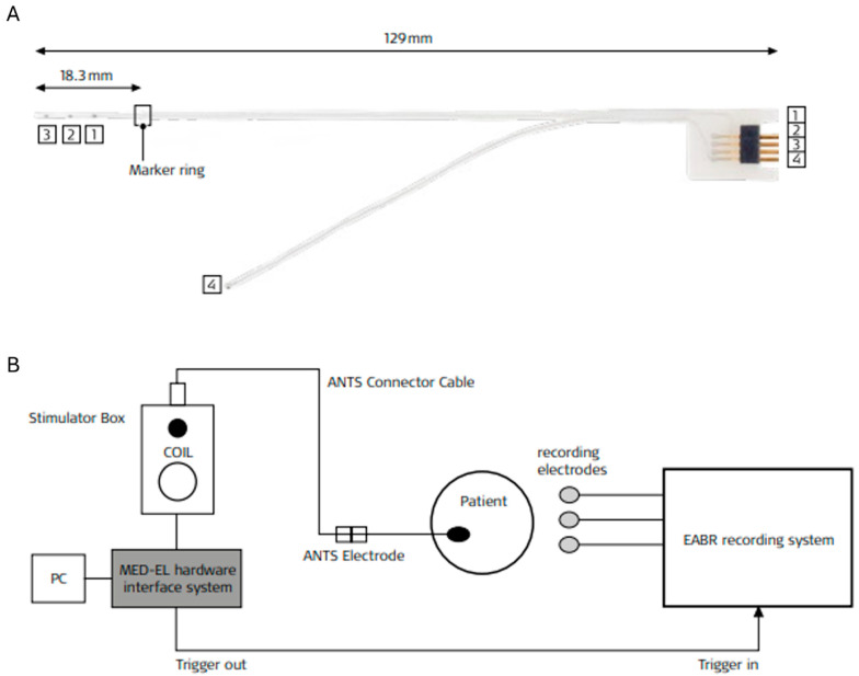
背景/目的:耳蜗植入(CI)成功的关键因素是完整的听神经(an)。在植入过程中,可以通过CI测量脑干电听觉反应(eABR)来测试AN的完整性。一种不需要CI的方法是使用MED-EL (Innsbruck, Austria)的听神经测试刺激器(ANTS)。本研究的目的是调查在我们诊所使用人工耳蜗的病例,并描述植入人工耳蜗的病例在人工耳蜗植入后的听力结果。方法:所有患者术前均行磁共振成像(MRI)和高分辨率计算机断层扫描(HRCT)检查,排除耳蜗畸形或耳蜗后病理。在这项研究中,我们描述了自2011年开始使用ANTS以来的所有病例。结果:5例患者术中检测:3例CI前长期耳聋的成人和2例未检测到AN的儿童。5名患者中有3名植入了CI。本研究中所有植入的患者都能听到他们的CIs,尽管语音感知结果有限。结论:人工耳蜗植入术中人工耳蜗神经功能可作为一种评价耳蜗神经功能的方法。在我们研究的所有病例中,ANTS和植入CI的eABR结果具有可比性。在ANTS和CI刺激之间发现了波形潜伏期的微小变化,这可以用用于刺激的电极的插入深度来解释。
本文章由计算机程序翻译,如有差异,请以英文原文为准。

Intraoperative Assessment of Cochlear Nerve Function During Cochlear Implantation Using the Auditory Nerve Test Stimulator.

Intraoperative Assessment of Cochlear Nerve Function During Cochlear Implantation Using the Auditory Nerve Test Stimulator.

Intraoperative Assessment of Cochlear Nerve Function During Cochlear Implantation Using the Auditory Nerve Test Stimulator.

Intraoperative Assessment of Cochlear Nerve Function During Cochlear Implantation Using the Auditory Nerve Test Stimulator.

Background/objectives: A crucial factor for a successful cochlear implant (CI) outcome is an intact auditory nerve (AN). The integrity of the AN can be tested during implantation by measuring electrical auditory brainstem responses (eABR) via the CI. A method that does not require a CI is the use of the auditory nerve test stimulator (ANTS) from MED-EL (Innsbruck, Austria). The aim of the current study was to investigate the cases tested with the ANTS at our clinic and to describe the hearing results following CI for the cases who were implanted with a CI.

Methods: All patients underwent preoperative magnetic resonance imaging (MRI) and high-resolution computed tomography (HRCT) to rule out cochlear malformation or retrocochlear pathology. In this study, we described all cases from when we began using the ANTS in 2011.

Results: Five patients were tested intraoperatively: three adults with long-term deafness prior to CI and two children with no detectable AN. Three of the five patients were implanted with a CI. All implanted patients in this study could hear with their CIs, even though the speech perception results were limited.

Conclusions: The ANTS can be used as a method to assess cochlear nerve function during implantation. The eABR results from the ANTS and the implanted CI were comparable for all cases in our study. Minor changes in waveform latencies were found between ANTS and CI stimulation and may be explained by the insertion depth of the electrode used for stimulation.

求助全文
通过发布文献求助,成功后即可免费获取论文全文。 去求助
来源期刊
Audiology Research
Audiology Research AUDIOLOGY & SPEECH-LANGUAGE PATHOLOGY-
CiteScore
2.30
自引率
23.50%
发文量
56
审稿时长
11 weeks
期刊介绍: The mission of Audiology Research is to publish contemporary, ethical, clinically relevant scientific researches related to the basic science and clinical aspects of the auditory and vestibular system and diseases of the ear that can be used by clinicians, scientists and specialists to improve understanding and treatment of patients with audiological and neurotological disorders.
×
引用
GB/T 7714-2015
复制
MLA
复制
APA
复制
导出至
BibTeX EndNote RefMan NoteFirst NoteExpress
×
提示
您的信息不完整,为了账户安全,请先补充。
现在去补充
×
提示
您因"违规操作"
具体请查看互助需知
我知道了
×
提示
确定
请完成安全验证×
copy
已复制链接
快去分享给好友吧!
我知道了
右上角分享
点击右上角分享
0
联系我们:info@booksci.cn Book学术提供免费学术资源搜索服务,方便国内外学者检索中英文文献。致力于提供最便捷和优质的服务体验。 Copyright © 2023 布克学术 All rights reserved.
京ICP备2023020795号-1
ghs 京公网安备 11010802042870号
Book学术文献互助
Book学术文献互助群
群 号:604180095
Book学术官方微信