超临界流体技术制备基于热不相容聚合物的纳米复合材料

IF 0.5 4区 物理与天体物理 Q4 MECHANICS
I. Sh. Khabriev, V. F. Khairutdinov, L. Yu. Yarullin, F. M. Gumerov, L. Yu. Sabirova
{"title":"超临界流体技术制备基于热不相容聚合物的纳米复合材料","authors":"I. Sh. Khabriev,&nbsp;V. F. Khairutdinov,&nbsp;L. Yu. Yarullin,&nbsp;F. M. Gumerov,&nbsp;L. Yu. Sabirova","doi":"10.1134/S1028335825700053","DOIUrl":null,"url":null,"abstract":"<p>The results of an experimental study of the swelling of SEVA-113 and polycarbonate polymers in supercritical carbon dioxide are presented. The effects of temperature and pressure on the character of swelling of the selected polymers in supercritical carbon dioxide has been established. The results of joint dispersion of polymer mixtures of EVA and polycarbonate are presented.</p>","PeriodicalId":533,"journal":{"name":"Doklady Physics","volume":"69 1-3","pages":"12 - 15"},"PeriodicalIF":0.5000,"publicationDate":"2025-05-04","publicationTypes":"Journal Article","fieldsOfStudy":null,"isOpenAccess":false,"openAccessPdf":"","citationCount":"0","resultStr":"{\"title\":\"Obtaining Nanocomposition Materials Based on Thermodynamically Incompatible Polymers Using Supercritical Fluid Technologies\",\"authors\":\"I. Sh. Khabriev,&nbsp;V. F. Khairutdinov,&nbsp;L. Yu. Yarullin,&nbsp;F. M. Gumerov,&nbsp;L. Yu. Sabirova\",\"doi\":\"10.1134/S1028335825700053\",\"DOIUrl\":null,\"url\":null,\"abstract\":\"<p>The results of an experimental study of the swelling of SEVA-113 and polycarbonate polymers in supercritical carbon dioxide are presented. The effects of temperature and pressure on the character of swelling of the selected polymers in supercritical carbon dioxide has been established. The results of joint dispersion of polymer mixtures of EVA and polycarbonate are presented.</p>\",\"PeriodicalId\":533,\"journal\":{\"name\":\"Doklady Physics\",\"volume\":\"69 1-3\",\"pages\":\"12 - 15\"},\"PeriodicalIF\":0.5000,\"publicationDate\":\"2025-05-04\",\"publicationTypes\":\"Journal Article\",\"fieldsOfStudy\":null,\"isOpenAccess\":false,\"openAccessPdf\":\"\",\"citationCount\":\"0\",\"resultStr\":null,\"platform\":\"Semanticscholar\",\"paperid\":null,\"PeriodicalName\":\"Doklady Physics\",\"FirstCategoryId\":\"101\",\"ListUrlMain\":\"https://link.springer.com/article/10.1134/S1028335825700053\",\"RegionNum\":4,\"RegionCategory\":\"物理与天体物理\",\"ArticlePicture\":[],\"TitleCN\":null,\"AbstractTextCN\":null,\"PMCID\":null,\"EPubDate\":\"\",\"PubModel\":\"\",\"JCR\":\"Q4\",\"JCRName\":\"MECHANICS\",\"Score\":null,\"Total\":0}","platform":"Semanticscholar","paperid":null,"PeriodicalName":"Doklady Physics","FirstCategoryId":"101","ListUrlMain":"https://link.springer.com/article/10.1134/S1028335825700053","RegionNum":4,"RegionCategory":"物理与天体物理","ArticlePicture":[],"TitleCN":null,"AbstractTextCN":null,"PMCID":null,"EPubDate":"","PubModel":"","JCR":"Q4","JCRName":"MECHANICS","Score":null,"Total":0}
引用次数: 0

摘要

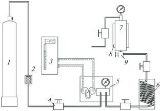
本文介绍了SEVA-113和聚碳酸酯聚合物在超临界二氧化碳中的溶胀实验研究结果。研究了温度和压力对所选聚合物在超临界二氧化碳中的溶胀特性的影响。介绍了EVA与聚碳酸酯共混聚合物的联合分散实验结果。
本文章由计算机程序翻译,如有差异,请以英文原文为准。

Obtaining Nanocomposition Materials Based on Thermodynamically Incompatible Polymers Using Supercritical Fluid Technologies

Obtaining Nanocomposition Materials Based on Thermodynamically Incompatible Polymers Using Supercritical Fluid Technologies

The results of an experimental study of the swelling of SEVA-113 and polycarbonate polymers in supercritical carbon dioxide are presented. The effects of temperature and pressure on the character of swelling of the selected polymers in supercritical carbon dioxide has been established. The results of joint dispersion of polymer mixtures of EVA and polycarbonate are presented.

求助全文
通过发布文献求助,成功后即可免费获取论文全文。 去求助
来源期刊
Doklady Physics
Doklady Physics 物理-力学
CiteScore
1.40
自引率
12.50%
发文量
12
审稿时长
4-8 weeks
期刊介绍: Doklady Physics is a journal that publishes new research in physics of great significance. Initially the journal was a forum of the Russian Academy of Science and published only best contributions from Russia in the form of short articles. Now the journal welcomes submissions from any country in the English or Russian language. Every manuscript must be recommended by Russian or foreign members of the Russian Academy of Sciences.
×
引用
GB/T 7714-2015
复制
MLA
复制
APA
复制
导出至
BibTeX EndNote RefMan NoteFirst NoteExpress
×
提示
您的信息不完整,为了账户安全,请先补充。
现在去补充
×
提示
您因"违规操作"
具体请查看互助需知
我知道了
×
提示
确定
请完成安全验证×
copy
已复制链接
快去分享给好友吧!
我知道了
右上角分享
点击右上角分享
0
联系我们:info@booksci.cn Book学术提供免费学术资源搜索服务,方便国内外学者检索中英文文献。致力于提供最便捷和优质的服务体验。 Copyright © 2023 布克学术 All rights reserved.
京ICP备2023020795号-1
ghs 京公网安备 11010802042870号
Book学术文献互助
Book学术文献互助群
群 号:604180095
Book学术官方微信