Experimentally validated predictive dual parametric fractional-order tuning approaches for time delayed chemical processes

IF 6.3 3区 工程技术 Q1 ENGINEERING, CHEMICAL
Prabir Singha , Dipjyoti Das , Rammurti Meena , Sudipta Chakraborty
{"title":"Experimentally validated predictive dual parametric fractional-order tuning approaches for time delayed chemical processes","authors":"Prabir Singha ,&nbsp;Dipjyoti Das ,&nbsp;Rammurti Meena ,&nbsp;Sudipta Chakraborty","doi":"10.1016/j.jtice.2025.106463","DOIUrl":null,"url":null,"abstract":"<div><div>Designing effective controllers for integrating processes with significant time delays remains a challenging task, as conventional control strategies often struggle to maintain stability and performance. To address this, the present work proposes a fractional-order tilt/ tilt-integral–tilt-derivative (FO-T/TI–FO-TD) control framework, built upon the Smith-predictor structure, for both time-delayed integrating and stable chemical processes. The proposed architecture consists of a primary controller for set-point tracking and a secondary controller for load disturbance rejection. The controller gains are determined analytically using stability margins and maximum sensitivity (<span><math><msub><mrow><mi>M</mi></mrow><mrow><mi>s</mi></mrow></msub></math></span>) criteria. The effectiveness of the design is evaluated using several benchmark chemical process models, including robustness tests with a 20% perturbation in plant parameters. The results demonstrate improved servo performance and disturbance rejection, with the added advantage of requiring only two tuning parameters. Furthermore, the proposed scheme is validated in real time on a two-tank level control system, confirming its practical applicability.</div></div>","PeriodicalId":381,"journal":{"name":"Journal of the Taiwan Institute of Chemical Engineers","volume":"180 ","pages":"Article 106463"},"PeriodicalIF":6.3000,"publicationDate":"2025-10-10","publicationTypes":"Journal Article","fieldsOfStudy":null,"isOpenAccess":false,"openAccessPdf":"","citationCount":"0","resultStr":null,"platform":"Semanticscholar","paperid":null,"PeriodicalName":"Journal of the Taiwan Institute of Chemical Engineers","FirstCategoryId":"5","ListUrlMain":"https://www.sciencedirect.com/science/article/pii/S1876107025005140","RegionNum":3,"RegionCategory":"工程技术","ArticlePicture":[],"TitleCN":null,"AbstractTextCN":null,"PMCID":null,"EPubDate":"","PubModel":"","JCR":"Q1","JCRName":"ENGINEERING, CHEMICAL","Score":null,"Total":0}
引用次数: 0

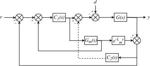
Abstract

Designing effective controllers for integrating processes with significant time delays remains a challenging task, as conventional control strategies often struggle to maintain stability and performance. To address this, the present work proposes a fractional-order tilt/ tilt-integral–tilt-derivative (FO-T/TI–FO-TD) control framework, built upon the Smith-predictor structure, for both time-delayed integrating and stable chemical processes. The proposed architecture consists of a primary controller for set-point tracking and a secondary controller for load disturbance rejection. The controller gains are determined analytically using stability margins and maximum sensitivity (Ms) criteria. The effectiveness of the design is evaluated using several benchmark chemical process models, including robustness tests with a 20% perturbation in plant parameters. The results demonstrate improved servo performance and disturbance rejection, with the added advantage of requiring only two tuning parameters. Furthermore, the proposed scheme is validated in real time on a two-tank level control system, confirming its practical applicability.

Abstract Image

实验验证了延迟化学过程的预测双参数分数阶调谐方法
设计有效的控制器来集成具有显著时间延迟的过程仍然是一项具有挑战性的任务,因为传统的控制策略往往难以保持稳定性和性能。为了解决这个问题,本工作提出了一个分数阶倾斜/倾斜-积分-倾斜-导数(FO-T/ TI-FO-TD)控制框架,建立在Smith-predictor结构的基础上,用于时滞积分和稳定的化学过程。所提出的结构由一个用于设定点跟踪的主控制器和一个用于抑制负载干扰的副控制器组成。控制器增益是用稳定裕度和最大灵敏度(Ms)标准解析确定的。设计的有效性是通过几个基准化学过程模型来评估的,包括在工厂参数中有20%扰动的鲁棒性测试。结果表明,该方法改善了伺服性能和抗干扰性,并且只需要两个调谐参数。并在双罐液位控制系统上进行了实时验证,验证了该方法的实用性。
本文章由计算机程序翻译,如有差异,请以英文原文为准。
求助全文
约1分钟内获得全文 求助全文
来源期刊
CiteScore
9.10
自引率
14.00%
发文量
362
审稿时长
35 days
期刊介绍: Journal of the Taiwan Institute of Chemical Engineers (formerly known as Journal of the Chinese Institute of Chemical Engineers) publishes original works, from fundamental principles to practical applications, in the broad field of chemical engineering with special focus on three aspects: Chemical and Biomolecular Science and Technology, Energy and Environmental Science and Technology, and Materials Science and Technology. Authors should choose for their manuscript an appropriate aspect section and a few related classifications when submitting to the journal online.
×
引用
GB/T 7714-2015
复制
MLA
复制
APA
复制
导出至
BibTeX EndNote RefMan NoteFirst NoteExpress
×
提示
您的信息不完整,为了账户安全,请先补充。
现在去补充
×
提示
您因"违规操作"
具体请查看互助需知
我知道了
×
提示
确定
请完成安全验证×
copy
已复制链接
快去分享给好友吧!
我知道了
右上角分享
点击右上角分享
0
联系我们:info@booksci.cn Book学术提供免费学术资源搜索服务,方便国内外学者检索中英文文献。致力于提供最便捷和优质的服务体验。 Copyright © 2023 布克学术 All rights reserved.
京ICP备2023020795号-1
ghs 京公网安备 11010802042870号
Book学术文献互助
Book学术文献互助群
群 号:604180095
Book学术官方微信