A battery-less hybrid in-tire pressure monitoring SOC for road vehicles using adaptive bayesian system and optimized wireless communication model

IF 1.4 4区 工程技术 Q4 COMPUTER SCIENCE, HARDWARE & ARCHITECTURE
A. Vasantharaj, N. Nandhagopal, Ramya Murugesan, O. Cyril Mathew
{"title":"A battery-less hybrid in-tire pressure monitoring SOC for road vehicles using adaptive bayesian system and optimized wireless communication model","authors":"A. Vasantharaj,&nbsp;N. Nandhagopal,&nbsp;Ramya Murugesan,&nbsp;O. Cyril Mathew","doi":"10.1007/s10470-025-02418-9","DOIUrl":null,"url":null,"abstract":"<div><p>Modern automobile battery management systems are becoming more and more susceptible to cyberattacks, which may compromise system performance, safety, and efficiency. These security risks are frequently ignored by existing tire pressure monitoring system (TPMS) solutions while preserving power efficiency. In order to address these obstacles, this study suggests a battery-free hybrid in-tire pressure monitoring system-on-chip (SoC) that combines an improved wireless communication model to improve security and power efficiency with an adaptive Bayesian system for secure data fusion. This adaptive Bayesian system estimation is utilized to fuse the multi-sensor data to minimize the uncertainty of the calculation. It enhances the system’s accuracy by reducing data redundancy. It also deals with the imprecision of sensory assessment because of the noise in the environment and feasible hardware malfunction. The wireless transmission link consists of a transmitter and receiver in the second phase. To establish the reliability of the wireless communication method, in tire data transmitter and receiver are constructed. After that, it moves on to the data connection link between the transmitter and receiver to send and receive the necessary temperature and pressure data. Improving the voltage-controlled oscillator (VCO) in the transmitter module is one way to lessen power consumption and phase noise in the PLL architecture. The major concern of this proposed battery less hybrid TPMS is to reduce the core power and effectively enhance the performance of the SoC of TPMS. The performance metrics used in this research are the measurement of fusion errors, utilization of power in pressure and temperature sensors, the transmitter phase noise and the output spectrum. Also, area, efficiency, frequency and output power are evaluated to prove the effectiveness of the proposed battery less hybrid TPMS Soc. In addition, the VCO’s efficiency, output power, phase noise, and frequency tuning range are analyzed.</p></div>","PeriodicalId":7827,"journal":{"name":"Analog Integrated Circuits and Signal Processing","volume":"124 2","pages":""},"PeriodicalIF":1.4000,"publicationDate":"2025-06-16","publicationTypes":"Journal Article","fieldsOfStudy":null,"isOpenAccess":false,"openAccessPdf":"","citationCount":"0","resultStr":null,"platform":"Semanticscholar","paperid":null,"PeriodicalName":"Analog Integrated Circuits and Signal Processing","FirstCategoryId":"5","ListUrlMain":"https://link.springer.com/article/10.1007/s10470-025-02418-9","RegionNum":4,"RegionCategory":"工程技术","ArticlePicture":[],"TitleCN":null,"AbstractTextCN":null,"PMCID":null,"EPubDate":"","PubModel":"","JCR":"Q4","JCRName":"COMPUTER SCIENCE, HARDWARE & ARCHITECTURE","Score":null,"Total":0}
引用次数: 0

Abstract

Modern automobile battery management systems are becoming more and more susceptible to cyberattacks, which may compromise system performance, safety, and efficiency. These security risks are frequently ignored by existing tire pressure monitoring system (TPMS) solutions while preserving power efficiency. In order to address these obstacles, this study suggests a battery-free hybrid in-tire pressure monitoring system-on-chip (SoC) that combines an improved wireless communication model to improve security and power efficiency with an adaptive Bayesian system for secure data fusion. This adaptive Bayesian system estimation is utilized to fuse the multi-sensor data to minimize the uncertainty of the calculation. It enhances the system’s accuracy by reducing data redundancy. It also deals with the imprecision of sensory assessment because of the noise in the environment and feasible hardware malfunction. The wireless transmission link consists of a transmitter and receiver in the second phase. To establish the reliability of the wireless communication method, in tire data transmitter and receiver are constructed. After that, it moves on to the data connection link between the transmitter and receiver to send and receive the necessary temperature and pressure data. Improving the voltage-controlled oscillator (VCO) in the transmitter module is one way to lessen power consumption and phase noise in the PLL architecture. The major concern of this proposed battery less hybrid TPMS is to reduce the core power and effectively enhance the performance of the SoC of TPMS. The performance metrics used in this research are the measurement of fusion errors, utilization of power in pressure and temperature sensors, the transmitter phase noise and the output spectrum. Also, area, efficiency, frequency and output power are evaluated to prove the effectiveness of the proposed battery less hybrid TPMS Soc. In addition, the VCO’s efficiency, output power, phase noise, and frequency tuning range are analyzed.

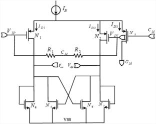
Abstract Image

一种基于自适应贝叶斯系统和优化无线通信模型的无电池混合动力道路车辆胎压监测SOC
现代汽车电池管理系统越来越容易受到网络攻击,这可能会影响系统的性能、安全性和效率。这些安全风险经常被现有的胎压监测系统(TPMS)解决方案所忽略,同时还能保持动力效率。为了解决这些问题,本研究提出了一种无电池混合胎压监测片上系统(SoC),该系统结合了改进的无线通信模型来提高安全性和功率效率,并结合了自适应贝叶斯系统来实现安全数据融合。利用自适应贝叶斯系统估计对多传感器数据进行融合,使计算的不确定性降到最低。它通过减少数据冗余来提高系统的准确性。同时还讨论了由于环境噪声和可能的硬件故障造成的感官评估不精确的问题。无线传输链路在第二阶段由发射器和接收器组成。为了建立无线通信方法的可靠性,在轮胎中构造了数据发送器和接收器。之后,它移动到发射器和接收器之间的数据连接链路,发送和接收必要的温度和压力数据。改进发射模块中的压控振荡器(VCO)是降低锁相环结构中功耗和相位噪声的一种方法。提出的无电池混合TPMS的主要关注点是降低TPMS的核心功率并有效提高其SoC的性能。本研究中使用的性能指标是测量融合误差、压力和温度传感器的功率利用率、发射机相位噪声和输出频谱。此外,还对面积、效率、频率和输出功率进行了评估,以证明所提出的无电池混合TPMS Soc的有效性。此外,还分析了压控振荡器的效率、输出功率、相位噪声和频率调谐范围。
本文章由计算机程序翻译,如有差异,请以英文原文为准。
求助全文
约1分钟内获得全文 求助全文
来源期刊
Analog Integrated Circuits and Signal Processing
Analog Integrated Circuits and Signal Processing 工程技术-工程:电子与电气
CiteScore
0.30
自引率
7.10%
发文量
141
审稿时长
7.3 months
期刊介绍: Analog Integrated Circuits and Signal Processing is an archival peer reviewed journal dedicated to the design and application of analog, radio frequency (RF), and mixed signal integrated circuits (ICs) as well as signal processing circuits and systems. It features both new research results and tutorial views and reflects the large volume of cutting-edge research activity in the worldwide field today. A partial list of topics includes analog and mixed signal interface circuits and systems; analog and RFIC design; data converters; active-RC, switched-capacitor, and continuous-time integrated filters; mixed analog/digital VLSI systems; wireless radio transceivers; clock and data recovery circuits; and high speed optoelectronic circuits and systems.
×
引用
GB/T 7714-2015
复制
MLA
复制
APA
复制
导出至
BibTeX EndNote RefMan NoteFirst NoteExpress
×
提示
您的信息不完整,为了账户安全,请先补充。
现在去补充
×
提示
您因"违规操作"
具体请查看互助需知
我知道了
×
提示
确定
请完成安全验证×
copy
已复制链接
快去分享给好友吧!
我知道了
右上角分享
点击右上角分享
0
联系我们:info@booksci.cn Book学术提供免费学术资源搜索服务,方便国内外学者检索中英文文献。致力于提供最便捷和优质的服务体验。 Copyright © 2023 布克学术 All rights reserved.
京ICP备2023020795号-1
ghs 京公网安备 11010802042870号
Book学术文献互助
Book学术文献互助群
群 号:604180095
Book学术官方微信