Design and application of high-frequency floating and grounding memristor emulator based on MOS transistor

IF 2.5 4区 工程技术 Q3 ENGINEERING, ELECTRICAL & ELECTRONIC
Bingchen Liu, Wei Li, Sihao Yang, Yuefeng He, Guangzhen Dai, Daohua Wu
{"title":"Design and application of high-frequency floating and grounding memristor emulator based on MOS transistor","authors":"Bingchen Liu,&nbsp;Wei Li,&nbsp;Sihao Yang,&nbsp;Yuefeng He,&nbsp;Guangzhen Dai,&nbsp;Daohua Wu","doi":"10.1007/s10825-025-02358-7","DOIUrl":null,"url":null,"abstract":"<div><p>There are many factors to consider when designing a memristor emulator, such as circuit structure complexity, floating or grounding, frequency range, consumption, etc. It is difficult to optimize the overall performance although emulators reported have already improved in some aspects. Therefore, a CMOS-based memristor emulator circuit is proposed. The whole circuit structure of the new one is simple. Simulations of it conducted using 130nm CMOS process parameters in the Cadence Analog Environment show distinct hysteresis loop characteristics. The experimental results of the emulator circuit built on the breadboard using commercial components keep the pitched hysteresis characteristics. The proposed one can be connected to both floating and grounding structures, and the operating frequency of the floating connection can reach 20MHz. The simulation results of the combination logic circuits and the sequential ones designed based on the new memristor emulator also demonstrate its functionality.</p></div>","PeriodicalId":620,"journal":{"name":"Journal of Computational Electronics","volume":"24 4","pages":""},"PeriodicalIF":2.5000,"publicationDate":"2025-06-20","publicationTypes":"Journal Article","fieldsOfStudy":null,"isOpenAccess":false,"openAccessPdf":"","citationCount":"0","resultStr":null,"platform":"Semanticscholar","paperid":null,"PeriodicalName":"Journal of Computational Electronics","FirstCategoryId":"5","ListUrlMain":"https://link.springer.com/article/10.1007/s10825-025-02358-7","RegionNum":4,"RegionCategory":"工程技术","ArticlePicture":[],"TitleCN":null,"AbstractTextCN":null,"PMCID":null,"EPubDate":"","PubModel":"","JCR":"Q3","JCRName":"ENGINEERING, ELECTRICAL & ELECTRONIC","Score":null,"Total":0}
引用次数: 0

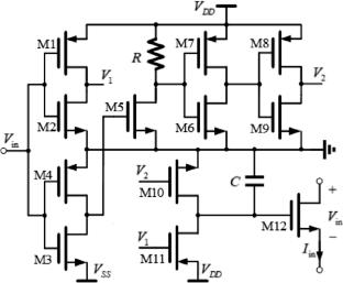
Abstract

There are many factors to consider when designing a memristor emulator, such as circuit structure complexity, floating or grounding, frequency range, consumption, etc. It is difficult to optimize the overall performance although emulators reported have already improved in some aspects. Therefore, a CMOS-based memristor emulator circuit is proposed. The whole circuit structure of the new one is simple. Simulations of it conducted using 130nm CMOS process parameters in the Cadence Analog Environment show distinct hysteresis loop characteristics. The experimental results of the emulator circuit built on the breadboard using commercial components keep the pitched hysteresis characteristics. The proposed one can be connected to both floating and grounding structures, and the operating frequency of the floating connection can reach 20MHz. The simulation results of the combination logic circuits and the sequential ones designed based on the new memristor emulator also demonstrate its functionality.

Abstract Image

基于MOS晶体管的高频浮地忆阻器仿真器的设计与应用
在设计忆阻器仿真器时需要考虑的因素很多,如电路结构的复杂性、浮置或接地、频率范围、功耗等。尽管所报道的仿真器在某些方面已经有所改进,但要优化整体性能是很困难的。为此,提出了一种基于cmos的忆阻器仿真电路。整个电路结构简单。利用130nm CMOS工艺参数在Cadence模拟环境下进行了仿真,显示出明显的磁滞回线特性。实验结果表明,采用商用元件在面包板上构建的仿真电路保持了倾斜迟滞特性。本设计既可连接浮式结构,也可连接接地结构,浮式连接工作频率可达20MHz。基于该忆阻器设计的组合逻辑电路和顺序逻辑电路的仿真结果也验证了其功能。
本文章由计算机程序翻译,如有差异,请以英文原文为准。
求助全文
约1分钟内获得全文 求助全文
来源期刊
Journal of Computational Electronics
Journal of Computational Electronics ENGINEERING, ELECTRICAL & ELECTRONIC-PHYSICS, APPLIED
CiteScore
4.50
自引率
4.80%
发文量
142
审稿时长
>12 weeks
期刊介绍: he Journal of Computational Electronics brings together research on all aspects of modeling and simulation of modern electronics. This includes optical, electronic, mechanical, and quantum mechanical aspects, as well as research on the underlying mathematical algorithms and computational details. The related areas of energy conversion/storage and of molecular and biological systems, in which the thrust is on the charge transport, electronic, mechanical, and optical properties, are also covered. In particular, we encourage manuscripts dealing with device simulation; with optical and optoelectronic systems and photonics; with energy storage (e.g. batteries, fuel cells) and harvesting (e.g. photovoltaic), with simulation of circuits, VLSI layout, logic and architecture (based on, for example, CMOS devices, quantum-cellular automata, QBITs, or single-electron transistors); with electromagnetic simulations (such as microwave electronics and components); or with molecular and biological systems. However, in all these cases, the submitted manuscripts should explicitly address the electronic properties of the relevant systems, materials, or devices and/or present novel contributions to the physical models, computational strategies, or numerical algorithms.
×
引用
GB/T 7714-2015
复制
MLA
复制
APA
复制
导出至
BibTeX EndNote RefMan NoteFirst NoteExpress
×
提示
您的信息不完整,为了账户安全,请先补充。
现在去补充
×
提示
您因"违规操作"
具体请查看互助需知
我知道了
×
提示
确定
请完成安全验证×
copy
已复制链接
快去分享给好友吧!
我知道了
右上角分享
点击右上角分享
0
联系我们:info@booksci.cn Book学术提供免费学术资源搜索服务,方便国内外学者检索中英文文献。致力于提供最便捷和优质的服务体验。 Copyright © 2023 布克学术 All rights reserved.
京ICP备2023020795号-1
ghs 京公网安备 11010802042870号
Book学术文献互助
Book学术文献互助群
群 号:604180095
Book学术官方微信