Industrial Pulsed Linear Accelerators for Radiation Treatment of Products

IF 0.4 4区 工程技术 Q4 ENGINEERING, MULTIDISCIPLINARY
V. V. Bezuglov, A. A. Bryazgin, L. A. Voronin, M. V. Korobeinikov, S. A. Maksimov, A. V. Pak, V. M. Radchenko, A. V. Sidorov, V. O. Tkachenko, E. A. Shtarklev
{"title":"Industrial Pulsed Linear Accelerators for Radiation Treatment of Products","authors":"V. V. Bezuglov,&nbsp;A. A. Bryazgin,&nbsp;L. A. Voronin,&nbsp;M. V. Korobeinikov,&nbsp;S. A. Maksimov,&nbsp;A. V. Pak,&nbsp;V. M. Radchenko,&nbsp;A. V. Sidorov,&nbsp;V. O. Tkachenko,&nbsp;E. A. Shtarklev","doi":"10.1134/S0020441224701161","DOIUrl":null,"url":null,"abstract":"<p>The design and principle of operation of ILU-series industrial electron accelerators produced by the Budker Institute of Nuclear Physics are considered using the examples of the ILU-10 accelerator with an accelerated-electron energy of 5 MeV and a mean beam power as high as 50 kW and the ILU-14 accelerator with an electron energy of up to 10 MeV and a beam power as high as 100 kW. The mechanisms of interaction between the electron beam and microbiological samples, the peculiarities of the depth profile of the absorbed dose in a substance, and the design of the electron-beam converter into bremsstrahlung are described. By using this converter, it is possible to increase the mass thickness of treated products several times compared to the electron mode. The throughput of ILU accelerators during radiation sterilization and electron pasteurization of products is estimated.</p>","PeriodicalId":587,"journal":{"name":"Instruments and Experimental Techniques","volume":"67 1","pages":"S144 - S147"},"PeriodicalIF":0.4000,"publicationDate":"2025-02-05","publicationTypes":"Journal Article","fieldsOfStudy":null,"isOpenAccess":false,"openAccessPdf":"","citationCount":"0","resultStr":null,"platform":"Semanticscholar","paperid":null,"PeriodicalName":"Instruments and Experimental Techniques","FirstCategoryId":"5","ListUrlMain":"https://link.springer.com/article/10.1134/S0020441224701161","RegionNum":4,"RegionCategory":"工程技术","ArticlePicture":[],"TitleCN":null,"AbstractTextCN":null,"PMCID":null,"EPubDate":"","PubModel":"","JCR":"Q4","JCRName":"ENGINEERING, MULTIDISCIPLINARY","Score":null,"Total":0}
引用次数: 0

Abstract

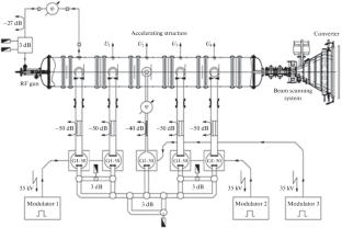
The design and principle of operation of ILU-series industrial electron accelerators produced by the Budker Institute of Nuclear Physics are considered using the examples of the ILU-10 accelerator with an accelerated-electron energy of 5 MeV and a mean beam power as high as 50 kW and the ILU-14 accelerator with an electron energy of up to 10 MeV and a beam power as high as 100 kW. The mechanisms of interaction between the electron beam and microbiological samples, the peculiarities of the depth profile of the absorbed dose in a substance, and the design of the electron-beam converter into bremsstrahlung are described. By using this converter, it is possible to increase the mass thickness of treated products several times compared to the electron mode. The throughput of ILU accelerators during radiation sterilization and electron pasteurization of products is estimated.

Abstract Image

产品辐射处理用工业脉冲直线加速器
以加速电子能量为5兆电子伏、平均束流功率高达50千瓦的ILU-10和电子能量高达10兆电子伏、束流功率高达100千瓦的ILU-14为例,对Budker核物理研究所生产的ilu系列工业电子加速器的设计和工作原理进行了探讨。介绍了电子束与微生物样品相互作用的机理、物质中吸收剂量深度分布的特点以及电子束转化为轫致辐射的设计。通过使用这种转换器,可以将处理产品的质量厚度增加几倍,而不是电子模式。在辐射灭菌和电子巴氏灭菌产品的ILU加速器的吞吐量估计。
本文章由计算机程序翻译,如有差异,请以英文原文为准。
求助全文
约1分钟内获得全文 求助全文
来源期刊
Instruments and Experimental Techniques
Instruments and Experimental Techniques 工程技术-工程:综合
CiteScore
1.20
自引率
33.30%
发文量
113
审稿时长
4-8 weeks
期刊介绍: Instruments and Experimental Techniques is an international peer reviewed journal that publishes reviews describing advanced methods for physical measurements and techniques and original articles that present techniques for physical measurements, principles of operation, design, methods of application, and analysis of the operation of physical instruments used in all fields of experimental physics and when conducting measurements using physical methods and instruments in astronomy, natural sciences, chemistry, biology, medicine, and ecology.
×
引用
GB/T 7714-2015
复制
MLA
复制
APA
复制
导出至
BibTeX EndNote RefMan NoteFirst NoteExpress
×
提示
您的信息不完整,为了账户安全,请先补充。
现在去补充
×
提示
您因"违规操作"
具体请查看互助需知
我知道了
×
提示
确定
请完成安全验证×
copy
已复制链接
快去分享给好友吧!
我知道了
右上角分享
点击右上角分享
0
联系我们:info@booksci.cn Book学术提供免费学术资源搜索服务,方便国内外学者检索中英文文献。致力于提供最便捷和优质的服务体验。 Copyright © 2023 布克学术 All rights reserved.
京ICP备2023020795号-1
ghs 京公网安备 11010802042870号
Book学术文献互助
Book学术文献互助群
群 号:604180095
Book学术官方微信