Selective Noncatalytic NOx Reduction System at MSW Energy Waste Recycling Plants in Moscow Oblast: Justification of Decisions Made

IF 1 Q4 ENERGY & FUELS
V. S. Kireenko, A. N. Tugov, V. A. Bezrukov
{"title":"Selective Noncatalytic NOx Reduction System at MSW Energy Waste Recycling Plants in Moscow Oblast: Justification of Decisions Made","authors":"V. S. Kireenko,&nbsp;A. N. Tugov,&nbsp;V. A. Bezrukov","doi":"10.1134/S0040601525700363","DOIUrl":null,"url":null,"abstract":"<p>Due to the continuous growth of municipal solid waste (MSW) volumes, their disposal with minimal negative impact on the environment is becoming a very urgent task. Thermal recycling of MSW is one of the most effective methods of their disposal because it allows not only to significantly reduce the volume of waste but also to obtain thermal and electrical energy. However, this process is accompanied by the formation of nitrogen oxides (NO<sub><i>x</i></sub>), which contribute to the formation of smog and acid rain and negatively affect the environmental situation and public health. Therefore, the reduction of NO<sub><i>x</i></sub> emissions is an important task for enterprises burning MSW with the release of electricity and heat to consumers. The article discusses selective noncatalytic reduction (SNCR) technologies used to reduce NO<sub><i>x</i></sub> emissions at factories in Moscow oblast. The rationale for key technical decisions is presented, including the choice of reducing agent (urea), transport agent (air), and the reagent-injection system through nozzles arranged in three tiers. The results of calculations of the trajectories of the urea–air mixture jets in the cross-flow of flue gases are presented, confirming the effectiveness of the proposed configuration of the reducing agent supply system. It is shown that the use of air as a transporting agent in combination with the adopted nozzle placement scheme ensures uniform distribution of the reagent in the high-temperature zone, which increases the efficiency of NO<sub><i>x</i></sub> reduction. The obtained results of the calculation studies can be used for further optimization of the SNCR system operation as well as for conducting operational tests at facilities engaged in MSW utilization.</p>","PeriodicalId":799,"journal":{"name":"Thermal Engineering","volume":"72 9","pages":"782 - 789"},"PeriodicalIF":1.0000,"publicationDate":"2025-09-16","publicationTypes":"Journal Article","fieldsOfStudy":null,"isOpenAccess":false,"openAccessPdf":"","citationCount":"0","resultStr":null,"platform":"Semanticscholar","paperid":null,"PeriodicalName":"Thermal Engineering","FirstCategoryId":"1085","ListUrlMain":"https://link.springer.com/article/10.1134/S0040601525700363","RegionNum":0,"RegionCategory":null,"ArticlePicture":[],"TitleCN":null,"AbstractTextCN":null,"PMCID":null,"EPubDate":"","PubModel":"","JCR":"Q4","JCRName":"ENERGY & FUELS","Score":null,"Total":0}
引用次数: 0

Abstract

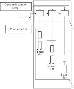
Due to the continuous growth of municipal solid waste (MSW) volumes, their disposal with minimal negative impact on the environment is becoming a very urgent task. Thermal recycling of MSW is one of the most effective methods of their disposal because it allows not only to significantly reduce the volume of waste but also to obtain thermal and electrical energy. However, this process is accompanied by the formation of nitrogen oxides (NOx), which contribute to the formation of smog and acid rain and negatively affect the environmental situation and public health. Therefore, the reduction of NOx emissions is an important task for enterprises burning MSW with the release of electricity and heat to consumers. The article discusses selective noncatalytic reduction (SNCR) technologies used to reduce NOx emissions at factories in Moscow oblast. The rationale for key technical decisions is presented, including the choice of reducing agent (urea), transport agent (air), and the reagent-injection system through nozzles arranged in three tiers. The results of calculations of the trajectories of the urea–air mixture jets in the cross-flow of flue gases are presented, confirming the effectiveness of the proposed configuration of the reducing agent supply system. It is shown that the use of air as a transporting agent in combination with the adopted nozzle placement scheme ensures uniform distribution of the reagent in the high-temperature zone, which increases the efficiency of NOx reduction. The obtained results of the calculation studies can be used for further optimization of the SNCR system operation as well as for conducting operational tests at facilities engaged in MSW utilization.

Abstract Image

Abstract Image

莫斯科州城市生活垃圾能源废物回收厂的选择性非催化NOx还原系统:所作决定的合理性
随着城市生活垃圾(MSW)数量的不断增长,如何将其对环境的负面影响降到最低已成为一项非常紧迫的任务。都市固体废物的热回收是其中一种最有效的处置方法,因为它不仅可以大大减少废物的体积,而且还可以获得热能和电能。然而,这一过程伴随着氮氧化物(NOx)的形成,氮氧化物有助于烟雾和酸雨的形成,对环境状况和公众健康产生负面影响。因此,减少氮氧化物排放是城市生活垃圾焚烧企业的一项重要任务,并向消费者释放电力和热量。本文讨论了选择性非催化还原(SNCR)技术用于减少莫斯科州工厂的氮氧化物排放。介绍了关键技术决策的基本原理,包括还原剂(尿素)、运输剂(空气)的选择,以及通过三层喷嘴的试剂注入系统。本文给出了烟气横流中尿素-空气混合射流轨迹的计算结果,证实了所提出的还原剂供给系统配置的有效性。结果表明,采用空气作为输送剂,配合所采用的喷嘴布置方案,保证了试剂在高温区分布均匀,提高了NOx还原效率。计算研究的结果可用于进一步优化SNCR系统的运行,以及在从事城市固体废物利用的设施进行运行试验。
本文章由计算机程序翻译,如有差异,请以英文原文为准。
求助全文
约1分钟内获得全文 求助全文
来源期刊
CiteScore
1.30
自引率
20.00%
发文量
94
×
引用
GB/T 7714-2015
复制
MLA
复制
APA
复制
导出至
BibTeX EndNote RefMan NoteFirst NoteExpress
×
提示
您的信息不完整,为了账户安全,请先补充。
现在去补充
×
提示
您因"违规操作"
具体请查看互助需知
我知道了
×
提示
确定
请完成安全验证×
copy
已复制链接
快去分享给好友吧!
我知道了
右上角分享
点击右上角分享
0
联系我们:info@booksci.cn Book学术提供免费学术资源搜索服务,方便国内外学者检索中英文文献。致力于提供最便捷和优质的服务体验。 Copyright © 2023 布克学术 All rights reserved.
京ICP备2023020795号-1
ghs 京公网安备 11010802042870号
Book学术文献互助
Book学术文献互助群
群 号:604180095
Book学术官方微信