Stabilization System of the High-Voltage Power Supply for the LINAC-200 Accelerator Electron Gun

IF 0.4 Q4 PHYSICS, PARTICLES & FIELDS
A. A. Ulankin, V. V. Kobets, A. E. Brukva, A. N. Trifonov, O. L. Seroshtanov
{"title":"Stabilization System of the High-Voltage Power Supply for the LINAC-200 Accelerator Electron Gun","authors":"A. A. Ulankin,&nbsp;V. V. Kobets,&nbsp;A. E. Brukva,&nbsp;A. N. Trifonov,&nbsp;O. L. Seroshtanov","doi":"10.1134/S1547477125700645","DOIUrl":null,"url":null,"abstract":"<p>The stabilization system for the high-voltage power supply of the LINAC-200 accelerator electron gun is presented. High-voltage power supply is a key component of the electron gun, providing the stable voltage required to accelerate charged particles. The instability of this source can lead to fluctuations in the electron beam and a decrease in the overall efficiency of the accelerator. The developed stabilization system is intended to minimize voltage instability, which makes it possible to enhance the accuracy and efficiency of particle acceleration in the accelerator.</p>","PeriodicalId":730,"journal":{"name":"Physics of Particles and Nuclei Letters","volume":"22 4","pages":"817 - 820"},"PeriodicalIF":0.4000,"publicationDate":"2025-08-11","publicationTypes":"Journal Article","fieldsOfStudy":null,"isOpenAccess":false,"openAccessPdf":"","citationCount":"0","resultStr":null,"platform":"Semanticscholar","paperid":null,"PeriodicalName":"Physics of Particles and Nuclei Letters","FirstCategoryId":"1085","ListUrlMain":"https://link.springer.com/article/10.1134/S1547477125700645","RegionNum":0,"RegionCategory":null,"ArticlePicture":[],"TitleCN":null,"AbstractTextCN":null,"PMCID":null,"EPubDate":"","PubModel":"","JCR":"Q4","JCRName":"PHYSICS, PARTICLES & FIELDS","Score":null,"Total":0}
引用次数: 0

Abstract

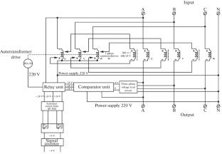
The stabilization system for the high-voltage power supply of the LINAC-200 accelerator electron gun is presented. High-voltage power supply is a key component of the electron gun, providing the stable voltage required to accelerate charged particles. The instability of this source can lead to fluctuations in the electron beam and a decrease in the overall efficiency of the accelerator. The developed stabilization system is intended to minimize voltage instability, which makes it possible to enhance the accuracy and efficiency of particle acceleration in the accelerator.

Abstract Image

Abstract Image

LINAC-200加速器电子枪高压电源稳定系统
介绍了LINAC-200加速器电子枪高压电源的稳定系统。高压电源是电子枪的关键部件,提供加速带电粒子所需的稳定电压。该源的不稳定性会导致电子束的波动和加速器整体效率的降低。所开发的稳定系统旨在最大限度地减少电压不稳定性,从而提高加速器中粒子加速的精度和效率。
本文章由计算机程序翻译,如有差异,请以英文原文为准。
求助全文
约1分钟内获得全文 求助全文
来源期刊
Physics of Particles and Nuclei Letters
Physics of Particles and Nuclei Letters PHYSICS, PARTICLES & FIELDS-
CiteScore
0.80
自引率
20.00%
发文量
108
期刊介绍: The journal Physics of Particles and Nuclei Letters, brief name Particles and Nuclei Letters, publishes the articles with results of the original theoretical, experimental, scientific-technical, methodological and applied research. Subject matter of articles covers: theoretical physics, elementary particle physics, relativistic nuclear physics, nuclear physics and related problems in other branches of physics, neutron physics, condensed matter physics, physics and engineering at low temperatures, physics and engineering of accelerators, physical experimental instruments and methods, physical computation experiments, applied research in these branches of physics and radiology, ecology and nuclear medicine.
×
引用
GB/T 7714-2015
复制
MLA
复制
APA
复制
导出至
BibTeX EndNote RefMan NoteFirst NoteExpress
×
提示
您的信息不完整,为了账户安全,请先补充。
现在去补充
×
提示
您因"违规操作"
具体请查看互助需知
我知道了
×
提示
确定
请完成安全验证×
copy
已复制链接
快去分享给好友吧!
我知道了
右上角分享
点击右上角分享
0
联系我们:info@booksci.cn Book学术提供免费学术资源搜索服务,方便国内外学者检索中英文文献。致力于提供最便捷和优质的服务体验。 Copyright © 2023 布克学术 All rights reserved.
京ICP备2023020795号-1
ghs 京公网安备 11010802042870号
Book学术文献互助
Book学术文献互助群
群 号:604180095
Book学术官方微信