Eco-Friendly Extraction of Sustainable and Valorized Value-Added Products From Ulva fasciata Macroalgae: A Holistic Technoeconomic Analysis.

IF 4.5 Q3 MATERIALS SCIENCE, BIOMATERIALS
International Journal of Biomaterials Pub Date : 2025-02-26 eCollection Date: 2025-01-01 DOI:10.1155/ijbm/5811057
Nour Sh El-Gendy, M Shaaban Sadek, Hussein N Nassar, Ahmad Mustafa
{"title":"Eco-Friendly Extraction of Sustainable and Valorized Value-Added Products From <i>Ulva fasciata</i> Macroalgae: A Holistic Technoeconomic Analysis.","authors":"Nour Sh El-Gendy, M Shaaban Sadek, Hussein N Nassar, Ahmad Mustafa","doi":"10.1155/ijbm/5811057","DOIUrl":null,"url":null,"abstract":"<p><p>The present work conducts a detailed technoeconomic analysis of an environmentally friendly zero-waste biorefinery process to valorize marine <i>Ulva fasciata</i> macroalgae into different sustainable value-added products. The proposed sequential fully integrated process yielded 34.89% mineral-rich water extract (MRWE), 2.61 ± 0.5% chlorophyll, 0.41 ± 0.05% carotenoids, 12.55 ± 1.6% starch, 3.27 ± 0.7% lipids, 22.24 ± 1.8% ulvan, 13.37 ± 1.5% proteins, and 10.66 ± 0.9% cellulose. The Aspen Plus software, utilizing the nonrandom two-liquid (NRTL) model, was applied for process design, simulation, and technoeconomic analysis. Key findings include a positive net present value (NPV) of $49,755,544.90, a high return on investment (ROI) of 485%, and an internal rate of return (IRR) of 17%. The anticipated payback period is 7 years, indicating a quick recovery of the initial investment. These findings confirm that <i>Ulva fasciata</i> is a promising resource in the biorefinery industry, providing a viable and eco-friendly alternative for the production of bio-based products and a new market for seaweed-based products.</p>","PeriodicalId":13704,"journal":{"name":"International Journal of Biomaterials","volume":"2025 ","pages":"5811057"},"PeriodicalIF":4.5000,"publicationDate":"2025-02-26","publicationTypes":"Journal Article","fieldsOfStudy":null,"isOpenAccess":false,"openAccessPdf":"https://www.ncbi.nlm.nih.gov/pmc/articles/PMC11986915/pdf/","citationCount":"0","resultStr":null,"platform":"Semanticscholar","paperid":null,"PeriodicalName":"International Journal of Biomaterials","FirstCategoryId":"1085","ListUrlMain":"https://doi.org/10.1155/ijbm/5811057","RegionNum":0,"RegionCategory":null,"ArticlePicture":[],"TitleCN":null,"AbstractTextCN":null,"PMCID":null,"EPubDate":"2025/1/1 0:00:00","PubModel":"eCollection","JCR":"Q3","JCRName":"MATERIALS SCIENCE, BIOMATERIALS","Score":null,"Total":0}
引用次数: 0

Abstract

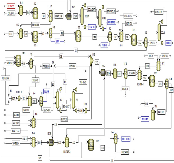
The present work conducts a detailed technoeconomic analysis of an environmentally friendly zero-waste biorefinery process to valorize marine Ulva fasciata macroalgae into different sustainable value-added products. The proposed sequential fully integrated process yielded 34.89% mineral-rich water extract (MRWE), 2.61 ± 0.5% chlorophyll, 0.41 ± 0.05% carotenoids, 12.55 ± 1.6% starch, 3.27 ± 0.7% lipids, 22.24 ± 1.8% ulvan, 13.37 ± 1.5% proteins, and 10.66 ± 0.9% cellulose. The Aspen Plus software, utilizing the nonrandom two-liquid (NRTL) model, was applied for process design, simulation, and technoeconomic analysis. Key findings include a positive net present value (NPV) of $49,755,544.90, a high return on investment (ROI) of 485%, and an internal rate of return (IRR) of 17%. The anticipated payback period is 7 years, indicating a quick recovery of the initial investment. These findings confirm that Ulva fasciata is a promising resource in the biorefinery industry, providing a viable and eco-friendly alternative for the production of bio-based products and a new market for seaweed-based products.

Abstract Image

Abstract Image

从大藻中环保提取可持续增值产品:整体技术经济分析。
本研究对一种环境友好的零废物生物炼制工艺进行了详细的技术经济分析,以将海洋大藻转化为不同的可持续增值产品。所提出的顺序完全集成工艺产生了34.89%富含矿物质的水提取物(MRWE), 2.61±0.5%叶绿素,0.41±0.05%类胡萝卜素,12.55±1.6%淀粉,3.27±0.7%脂质,22.24±1.8% ulvan, 13.37±1.5%蛋白质和10.66±0.9%纤维素。利用非随机双液(NRTL)模型的Aspen Plus软件用于工艺设计、仿真和技术经济分析。主要发现包括净现值(NPV)为49,755,544.90美元,投资回报率(ROI)高达485%,内部收益率(IRR)为17%。预计投资回收期为7年,前期投资可迅速收回。这些研究结果证实,在生物炼制行业中,海藻是一种很有前途的资源,为生物基产品的生产提供了一种可行的、环保的替代品,也为海藻基产品开辟了一个新的市场。
本文章由计算机程序翻译,如有差异,请以英文原文为准。
求助全文
约1分钟内获得全文 求助全文
来源期刊
International Journal of Biomaterials
International Journal of Biomaterials MATERIALS SCIENCE, BIOMATERIALS-
CiteScore
4.30
自引率
3.20%
发文量
50
审稿时长
21 weeks
×
引用
GB/T 7714-2015
复制
MLA
复制
APA
复制
导出至
BibTeX EndNote RefMan NoteFirst NoteExpress
×
提示
您的信息不完整,为了账户安全,请先补充。
现在去补充
×
提示
您因"违规操作"
具体请查看互助需知
我知道了
×
提示
确定
请完成安全验证×
copy
已复制链接
快去分享给好友吧!
我知道了
右上角分享
点击右上角分享
0
联系我们:info@booksci.cn Book学术提供免费学术资源搜索服务,方便国内外学者检索中英文文献。致力于提供最便捷和优质的服务体验。 Copyright © 2023 布克学术 All rights reserved.
京ICP备2023020795号-1
ghs 京公网安备 11010802042870号
Book学术文献互助
Book学术文献互助群
群 号:604180095
Book学术官方微信