Low-air-pressure clean room system: A flexible, high-quality model for assisted reproduction laboratories.

IF 1.6 Q3 OBSTETRICS & GYNECOLOGY
Minh Tam Le, Trung Van Nguyen, Thai Thanh Thi Nguyen, Hong Nhan Thi Dang, Quoc Huy Vu Nguyen
{"title":"Low-air-pressure clean room system: A flexible, high-quality model for assisted reproduction laboratories.","authors":"Minh Tam Le, Trung Van Nguyen, Thai Thanh Thi Nguyen, Hong Nhan Thi Dang, Quoc Huy Vu Nguyen","doi":"10.5653/cerm.2024.06793","DOIUrl":null,"url":null,"abstract":"<p><strong>Objective: </strong>This study aimed to develop a configurable clean room paradigm with low air pressure for assisted reproductive technology (ART) clinics and demonstrate the concept's efficacy using in vitro fertilization (IVF) treatment.</p><p><strong>Methods: </strong>A high-standard clean room system with positive pressure (13 Pa) was built using accessible materials and equipment for ART laboratories. Methods for controlling and evaluating the clean room's characteristics were developed and implemented for quality assessment and calibration to maximize efficiency. The feasibility of the flexible clean room concept was assessed by analyzing the key performance indicators of embryo culture and IVF treatment.</p><p><strong>Results: </strong>After 3 weeks of testing, the concentration of particles ≥0.5 μm was 6.04 times lower than the International Organization for Standardization (ISO) class 5 standard (3,520 particles/m3) in the IVF laboratory. Air pressure, noise, temperature, and humidity were controlled stably and appropriately. Five days after installation and handover, the volatile organic compound concentration dropped to 0.00 ppm. With blastocysts and a respectable blastocyst rate, embryonic culture with female patients younger than 40 matched the criteria (63.5% and 38.9%, respectively). After vitrified blastocysts were transferred, the pregnancy and implantation rates were 58.5% and 36.2%, respectively, demonstrating a high degree of treatment success.</p><p><strong>Conclusion: </strong>Our customizable, high-quality, low-air-pressure clean room model can be implemented to achieve positive outcomes for infertility treatment.</p>","PeriodicalId":46409,"journal":{"name":"Clinical and Experimental Reproductive Medicine-CERM","volume":"52 1","pages":"56-64"},"PeriodicalIF":1.6000,"publicationDate":"2025-03-01","publicationTypes":"Journal Article","fieldsOfStudy":null,"isOpenAccess":false,"openAccessPdf":"https://www.ncbi.nlm.nih.gov/pmc/articles/PMC11900661/pdf/","citationCount":"0","resultStr":null,"platform":"Semanticscholar","paperid":null,"PeriodicalName":"Clinical and Experimental Reproductive Medicine-CERM","FirstCategoryId":"1085","ListUrlMain":"https://doi.org/10.5653/cerm.2024.06793","RegionNum":0,"RegionCategory":null,"ArticlePicture":[],"TitleCN":null,"AbstractTextCN":null,"PMCID":null,"EPubDate":"2024/6/13 0:00:00","PubModel":"Epub","JCR":"Q3","JCRName":"OBSTETRICS & GYNECOLOGY","Score":null,"Total":0}
引用次数: 0

Abstract

Objective: This study aimed to develop a configurable clean room paradigm with low air pressure for assisted reproductive technology (ART) clinics and demonstrate the concept's efficacy using in vitro fertilization (IVF) treatment.

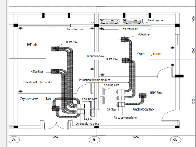
Methods: A high-standard clean room system with positive pressure (13 Pa) was built using accessible materials and equipment for ART laboratories. Methods for controlling and evaluating the clean room's characteristics were developed and implemented for quality assessment and calibration to maximize efficiency. The feasibility of the flexible clean room concept was assessed by analyzing the key performance indicators of embryo culture and IVF treatment.

Results: After 3 weeks of testing, the concentration of particles ≥0.5 μm was 6.04 times lower than the International Organization for Standardization (ISO) class 5 standard (3,520 particles/m3) in the IVF laboratory. Air pressure, noise, temperature, and humidity were controlled stably and appropriately. Five days after installation and handover, the volatile organic compound concentration dropped to 0.00 ppm. With blastocysts and a respectable blastocyst rate, embryonic culture with female patients younger than 40 matched the criteria (63.5% and 38.9%, respectively). After vitrified blastocysts were transferred, the pregnancy and implantation rates were 58.5% and 36.2%, respectively, demonstrating a high degree of treatment success.

Conclusion: Our customizable, high-quality, low-air-pressure clean room model can be implemented to achieve positive outcomes for infertility treatment.

Abstract Image

Abstract Image

低压无尘室系统:一个灵活的,高质量的模型辅助生殖实验室。
目的:本研究旨在为辅助生殖技术(ART)诊所开发一个可配置的低气压无尘室范例,并证明该概念在体外受精(IVF)治疗中的有效性。方法:采用无障碍材料和设备,建立了ART实验室正压(13pa)的高标准洁净室系统。制定了控制和评价洁净室特性的方法,并实施了质量评估和校准,以最大限度地提高效率。通过分析胚胎培养和体外受精处理的关键性能指标,对柔性洁净室概念的可行性进行了评价。结果:经过3周的检测,试管婴儿实验室≥0.5 μm的颗粒浓度比国际标准化组织(ISO) 5级标准(3520个颗粒/m3)低6.04倍。气压、噪声、温度、湿度控制稳定、适宜。安装交接5天后,挥发性有机物浓度降至0.00 ppm。40岁以下女性患者的胚胎培养符合标准(分别为63.5%和38.9%),有囊胚,囊胚率可观。玻璃化囊胚移植后受孕率为58.5%,着床率为36.2%,治疗成功率高。结论:可定制的、高质量的、低气压的无尘室模型可用于不孕症治疗,取得良好的效果。
本文章由计算机程序翻译,如有差异,请以英文原文为准。
求助全文
约1分钟内获得全文 求助全文
来源期刊
CiteScore
3.30
自引率
0.00%
发文量
0
×
引用
GB/T 7714-2015
复制
MLA
复制
APA
复制
导出至
BibTeX EndNote RefMan NoteFirst NoteExpress
×
提示
您的信息不完整,为了账户安全,请先补充。
现在去补充
×
提示
您因"违规操作"
具体请查看互助需知
我知道了
×
提示
确定
请完成安全验证×
copy
已复制链接
快去分享给好友吧!
我知道了
右上角分享
点击右上角分享
0
联系我们:info@booksci.cn Book学术提供免费学术资源搜索服务,方便国内外学者检索中英文文献。致力于提供最便捷和优质的服务体验。 Copyright © 2023 布克学术 All rights reserved.
京ICP备2023020795号-1
ghs 京公网安备 11010802042870号
Book学术文献互助
Book学术文献互助群
群 号:604180095
Book学术官方微信