Construction of multi-robot platform based on dobot robots.

IF 2.8 4区 计算机科学 Q3 COMPUTER SCIENCE, ARTIFICIAL INTELLIGENCE
Frontiers in Neurorobotics Pub Date : 2025-02-05 eCollection Date: 2025-01-01 DOI:10.3389/fnbot.2025.1550787
Jinchi Han, Duojicairang Ma
{"title":"Construction of multi-robot platform based on dobot robots.","authors":"Jinchi Han, Duojicairang Ma","doi":"10.3389/fnbot.2025.1550787","DOIUrl":null,"url":null,"abstract":"<p><p>For the researches of cooperative control scheme for multirobot systems, this paper sets up an experimental platform based on dobot robots, which can be used to perform physical experiments to verify related schemes. A distributed scheme is proposed to achieve cooperative control for multirobot systems. Simulation results prove the effectiveness of the distributed scheme. Then, the experimental platform based on dobot robots is built to verify the proposed scheme. Specifically, a computer sends data to the microcontroller inside the host through WiFi communication, then the host distributes data to the slaves. Finally, the physical experiment of related schemes is performed on the experimental platform. Comparing the simulations with the physical experiments, the task is successfully completed on this experimental platform, which proves the effectiveness of the scheme and the feasibility of the platform. The experimental platform developed in this paper possesses the capability to validate various schemes and exhibits strong expandability and practicality.</p>","PeriodicalId":12628,"journal":{"name":"Frontiers in Neurorobotics","volume":"19 ","pages":"1550787"},"PeriodicalIF":2.8000,"publicationDate":"2025-02-05","publicationTypes":"Journal Article","fieldsOfStudy":null,"isOpenAccess":false,"openAccessPdf":"https://www.ncbi.nlm.nih.gov/pmc/articles/PMC11835969/pdf/","citationCount":"0","resultStr":null,"platform":"Semanticscholar","paperid":null,"PeriodicalName":"Frontiers in Neurorobotics","FirstCategoryId":"94","ListUrlMain":"https://doi.org/10.3389/fnbot.2025.1550787","RegionNum":4,"RegionCategory":"计算机科学","ArticlePicture":[],"TitleCN":null,"AbstractTextCN":null,"PMCID":null,"EPubDate":"2025/1/1 0:00:00","PubModel":"eCollection","JCR":"Q3","JCRName":"COMPUTER SCIENCE, ARTIFICIAL INTELLIGENCE","Score":null,"Total":0}
引用次数: 0

Abstract

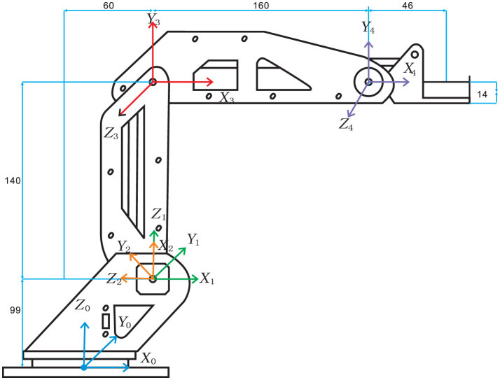
For the researches of cooperative control scheme for multirobot systems, this paper sets up an experimental platform based on dobot robots, which can be used to perform physical experiments to verify related schemes. A distributed scheme is proposed to achieve cooperative control for multirobot systems. Simulation results prove the effectiveness of the distributed scheme. Then, the experimental platform based on dobot robots is built to verify the proposed scheme. Specifically, a computer sends data to the microcontroller inside the host through WiFi communication, then the host distributes data to the slaves. Finally, the physical experiment of related schemes is performed on the experimental platform. Comparing the simulations with the physical experiments, the task is successfully completed on this experimental platform, which proves the effectiveness of the scheme and the feasibility of the platform. The experimental platform developed in this paper possesses the capability to validate various schemes and exhibits strong expandability and practicality.

Abstract Image

Abstract Image

Abstract Image

基于dobot机器人的多机器人平台构建。
针对多机器人系统协同控制方案的研究,本文搭建了一个基于多机器人的实验平台,可以通过物理实验对相关方案进行验证。提出了一种实现多机器人系统协同控制的分布式方案。仿真结果证明了该分布式方案的有效性。然后,建立了基于dobot机器人的实验平台,对所提方案进行了验证。具体来说,一台计算机通过WiFi通信将数据发送到主机内部的微控制器,然后主机将数据分发给从机。最后,在实验平台上对相关方案进行了物理实验。通过仿真与物理实验的对比,该实验平台成功完成了任务,验证了该方案的有效性和平台的可行性。本文开发的实验平台具有对多种方案进行验证的能力,具有较强的可扩展性和实用性。
本文章由计算机程序翻译,如有差异,请以英文原文为准。
求助全文
约1分钟内获得全文 求助全文
来源期刊
Frontiers in Neurorobotics
Frontiers in Neurorobotics COMPUTER SCIENCE, ARTIFICIAL INTELLIGENCER-ROBOTICS
CiteScore
5.20
自引率
6.50%
发文量
250
审稿时长
14 weeks
期刊介绍: Frontiers in Neurorobotics publishes rigorously peer-reviewed research in the science and technology of embodied autonomous neural systems. Specialty Chief Editors Alois C. Knoll and Florian Röhrbein at the Technische Universität München are supported by an outstanding Editorial Board of international experts. This multidisciplinary open-access journal is at the forefront of disseminating and communicating scientific knowledge and impactful discoveries to researchers, academics and the public worldwide. Neural systems include brain-inspired algorithms (e.g. connectionist networks), computational models of biological neural networks (e.g. artificial spiking neural nets, large-scale simulations of neural microcircuits) and actual biological systems (e.g. in vivo and in vitro neural nets). The focus of the journal is the embodiment of such neural systems in artificial software and hardware devices, machines, robots or any other form of physical actuation. This also includes prosthetic devices, brain machine interfaces, wearable systems, micro-machines, furniture, home appliances, as well as systems for managing micro and macro infrastructures. Frontiers in Neurorobotics also aims to publish radically new tools and methods to study plasticity and development of autonomous self-learning systems that are capable of acquiring knowledge in an open-ended manner. Models complemented with experimental studies revealing self-organizing principles of embodied neural systems are welcome. Our journal also publishes on the micro and macro engineering and mechatronics of robotic devices driven by neural systems, as well as studies on the impact that such systems will have on our daily life.
×
引用
GB/T 7714-2015
复制
MLA
复制
APA
复制
导出至
BibTeX EndNote RefMan NoteFirst NoteExpress
×
提示
您的信息不完整,为了账户安全,请先补充。
现在去补充
×
提示
您因"违规操作"
具体请查看互助需知
我知道了
×
提示
确定
请完成安全验证×
copy
已复制链接
快去分享给好友吧!
我知道了
右上角分享
点击右上角分享
0
联系我们:info@booksci.cn Book学术提供免费学术资源搜索服务,方便国内外学者检索中英文文献。致力于提供最便捷和优质的服务体验。 Copyright © 2023 布克学术 All rights reserved.
京ICP备2023020795号-1
ghs 京公网安备 11010802042870号
Book学术文献互助
Book学术文献互助群
群 号:604180095
Book学术官方微信