基于labview的激光诱导荧光光谱虚拟仪器系统。

Qijun Wu, Lufei Wang, Lily Zu
{"title":"基于labview的激光诱导荧光光谱虚拟仪器系统。","authors":"Qijun Wu,&nbsp;Lufei Wang,&nbsp;Lily Zu","doi":"10.1155/2011/457156","DOIUrl":null,"url":null,"abstract":"<p><p>We report the design and operation of a Virtual Instrument (VI) system based on LabVIEW 2009 for laser-induced fluorescence experiments. This system achieves synchronous control of equipment and acquisition of real-time fluorescence data communicating with a single computer via GPIB, USB, RS232, and parallel ports. The reported VI system can also accomplish data display, saving, and analysis, and printing the results. The VI system performs sequences of operations automatically, and this system has been successfully applied to obtain the excitation and dispersion spectra of α-methylnaphthalene. The reported VI system opens up new possibilities for researchers and increases the efficiency and precision of experiments. The design and operation of the VI system are described in detail in this paper, and the advantages that this system can provide are highlighted.</p>","PeriodicalId":15248,"journal":{"name":"Journal of Automated Methods & Management in Chemistry","volume":"2011 ","pages":"457156"},"PeriodicalIF":0.0000,"publicationDate":"2011-01-01","publicationTypes":"Journal Article","fieldsOfStudy":null,"isOpenAccess":false,"openAccessPdf":"https://sci-hub-pdf.com/10.1155/2011/457156","citationCount":"10","resultStr":"{\"title\":\"A LabVIEW-Based Virtual Instrument System for Laser-Induced Fluorescence Spectroscopy.\",\"authors\":\"Qijun Wu,&nbsp;Lufei Wang,&nbsp;Lily Zu\",\"doi\":\"10.1155/2011/457156\",\"DOIUrl\":null,\"url\":null,\"abstract\":\"<p><p>We report the design and operation of a Virtual Instrument (VI) system based on LabVIEW 2009 for laser-induced fluorescence experiments. This system achieves synchronous control of equipment and acquisition of real-time fluorescence data communicating with a single computer via GPIB, USB, RS232, and parallel ports. The reported VI system can also accomplish data display, saving, and analysis, and printing the results. The VI system performs sequences of operations automatically, and this system has been successfully applied to obtain the excitation and dispersion spectra of α-methylnaphthalene. The reported VI system opens up new possibilities for researchers and increases the efficiency and precision of experiments. The design and operation of the VI system are described in detail in this paper, and the advantages that this system can provide are highlighted.</p>\",\"PeriodicalId\":15248,\"journal\":{\"name\":\"Journal of Automated Methods & Management in Chemistry\",\"volume\":\"2011 \",\"pages\":\"457156\"},\"PeriodicalIF\":0.0000,\"publicationDate\":\"2011-01-01\",\"publicationTypes\":\"Journal Article\",\"fieldsOfStudy\":null,\"isOpenAccess\":false,\"openAccessPdf\":\"https://sci-hub-pdf.com/10.1155/2011/457156\",\"citationCount\":\"10\",\"resultStr\":null,\"platform\":\"Semanticscholar\",\"paperid\":null,\"PeriodicalName\":\"Journal of Automated Methods & Management in Chemistry\",\"FirstCategoryId\":\"1085\",\"ListUrlMain\":\"https://doi.org/10.1155/2011/457156\",\"RegionNum\":0,\"RegionCategory\":null,\"ArticlePicture\":[],\"TitleCN\":null,\"AbstractTextCN\":null,\"PMCID\":null,\"EPubDate\":\"2011/10/15 0:00:00\",\"PubModel\":\"Epub\",\"JCR\":\"\",\"JCRName\":\"\",\"Score\":null,\"Total\":0}","platform":"Semanticscholar","paperid":null,"PeriodicalName":"Journal of Automated Methods & Management in Chemistry","FirstCategoryId":"1085","ListUrlMain":"https://doi.org/10.1155/2011/457156","RegionNum":0,"RegionCategory":null,"ArticlePicture":[],"TitleCN":null,"AbstractTextCN":null,"PMCID":null,"EPubDate":"2011/10/15 0:00:00","PubModel":"Epub","JCR":"","JCRName":"","Score":null,"Total":0}
引用次数: 10

摘要

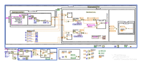
本文报道了基于LabVIEW 2009的激光诱导荧光实验虚拟仪器(VI)系统的设计与运行。该系统通过GPIB、USB、RS232和并口与单台计算机通信,实现对设备的同步控制和实时荧光数据的采集。报告VI系统还可以完成数据显示、保存、分析,并打印结果。该系统可自动执行一系列操作,并已成功应用于α-甲基萘的激发和色散光谱的测定。所报道的VI系统为研究人员开辟了新的可能性,提高了实验的效率和精度。本文详细介绍了该VI系统的设计和运行,突出了该系统所能提供的优势。
本文章由计算机程序翻译,如有差异,请以英文原文为准。

A LabVIEW-Based Virtual Instrument System for Laser-Induced Fluorescence Spectroscopy.

A LabVIEW-Based Virtual Instrument System for Laser-Induced Fluorescence Spectroscopy.

A LabVIEW-Based Virtual Instrument System for Laser-Induced Fluorescence Spectroscopy.

A LabVIEW-Based Virtual Instrument System for Laser-Induced Fluorescence Spectroscopy.

We report the design and operation of a Virtual Instrument (VI) system based on LabVIEW 2009 for laser-induced fluorescence experiments. This system achieves synchronous control of equipment and acquisition of real-time fluorescence data communicating with a single computer via GPIB, USB, RS232, and parallel ports. The reported VI system can also accomplish data display, saving, and analysis, and printing the results. The VI system performs sequences of operations automatically, and this system has been successfully applied to obtain the excitation and dispersion spectra of α-methylnaphthalene. The reported VI system opens up new possibilities for researchers and increases the efficiency and precision of experiments. The design and operation of the VI system are described in detail in this paper, and the advantages that this system can provide are highlighted.

求助全文
通过发布文献求助,成功后即可免费获取论文全文。 去求助
来源期刊
自引率
0.00%
发文量
0
审稿时长
>12 weeks
×
引用
GB/T 7714-2015
复制
MLA
复制
APA
复制
导出至
BibTeX EndNote RefMan NoteFirst NoteExpress
×
提示
您的信息不完整,为了账户安全,请先补充。
现在去补充
×
提示
您因"违规操作"
具体请查看互助需知
我知道了
×
提示
确定
请完成安全验证×
copy
已复制链接
快去分享给好友吧!
我知道了
右上角分享
点击右上角分享
0
联系我们:info@booksci.cn Book学术提供免费学术资源搜索服务,方便国内外学者检索中英文文献。致力于提供最便捷和优质的服务体验。 Copyright © 2023 布克学术 All rights reserved.
京ICP备2023020795号-1
ghs 京公网安备 11010802042870号
Book学术文献互助
Book学术文献互助群
群 号:604180095
Book学术官方微信