基于labview8.0的pX二级反应速率常数测定虚拟仪器。

Hu Meng, Jiang-Yuan Li, Yong-Huai Tang
{"title":"基于labview8.0的pX二级反应速率常数测定虚拟仪器。","authors":"Hu Meng,&nbsp;Jiang-Yuan Li,&nbsp;Yong-Huai Tang","doi":"10.1155/2009/849704","DOIUrl":null,"url":null,"abstract":"<p><p>The virtual instrument system based on LabVIEW 8.0 for ion analyzer which can measure and analyze ion concentrations in solution is developed and comprises homemade conditioning circuit, data acquiring board, and computer. It can calibrate slope, temperature, and positioning automatically. When applied to determine the reaction rate constant by pX, it achieved live acquiring, real-time displaying, automatical processing of testing data, generating the report of results; and other functions. This method simplifies the experimental operation greatly, avoids complicated procedures of manual processing data and personal error, and improves veracity and repeatability of the experiment results.</p>","PeriodicalId":15248,"journal":{"name":"Journal of Automated Methods & Management in Chemistry","volume":"2009 ","pages":"849704"},"PeriodicalIF":0.0000,"publicationDate":"2009-01-01","publicationTypes":"Journal Article","fieldsOfStudy":null,"isOpenAccess":false,"openAccessPdf":"https://sci-hub-pdf.com/10.1155/2009/849704","citationCount":"8","resultStr":"{\"title\":\"Virtual Instrument for Determining Rate Constant of Second-Order Reaction by pX Based on LabVIEW 8.0.\",\"authors\":\"Hu Meng,&nbsp;Jiang-Yuan Li,&nbsp;Yong-Huai Tang\",\"doi\":\"10.1155/2009/849704\",\"DOIUrl\":null,\"url\":null,\"abstract\":\"<p><p>The virtual instrument system based on LabVIEW 8.0 for ion analyzer which can measure and analyze ion concentrations in solution is developed and comprises homemade conditioning circuit, data acquiring board, and computer. It can calibrate slope, temperature, and positioning automatically. When applied to determine the reaction rate constant by pX, it achieved live acquiring, real-time displaying, automatical processing of testing data, generating the report of results; and other functions. This method simplifies the experimental operation greatly, avoids complicated procedures of manual processing data and personal error, and improves veracity and repeatability of the experiment results.</p>\",\"PeriodicalId\":15248,\"journal\":{\"name\":\"Journal of Automated Methods & Management in Chemistry\",\"volume\":\"2009 \",\"pages\":\"849704\"},\"PeriodicalIF\":0.0000,\"publicationDate\":\"2009-01-01\",\"publicationTypes\":\"Journal Article\",\"fieldsOfStudy\":null,\"isOpenAccess\":false,\"openAccessPdf\":\"https://sci-hub-pdf.com/10.1155/2009/849704\",\"citationCount\":\"8\",\"resultStr\":null,\"platform\":\"Semanticscholar\",\"paperid\":null,\"PeriodicalName\":\"Journal of Automated Methods & Management in Chemistry\",\"FirstCategoryId\":\"1085\",\"ListUrlMain\":\"https://doi.org/10.1155/2009/849704\",\"RegionNum\":0,\"RegionCategory\":null,\"ArticlePicture\":[],\"TitleCN\":null,\"AbstractTextCN\":null,\"PMCID\":null,\"EPubDate\":\"2009/8/31 0:00:00\",\"PubModel\":\"Epub\",\"JCR\":\"\",\"JCRName\":\"\",\"Score\":null,\"Total\":0}","platform":"Semanticscholar","paperid":null,"PeriodicalName":"Journal of Automated Methods & Management in Chemistry","FirstCategoryId":"1085","ListUrlMain":"https://doi.org/10.1155/2009/849704","RegionNum":0,"RegionCategory":null,"ArticlePicture":[],"TitleCN":null,"AbstractTextCN":null,"PMCID":null,"EPubDate":"2009/8/31 0:00:00","PubModel":"Epub","JCR":"","JCRName":"","Score":null,"Total":0}
引用次数: 8

摘要

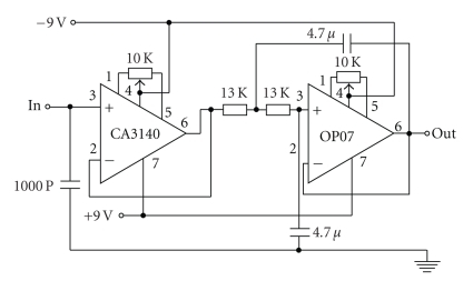
开发了基于labview8.0的离子分析仪虚拟仪器系统,该系统由自制调理电路、数据采集板和计算机组成,能够对溶液中的离子浓度进行测量和分析。可自动校准坡度、温度、定位。应用于pX测定反应速率常数时,实现了检测数据的实时采集、实时显示、自动处理,生成结果报告;和其他函数。该方法大大简化了实验操作,避免了人工处理数据的繁琐程序和人为误差,提高了实验结果的准确性和可重复性。
本文章由计算机程序翻译,如有差异,请以英文原文为准。

Virtual Instrument for Determining Rate Constant of Second-Order Reaction by pX Based on LabVIEW 8.0.

Virtual Instrument for Determining Rate Constant of Second-Order Reaction by pX Based on LabVIEW 8.0.

Virtual Instrument for Determining Rate Constant of Second-Order Reaction by pX Based on LabVIEW 8.0.

Virtual Instrument for Determining Rate Constant of Second-Order Reaction by pX Based on LabVIEW 8.0.

The virtual instrument system based on LabVIEW 8.0 for ion analyzer which can measure and analyze ion concentrations in solution is developed and comprises homemade conditioning circuit, data acquiring board, and computer. It can calibrate slope, temperature, and positioning automatically. When applied to determine the reaction rate constant by pX, it achieved live acquiring, real-time displaying, automatical processing of testing data, generating the report of results; and other functions. This method simplifies the experimental operation greatly, avoids complicated procedures of manual processing data and personal error, and improves veracity and repeatability of the experiment results.

求助全文
通过发布文献求助,成功后即可免费获取论文全文。 去求助
来源期刊
自引率
0.00%
发文量
0
审稿时长
>12 weeks
×
引用
GB/T 7714-2015
复制
MLA
复制
APA
复制
导出至
BibTeX EndNote RefMan NoteFirst NoteExpress
×
提示
您的信息不完整,为了账户安全,请先补充。
现在去补充
×
提示
您因"违规操作"
具体请查看互助需知
我知道了
×
提示
确定
请完成安全验证×
copy
已复制链接
快去分享给好友吧!
我知道了
右上角分享
点击右上角分享
0
联系我们:info@booksci.cn Book学术提供免费学术资源搜索服务,方便国内外学者检索中英文文献。致力于提供最便捷和优质的服务体验。 Copyright © 2023 布克学术 All rights reserved.
京ICP备2023020795号-1
ghs 京公网安备 11010802042870号
Book学术文献互助
Book学术文献互助群
群 号:604180095
Book学术官方微信