任意变化载荷下涂层多重边缘裂纹应力强度因子的机器学习预测

IF 0.9 4区 工程技术 Q4 MECHANICS
W. Y. Liu, X. J. Chen
{"title":"任意变化载荷下涂层多重边缘裂纹应力强度因子的机器学习预测","authors":"W. Y. Liu,&nbsp;X. J. Chen","doi":"10.1134/S0025654425601636","DOIUrl":null,"url":null,"abstract":"<p>This study utilizes machine learning (ML) methodology to estimate the stress intensity factor (SIF) for multiple edge cracks in a coating-substrate pair. The arbitrarily varying loading function is decomposed into a weighted sum of sine and cosine functions using Fourier series expansion, from which extracted are the characteristic period and harmonic number. A large data set derived from finite element calculation is used to train the ML model. By validation and comparison, it is found that the even extension method offers the highest accuracy in estimating the SIF. For three different loading functions, the predicted results show an average error of less than 1% compared to those by the finite element method. Additionally, the error of the predicted results is less than 3% in comparison with those in two thermal shock scenarios from existing literatures. The findings highlight the potential of ML-driven computational frameworks to achieve efficient and accurate evaluation of SIF for multiple cracks under realistic service conditions.</p>","PeriodicalId":697,"journal":{"name":"Mechanics of Solids","volume":"60 4","pages":"2763 - 2780"},"PeriodicalIF":0.9000,"publicationDate":"2025-08-03","publicationTypes":"Journal Article","fieldsOfStudy":null,"isOpenAccess":false,"openAccessPdf":"","citationCount":"0","resultStr":"{\"title\":\"Machine Learning Prediction on the Stress Intensity Factor for Multiple Edge Cracks in Coatings under Arbitrarily Varying Loads\",\"authors\":\"W. Y. Liu,&nbsp;X. J. Chen\",\"doi\":\"10.1134/S0025654425601636\",\"DOIUrl\":null,\"url\":null,\"abstract\":\"<p>This study utilizes machine learning (ML) methodology to estimate the stress intensity factor (SIF) for multiple edge cracks in a coating-substrate pair. The arbitrarily varying loading function is decomposed into a weighted sum of sine and cosine functions using Fourier series expansion, from which extracted are the characteristic period and harmonic number. A large data set derived from finite element calculation is used to train the ML model. By validation and comparison, it is found that the even extension method offers the highest accuracy in estimating the SIF. For three different loading functions, the predicted results show an average error of less than 1% compared to those by the finite element method. Additionally, the error of the predicted results is less than 3% in comparison with those in two thermal shock scenarios from existing literatures. The findings highlight the potential of ML-driven computational frameworks to achieve efficient and accurate evaluation of SIF for multiple cracks under realistic service conditions.</p>\",\"PeriodicalId\":697,\"journal\":{\"name\":\"Mechanics of Solids\",\"volume\":\"60 4\",\"pages\":\"2763 - 2780\"},\"PeriodicalIF\":0.9000,\"publicationDate\":\"2025-08-03\",\"publicationTypes\":\"Journal Article\",\"fieldsOfStudy\":null,\"isOpenAccess\":false,\"openAccessPdf\":\"\",\"citationCount\":\"0\",\"resultStr\":null,\"platform\":\"Semanticscholar\",\"paperid\":null,\"PeriodicalName\":\"Mechanics of Solids\",\"FirstCategoryId\":\"5\",\"ListUrlMain\":\"https://link.springer.com/article/10.1134/S0025654425601636\",\"RegionNum\":4,\"RegionCategory\":\"工程技术\",\"ArticlePicture\":[],\"TitleCN\":null,\"AbstractTextCN\":null,\"PMCID\":null,\"EPubDate\":\"\",\"PubModel\":\"\",\"JCR\":\"Q4\",\"JCRName\":\"MECHANICS\",\"Score\":null,\"Total\":0}","platform":"Semanticscholar","paperid":null,"PeriodicalName":"Mechanics of Solids","FirstCategoryId":"5","ListUrlMain":"https://link.springer.com/article/10.1134/S0025654425601636","RegionNum":4,"RegionCategory":"工程技术","ArticlePicture":[],"TitleCN":null,"AbstractTextCN":null,"PMCID":null,"EPubDate":"","PubModel":"","JCR":"Q4","JCRName":"MECHANICS","Score":null,"Total":0}
引用次数: 0

摘要

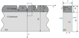
本研究利用机器学习(ML)方法来估计涂层-衬底对中多个边缘裂纹的应力强度因子(SIF)。将任意变化的载荷函数用傅里叶级数展开分解为正弦和余弦函数的加权和,从中提取特征周期和谐波数。从有限元计算中得到的大数据集用于训练ML模型。通过验证和比较,发现均匀扩展法对SIF的估计精度最高。对于三种不同的荷载函数,与有限元法预测结果相比,预测结果的平均误差小于1%。此外,与现有文献中两种热冲击情景的预测结果相比,预测结果的误差小于3%。研究结果强调了机器学习驱动的计算框架的潜力,可以在实际使用条件下实现对多个裂纹的有效和准确的SIF评估。
本文章由计算机程序翻译,如有差异,请以英文原文为准。

Machine Learning Prediction on the Stress Intensity Factor for Multiple Edge Cracks in Coatings under Arbitrarily Varying Loads

Machine Learning Prediction on the Stress Intensity Factor for Multiple Edge Cracks in Coatings under Arbitrarily Varying Loads

This study utilizes machine learning (ML) methodology to estimate the stress intensity factor (SIF) for multiple edge cracks in a coating-substrate pair. The arbitrarily varying loading function is decomposed into a weighted sum of sine and cosine functions using Fourier series expansion, from which extracted are the characteristic period and harmonic number. A large data set derived from finite element calculation is used to train the ML model. By validation and comparison, it is found that the even extension method offers the highest accuracy in estimating the SIF. For three different loading functions, the predicted results show an average error of less than 1% compared to those by the finite element method. Additionally, the error of the predicted results is less than 3% in comparison with those in two thermal shock scenarios from existing literatures. The findings highlight the potential of ML-driven computational frameworks to achieve efficient and accurate evaluation of SIF for multiple cracks under realistic service conditions.

求助全文
通过发布文献求助,成功后即可免费获取论文全文。 去求助
来源期刊
Mechanics of Solids
Mechanics of Solids 医学-力学
CiteScore
1.20
自引率
42.90%
发文量
112
审稿时长
6-12 weeks
期刊介绍: Mechanics of Solids publishes articles in the general areas of dynamics of particles and rigid bodies and the mechanics of deformable solids. The journal has a goal of being a comprehensive record of up-to-the-minute research results. The journal coverage is vibration of discrete and continuous systems; stability and optimization of mechanical systems; automatic control theory; dynamics of multiple body systems; elasticity, viscoelasticity and plasticity; mechanics of composite materials; theory of structures and structural stability; wave propagation and impact of solids; fracture mechanics; micromechanics of solids; mechanics of granular and geological materials; structure-fluid interaction; mechanical behavior of materials; gyroscopes and navigation systems; and nanomechanics. Most of the articles in the journal are theoretical and analytical. They present a blend of basic mechanics theory with analysis of contemporary technological problems.
×
引用
GB/T 7714-2015
复制
MLA
复制
APA
复制
导出至
BibTeX EndNote RefMan NoteFirst NoteExpress
×
提示
您的信息不完整,为了账户安全,请先补充。
现在去补充
×
提示
您因"违规操作"
具体请查看互助需知
我知道了
×
提示
确定
请完成安全验证×
copy
已复制链接
快去分享给好友吧!
我知道了
右上角分享
点击右上角分享
0
联系我们:info@booksci.cn Book学术提供免费学术资源搜索服务,方便国内外学者检索中英文文献。致力于提供最便捷和优质的服务体验。 Copyright © 2023 布克学术 All rights reserved.
京ICP备2023020795号-1
ghs 京公网安备 11010802042870号
Book学术文献互助
Book学术文献互助群
群 号:604180095
Book学术官方微信