直接加热对单轴压缩试样开裂的影响

IF 1 4区 地球科学 Q4 GEOCHEMISTRY & GEOPHYSICS
V. A. Zeigarnik, V. A. Novikov, V. N. Klyuchkin, V. I. Okunev
{"title":"直接加热对单轴压缩试样开裂的影响","authors":"V. A. Zeigarnik,&nbsp;V. A. Novikov,&nbsp;V. N. Klyuchkin,&nbsp;V. I. Okunev","doi":"10.1134/S1069351325700491","DOIUrl":null,"url":null,"abstract":"<p><b>Abstract</b>—A number of published papers have suggested that the influence of electromagnetic action on the seismic regime in natural conditions or on crack formation in laboratory experiments can be explained by the role of Joule heating when an electric current passes through fluid-saturated rocks. Heating of the fluid in the pore space can lead to an increase in fluid pressure in pores and cracks, which in turn can trigger additional cracking of the solid skeleton and decrease in rock strength. In this paper, the results of direct heating of artificial sandstone samples under uniaxial compression conditions are presented in order to identify the role of the thermal factor in rock fracture. The samples were taken from the same batch as previously studied in experiments on the effect of passing an electric current through a sample on the acoustic emission (AE) characteristics and on its failure process. In the presented experiments, the heat flow was supplied to the opposite side faces of the sample using Peltier elements, which are reverse thermoelectric converters. The heat flow density on the sample surface reached almost 10<sup>4</sup> W/m<sup>2</sup>; the local temperature of the outer surface of the sample near the heating element increased during the heating process by 10–15°C depending on the duration of the switched-on current. Experiments have shown that even with such significant heat flows, the effect of heating is only evident for loads close to fracturing (<i>Kp</i> ≥ 0.95–0.97). The effect of heating was that the process of crack formation in the sample intensified and the sample itself gradually passed into a overcritical state, eventually failing. At lower loads, direct heating of the sample does not have a noticeable effect on the crack formation process.</p>","PeriodicalId":602,"journal":{"name":"Izvestiya, Physics of the Solid Earth","volume":"61 4","pages":"642 - 649"},"PeriodicalIF":1.0000,"publicationDate":"2025-10-06","publicationTypes":"Journal Article","fieldsOfStudy":null,"isOpenAccess":false,"openAccessPdf":"","citationCount":"0","resultStr":"{\"title\":\"Effect of Direct Thermal Heating on Cracking in Uniaxially Compressed Specimens\",\"authors\":\"V. A. Zeigarnik,&nbsp;V. A. Novikov,&nbsp;V. N. Klyuchkin,&nbsp;V. I. Okunev\",\"doi\":\"10.1134/S1069351325700491\",\"DOIUrl\":null,\"url\":null,\"abstract\":\"<p><b>Abstract</b>—A number of published papers have suggested that the influence of electromagnetic action on the seismic regime in natural conditions or on crack formation in laboratory experiments can be explained by the role of Joule heating when an electric current passes through fluid-saturated rocks. Heating of the fluid in the pore space can lead to an increase in fluid pressure in pores and cracks, which in turn can trigger additional cracking of the solid skeleton and decrease in rock strength. In this paper, the results of direct heating of artificial sandstone samples under uniaxial compression conditions are presented in order to identify the role of the thermal factor in rock fracture. The samples were taken from the same batch as previously studied in experiments on the effect of passing an electric current through a sample on the acoustic emission (AE) characteristics and on its failure process. In the presented experiments, the heat flow was supplied to the opposite side faces of the sample using Peltier elements, which are reverse thermoelectric converters. The heat flow density on the sample surface reached almost 10<sup>4</sup> W/m<sup>2</sup>; the local temperature of the outer surface of the sample near the heating element increased during the heating process by 10–15°C depending on the duration of the switched-on current. Experiments have shown that even with such significant heat flows, the effect of heating is only evident for loads close to fracturing (<i>Kp</i> ≥ 0.95–0.97). The effect of heating was that the process of crack formation in the sample intensified and the sample itself gradually passed into a overcritical state, eventually failing. At lower loads, direct heating of the sample does not have a noticeable effect on the crack formation process.</p>\",\"PeriodicalId\":602,\"journal\":{\"name\":\"Izvestiya, Physics of the Solid Earth\",\"volume\":\"61 4\",\"pages\":\"642 - 649\"},\"PeriodicalIF\":1.0000,\"publicationDate\":\"2025-10-06\",\"publicationTypes\":\"Journal Article\",\"fieldsOfStudy\":null,\"isOpenAccess\":false,\"openAccessPdf\":\"\",\"citationCount\":\"0\",\"resultStr\":null,\"platform\":\"Semanticscholar\",\"paperid\":null,\"PeriodicalName\":\"Izvestiya, Physics of the Solid Earth\",\"FirstCategoryId\":\"89\",\"ListUrlMain\":\"https://link.springer.com/article/10.1134/S1069351325700491\",\"RegionNum\":4,\"RegionCategory\":\"地球科学\",\"ArticlePicture\":[],\"TitleCN\":null,\"AbstractTextCN\":null,\"PMCID\":null,\"EPubDate\":\"\",\"PubModel\":\"\",\"JCR\":\"Q4\",\"JCRName\":\"GEOCHEMISTRY & GEOPHYSICS\",\"Score\":null,\"Total\":0}","platform":"Semanticscholar","paperid":null,"PeriodicalName":"Izvestiya, Physics of the Solid Earth","FirstCategoryId":"89","ListUrlMain":"https://link.springer.com/article/10.1134/S1069351325700491","RegionNum":4,"RegionCategory":"地球科学","ArticlePicture":[],"TitleCN":null,"AbstractTextCN":null,"PMCID":null,"EPubDate":"","PubModel":"","JCR":"Q4","JCRName":"GEOCHEMISTRY & GEOPHYSICS","Score":null,"Total":0}
引用次数: 0

摘要

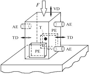
摘要:一些已发表的论文认为,电磁作用对自然条件下地震状态或实验室实验中裂缝形成的影响可以用电流通过饱和流体岩石时的焦耳加热作用来解释。孔隙空间中流体的加热会导致孔隙和裂缝中流体压力的增加,这反过来会引发固体骨架的额外开裂,从而降低岩石强度。本文介绍了人工砂岩样品在单轴压缩条件下直接加热的结果,以确定热因素在岩石破裂中的作用。样品取自先前研究过的通过电流对样品声发射(AE)特性及其失效过程的影响的实验中的同一批样品。在所提出的实验中,热流被提供到样品的反面使用珀尔帖元件,这是反向热电转换器。样品表面热流密度接近104 W/m2;在加热过程中,样品外表面靠近加热元件的局部温度根据接通电流的持续时间增加10-15°C。实验表明,即使有如此显著的热流,加热的影响也只在接近压裂的载荷(Kp≥0.95-0.97)时才明显。加热的作用是试样中裂纹形成的过程加剧,试样本身逐渐进入过临界状态,最终失效。在较低的载荷下,试样的直接加热对裂纹形成过程没有明显的影响。
本文章由计算机程序翻译,如有差异,请以英文原文为准。

Effect of Direct Thermal Heating on Cracking in Uniaxially Compressed Specimens

Effect of Direct Thermal Heating on Cracking in Uniaxially Compressed Specimens

Abstract—A number of published papers have suggested that the influence of electromagnetic action on the seismic regime in natural conditions or on crack formation in laboratory experiments can be explained by the role of Joule heating when an electric current passes through fluid-saturated rocks. Heating of the fluid in the pore space can lead to an increase in fluid pressure in pores and cracks, which in turn can trigger additional cracking of the solid skeleton and decrease in rock strength. In this paper, the results of direct heating of artificial sandstone samples under uniaxial compression conditions are presented in order to identify the role of the thermal factor in rock fracture. The samples were taken from the same batch as previously studied in experiments on the effect of passing an electric current through a sample on the acoustic emission (AE) characteristics and on its failure process. In the presented experiments, the heat flow was supplied to the opposite side faces of the sample using Peltier elements, which are reverse thermoelectric converters. The heat flow density on the sample surface reached almost 104 W/m2; the local temperature of the outer surface of the sample near the heating element increased during the heating process by 10–15°C depending on the duration of the switched-on current. Experiments have shown that even with such significant heat flows, the effect of heating is only evident for loads close to fracturing (Kp ≥ 0.95–0.97). The effect of heating was that the process of crack formation in the sample intensified and the sample itself gradually passed into a overcritical state, eventually failing. At lower loads, direct heating of the sample does not have a noticeable effect on the crack formation process.

求助全文
通过发布文献求助,成功后即可免费获取论文全文。 去求助
来源期刊
Izvestiya, Physics of the Solid Earth
Izvestiya, Physics of the Solid Earth 地学-地球化学与地球物理
CiteScore
1.60
自引率
30.00%
发文量
60
审稿时长
6-12 weeks
期刊介绍: Izvestiya, Physics of the Solid Earth is an international peer reviewed journal that publishes results of original theoretical and experimental research in relevant areas of the physics of the Earth''s interior and applied geophysics. The journal welcomes manuscripts from all countries in the English or Russian language.
×
引用
GB/T 7714-2015
复制
MLA
复制
APA
复制
导出至
BibTeX EndNote RefMan NoteFirst NoteExpress
×
提示
您的信息不完整,为了账户安全,请先补充。
现在去补充
×
提示
您因"违规操作"
具体请查看互助需知
我知道了
×
提示
确定
请完成安全验证×
copy
已复制链接
快去分享给好友吧!
我知道了
右上角分享
点击右上角分享
0
联系我们:info@booksci.cn Book学术提供免费学术资源搜索服务,方便国内外学者检索中英文文献。致力于提供最便捷和优质的服务体验。 Copyright © 2023 布克学术 All rights reserved.
京ICP备2023020795号-1
ghs 京公网安备 11010802042870号
Book学术文献互助
Book学术文献互助群
群 号:604180095
Book学术官方微信