基于时域非线性回归算法的CFRP缺陷红外热像检测

IF 0.9 4区 材料科学 Q4 MATERIALS SCIENCE, CHARACTERIZATION & TESTING
Chiwu Bu, Weiliang Bai, Xin Huang, Peng Chen, Runhong Shen, Rui Li, Guozeng Liu, Qingju Tang
{"title":"基于时域非线性回归算法的CFRP缺陷红外热像检测","authors":"Chiwu Bu,&nbsp;Weiliang Bai,&nbsp;Xin Huang,&nbsp;Peng Chen,&nbsp;Runhong Shen,&nbsp;Rui Li,&nbsp;Guozeng Liu,&nbsp;Qingju Tang","doi":"10.1134/S1061830924603490","DOIUrl":null,"url":null,"abstract":"<p>Carbon fiber reinforced polymer (CFRP) has been extensively utilized in the aerospace industry due to their light weight and high strength, however, they are susceptible to defects such as delamination and debonding during service. To enhance material safety, reliability and defect detection efficiency in infrared non-destructive testing (NDT), this study treats each pixel in the thermal image of the specimen surface as an independent entity. Temporal thermal wave signal features are extracted, and after non-dimensional processing, the features are mapped back to each pixel to reconstruct the characteristic distribution on the specimen surface, leading to the proposal of the dynamic thermal regression (DTR) algorithm. The DTR technology, along with the dynamic thermal tomography (DTT) and thermal signal reconstruction (TSR) techniques, were applied to the original infrared image sequences. The results demonstrate that applying these image processing techniques significantly enhances defect detection in CFRP. Furthermore, the DTR technique effectively reduces the acquisition time for infrared NDT image sequences, shortens the sequence length, and thereby improves the efficiency of infrared NDT.</p>","PeriodicalId":764,"journal":{"name":"Russian Journal of Nondestructive Testing","volume":"61 2","pages":"244 - 255"},"PeriodicalIF":0.9000,"publicationDate":"2025-06-10","publicationTypes":"Journal Article","fieldsOfStudy":null,"isOpenAccess":false,"openAccessPdf":"","citationCount":"0","resultStr":"{\"title\":\"Infrared Thermography Detection of Defects in CFRP Based on a Time-Domain Nonlinear Regression Algorithm\",\"authors\":\"Chiwu Bu,&nbsp;Weiliang Bai,&nbsp;Xin Huang,&nbsp;Peng Chen,&nbsp;Runhong Shen,&nbsp;Rui Li,&nbsp;Guozeng Liu,&nbsp;Qingju Tang\",\"doi\":\"10.1134/S1061830924603490\",\"DOIUrl\":null,\"url\":null,\"abstract\":\"<p>Carbon fiber reinforced polymer (CFRP) has been extensively utilized in the aerospace industry due to their light weight and high strength, however, they are susceptible to defects such as delamination and debonding during service. To enhance material safety, reliability and defect detection efficiency in infrared non-destructive testing (NDT), this study treats each pixel in the thermal image of the specimen surface as an independent entity. Temporal thermal wave signal features are extracted, and after non-dimensional processing, the features are mapped back to each pixel to reconstruct the characteristic distribution on the specimen surface, leading to the proposal of the dynamic thermal regression (DTR) algorithm. The DTR technology, along with the dynamic thermal tomography (DTT) and thermal signal reconstruction (TSR) techniques, were applied to the original infrared image sequences. The results demonstrate that applying these image processing techniques significantly enhances defect detection in CFRP. Furthermore, the DTR technique effectively reduces the acquisition time for infrared NDT image sequences, shortens the sequence length, and thereby improves the efficiency of infrared NDT.</p>\",\"PeriodicalId\":764,\"journal\":{\"name\":\"Russian Journal of Nondestructive Testing\",\"volume\":\"61 2\",\"pages\":\"244 - 255\"},\"PeriodicalIF\":0.9000,\"publicationDate\":\"2025-06-10\",\"publicationTypes\":\"Journal Article\",\"fieldsOfStudy\":null,\"isOpenAccess\":false,\"openAccessPdf\":\"\",\"citationCount\":\"0\",\"resultStr\":null,\"platform\":\"Semanticscholar\",\"paperid\":null,\"PeriodicalName\":\"Russian Journal of Nondestructive Testing\",\"FirstCategoryId\":\"88\",\"ListUrlMain\":\"https://link.springer.com/article/10.1134/S1061830924603490\",\"RegionNum\":4,\"RegionCategory\":\"材料科学\",\"ArticlePicture\":[],\"TitleCN\":null,\"AbstractTextCN\":null,\"PMCID\":null,\"EPubDate\":\"\",\"PubModel\":\"\",\"JCR\":\"Q4\",\"JCRName\":\"MATERIALS SCIENCE, CHARACTERIZATION & TESTING\",\"Score\":null,\"Total\":0}","platform":"Semanticscholar","paperid":null,"PeriodicalName":"Russian Journal of Nondestructive Testing","FirstCategoryId":"88","ListUrlMain":"https://link.springer.com/article/10.1134/S1061830924603490","RegionNum":4,"RegionCategory":"材料科学","ArticlePicture":[],"TitleCN":null,"AbstractTextCN":null,"PMCID":null,"EPubDate":"","PubModel":"","JCR":"Q4","JCRName":"MATERIALS SCIENCE, CHARACTERIZATION & TESTING","Score":null,"Total":0}
引用次数: 0

摘要

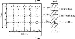
碳纤维增强聚合物(CFRP)由于其重量轻、强度高,在航空航天工业中得到了广泛的应用,但在使用过程中容易出现分层、脱粘等缺陷。为了提高红外无损检测(NDT)中材料的安全性、可靠性和缺陷检测效率,本研究将试样表面热图像中的每个像元视为一个独立的实体。提取时间热波信号特征,经过无因次处理后,将特征映射回每个像元,重构样品表面特征分布,提出动态热回归(dynamic thermal regression, DTR)算法。将DTR技术与动态热层析成像(DTT)和热信号重建(TSR)技术一起应用于原始红外图像序列。结果表明,应用这些图像处理技术可以显著提高CFRP的缺陷检测能力。此外,DTR技术有效地缩短了红外无损检测图像序列的采集时间,缩短了序列长度,从而提高了红外无损检测的效率。
本文章由计算机程序翻译,如有差异,请以英文原文为准。

Infrared Thermography Detection of Defects in CFRP Based on a Time-Domain Nonlinear Regression Algorithm

Infrared Thermography Detection of Defects in CFRP Based on a Time-Domain Nonlinear Regression Algorithm

Carbon fiber reinforced polymer (CFRP) has been extensively utilized in the aerospace industry due to their light weight and high strength, however, they are susceptible to defects such as delamination and debonding during service. To enhance material safety, reliability and defect detection efficiency in infrared non-destructive testing (NDT), this study treats each pixel in the thermal image of the specimen surface as an independent entity. Temporal thermal wave signal features are extracted, and after non-dimensional processing, the features are mapped back to each pixel to reconstruct the characteristic distribution on the specimen surface, leading to the proposal of the dynamic thermal regression (DTR) algorithm. The DTR technology, along with the dynamic thermal tomography (DTT) and thermal signal reconstruction (TSR) techniques, were applied to the original infrared image sequences. The results demonstrate that applying these image processing techniques significantly enhances defect detection in CFRP. Furthermore, the DTR technique effectively reduces the acquisition time for infrared NDT image sequences, shortens the sequence length, and thereby improves the efficiency of infrared NDT.

求助全文
通过发布文献求助,成功后即可免费获取论文全文。 去求助
来源期刊
Russian Journal of Nondestructive Testing
Russian Journal of Nondestructive Testing 工程技术-材料科学:表征与测试
CiteScore
1.60
自引率
44.40%
发文量
59
审稿时长
6-12 weeks
期刊介绍: Russian Journal of Nondestructive Testing, a translation of Defectoskopiya, is a publication of the Russian Academy of Sciences. This publication offers current Russian research on the theory and technology of nondestructive testing of materials and components. It describes laboratory and industrial investigations of devices and instrumentation and provides reviews of new equipment developed for series manufacture. Articles cover all physical methods of nondestructive testing, including magnetic and electrical; ultrasonic; X-ray and Y-ray; capillary; liquid (color luminescence), and radio (for materials of low conductivity).
×
引用
GB/T 7714-2015
复制
MLA
复制
APA
复制
导出至
BibTeX EndNote RefMan NoteFirst NoteExpress
×
提示
您的信息不完整,为了账户安全,请先补充。
现在去补充
×
提示
您因"违规操作"
具体请查看互助需知
我知道了
×
提示
确定
请完成安全验证×
copy
已复制链接
快去分享给好友吧!
我知道了
右上角分享
点击右上角分享
0
联系我们:info@booksci.cn Book学术提供免费学术资源搜索服务,方便国内外学者检索中英文文献。致力于提供最便捷和优质的服务体验。 Copyright © 2023 布克学术 All rights reserved.
京ICP备2023020795号-1
ghs 京公网安备 11010802042870号
Book学术文献互助
Book学术文献互助群
群 号:604180095
Book学术官方微信