选矿厂尾矿库废水处理技术的研究

IF 0.6 4区 工程技术 Q4 ENGINEERING, CHEMICAL
T. V. Kovrigina, K. Kh. Khakimbolatova, T. K. Chalov, B. E. Begenova
{"title":"选矿厂尾矿库废水处理技术的研究","authors":"T. V. Kovrigina,&nbsp;K. Kh. Khakimbolatova,&nbsp;T. K. Chalov,&nbsp;B. E. Begenova","doi":"10.1134/S0040579525700599","DOIUrl":null,"url":null,"abstract":"<p>A treatment unit for desalinating water by reverse osmosis was developed to remove cyanides, thiocyanates, total hardness, and traces of nonoxidized metals from wastewater. A test stand was constructed, and the influence of various oxidants on the oxidation of metals and ions was examined. It was found that ozone oxidizes all components 10–15% more efficiently than sodium hypochlorite. Iron sulfate shows slightly better oxidation performance than polyaluminum chloride, but the required dosage of iron sulfate is 50–100 mg/L, while that of polyaluminum chloride is only 5–7 mg/L. Various filter media were studied, and the operational parameters of the reverse osmosis unit were determined. Aluminosilicate media AS/MS exhibited the best sorption properties.</p>","PeriodicalId":798,"journal":{"name":"Theoretical Foundations of Chemical Engineering","volume":"59 2","pages":"370 - 376"},"PeriodicalIF":0.6000,"publicationDate":"2025-09-21","publicationTypes":"Journal Article","fieldsOfStudy":null,"isOpenAccess":false,"openAccessPdf":"","citationCount":"0","resultStr":"{\"title\":\"Development of a Wastewater Treatment Technology for Tailings Storage Facilities of Mineral Processing Plants\",\"authors\":\"T. V. Kovrigina,&nbsp;K. Kh. Khakimbolatova,&nbsp;T. K. Chalov,&nbsp;B. E. Begenova\",\"doi\":\"10.1134/S0040579525700599\",\"DOIUrl\":null,\"url\":null,\"abstract\":\"<p>A treatment unit for desalinating water by reverse osmosis was developed to remove cyanides, thiocyanates, total hardness, and traces of nonoxidized metals from wastewater. A test stand was constructed, and the influence of various oxidants on the oxidation of metals and ions was examined. It was found that ozone oxidizes all components 10–15% more efficiently than sodium hypochlorite. Iron sulfate shows slightly better oxidation performance than polyaluminum chloride, but the required dosage of iron sulfate is 50–100 mg/L, while that of polyaluminum chloride is only 5–7 mg/L. Various filter media were studied, and the operational parameters of the reverse osmosis unit were determined. Aluminosilicate media AS/MS exhibited the best sorption properties.</p>\",\"PeriodicalId\":798,\"journal\":{\"name\":\"Theoretical Foundations of Chemical Engineering\",\"volume\":\"59 2\",\"pages\":\"370 - 376\"},\"PeriodicalIF\":0.6000,\"publicationDate\":\"2025-09-21\",\"publicationTypes\":\"Journal Article\",\"fieldsOfStudy\":null,\"isOpenAccess\":false,\"openAccessPdf\":\"\",\"citationCount\":\"0\",\"resultStr\":null,\"platform\":\"Semanticscholar\",\"paperid\":null,\"PeriodicalName\":\"Theoretical Foundations of Chemical Engineering\",\"FirstCategoryId\":\"5\",\"ListUrlMain\":\"https://link.springer.com/article/10.1134/S0040579525700599\",\"RegionNum\":4,\"RegionCategory\":\"工程技术\",\"ArticlePicture\":[],\"TitleCN\":null,\"AbstractTextCN\":null,\"PMCID\":null,\"EPubDate\":\"\",\"PubModel\":\"\",\"JCR\":\"Q4\",\"JCRName\":\"ENGINEERING, CHEMICAL\",\"Score\":null,\"Total\":0}","platform":"Semanticscholar","paperid":null,"PeriodicalName":"Theoretical Foundations of Chemical Engineering","FirstCategoryId":"5","ListUrlMain":"https://link.springer.com/article/10.1134/S0040579525700599","RegionNum":4,"RegionCategory":"工程技术","ArticlePicture":[],"TitleCN":null,"AbstractTextCN":null,"PMCID":null,"EPubDate":"","PubModel":"","JCR":"Q4","JCRName":"ENGINEERING, CHEMICAL","Score":null,"Total":0}
引用次数: 0

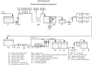
摘要

研制了一种反渗透脱盐水处理装置,用于去除废水中的氰化物、硫氰酸盐、总硬度和微量非氧化金属。搭建了试验台,考察了各种氧化剂对金属和离子氧化的影响。臭氧对所有成分的氧化效率比次氯酸钠高10-15%。硫酸铁的氧化性能略好于聚合氯化铝,但硫酸铁的用量为50 ~ 100 mg/L,而聚合氯化铝的用量仅为5 ~ 7 mg/L。对不同过滤介质进行了研究,确定了反渗透装置的运行参数。铝硅酸盐介质的吸附性能最好。
本文章由计算机程序翻译,如有差异,请以英文原文为准。

Development of a Wastewater Treatment Technology for Tailings Storage Facilities of Mineral Processing Plants

Development of a Wastewater Treatment Technology for Tailings Storage Facilities of Mineral Processing Plants

Development of a Wastewater Treatment Technology for Tailings Storage Facilities of Mineral Processing Plants

A treatment unit for desalinating water by reverse osmosis was developed to remove cyanides, thiocyanates, total hardness, and traces of nonoxidized metals from wastewater. A test stand was constructed, and the influence of various oxidants on the oxidation of metals and ions was examined. It was found that ozone oxidizes all components 10–15% more efficiently than sodium hypochlorite. Iron sulfate shows slightly better oxidation performance than polyaluminum chloride, but the required dosage of iron sulfate is 50–100 mg/L, while that of polyaluminum chloride is only 5–7 mg/L. Various filter media were studied, and the operational parameters of the reverse osmosis unit were determined. Aluminosilicate media AS/MS exhibited the best sorption properties.

求助全文
通过发布文献求助,成功后即可免费获取论文全文。 去求助
来源期刊
CiteScore
1.20
自引率
25.00%
发文量
70
审稿时长
24 months
期刊介绍: Theoretical Foundations of Chemical Engineering is a comprehensive journal covering all aspects of theoretical and applied research in chemical engineering, including transport phenomena; surface phenomena; processes of mixture separation; theory and methods of chemical reactor design; combined processes and multifunctional reactors; hydromechanic, thermal, diffusion, and chemical processes and apparatus, membrane processes and reactors; biotechnology; dispersed systems; nanotechnologies; process intensification; information modeling and analysis; energy- and resource-saving processes; environmentally clean processes and technologies.
×
引用
GB/T 7714-2015
复制
MLA
复制
APA
复制
导出至
BibTeX EndNote RefMan NoteFirst NoteExpress
×
提示
您的信息不完整,为了账户安全,请先补充。
现在去补充
×
提示
您因"违规操作"
具体请查看互助需知
我知道了
×
提示
确定
请完成安全验证×
copy
已复制链接
快去分享给好友吧!
我知道了
右上角分享
点击右上角分享
0
联系我们:info@booksci.cn Book学术提供免费学术资源搜索服务,方便国内外学者检索中英文文献。致力于提供最便捷和优质的服务体验。 Copyright © 2023 布克学术 All rights reserved.
京ICP备2023020795号-1
ghs 京公网安备 11010802042870号
Book学术文献互助
Book学术文献互助群
群 号:604180095
Book学术官方微信