用声电变换法检测混凝土制品和结构的技术条件

IF 0.9 4区 材料科学 Q4 MATERIALS SCIENCE, CHARACTERIZATION & TESTING
V. F. Gordeev, A. A. Bespal’ko, S. G. Shtalin, S. Yu. Malyshkov, Junhua Luo
{"title":"用声电变换法检测混凝土制品和结构的技术条件","authors":"V. F. Gordeev,&nbsp;A. A. Bespal’ko,&nbsp;S. G. Shtalin,&nbsp;S. Yu. Malyshkov,&nbsp;Junhua Luo","doi":"10.1134/S1061830925600121","DOIUrl":null,"url":null,"abstract":"<p>The article discusses the possibility of using the acoustic-electrical transformation method to detect cracks and mechanical compressive strength of concrete. Numerical and experimental studies of changes in the parameters of the electromagnetic response of model samples of concrete made of a cement-sand mixture with a crack to a deterministic pulsed acoustic impact are presented. It is shown that the presence of a crack is determined by changes in the amplitude-frequency parameters of the electromagnetic response from the sample. An example of  determining the locations of weakening of the mechanical strength of a concrete construction beam based on the parameters of electromagnetic signals is given. The results of comparative tests for determining the mechanical compressive strength of concrete, obtained using a calibrated sclerometer and an acoustic-electric method, are shown. The results of monitoring the mechanical strength of concrete structures of an operating bridge crossing over a river are also presented based on the parameters of the electromagnetic response that arise during impact probing with acoustic pulses.</p>","PeriodicalId":764,"journal":{"name":"Russian Journal of Nondestructive Testing","volume":"61 6","pages":"620 - 632"},"PeriodicalIF":0.9000,"publicationDate":"2025-09-08","publicationTypes":"Journal Article","fieldsOfStudy":null,"isOpenAccess":false,"openAccessPdf":"","citationCount":"0","resultStr":"{\"title\":\"Testing of the Technical Condition of Concrete Products and Structures by the Method of Acoustic–Electrical Transformations\",\"authors\":\"V. F. Gordeev,&nbsp;A. A. Bespal’ko,&nbsp;S. G. Shtalin,&nbsp;S. Yu. Malyshkov,&nbsp;Junhua Luo\",\"doi\":\"10.1134/S1061830925600121\",\"DOIUrl\":null,\"url\":null,\"abstract\":\"<p>The article discusses the possibility of using the acoustic-electrical transformation method to detect cracks and mechanical compressive strength of concrete. Numerical and experimental studies of changes in the parameters of the electromagnetic response of model samples of concrete made of a cement-sand mixture with a crack to a deterministic pulsed acoustic impact are presented. It is shown that the presence of a crack is determined by changes in the amplitude-frequency parameters of the electromagnetic response from the sample. An example of  determining the locations of weakening of the mechanical strength of a concrete construction beam based on the parameters of electromagnetic signals is given. The results of comparative tests for determining the mechanical compressive strength of concrete, obtained using a calibrated sclerometer and an acoustic-electric method, are shown. The results of monitoring the mechanical strength of concrete structures of an operating bridge crossing over a river are also presented based on the parameters of the electromagnetic response that arise during impact probing with acoustic pulses.</p>\",\"PeriodicalId\":764,\"journal\":{\"name\":\"Russian Journal of Nondestructive Testing\",\"volume\":\"61 6\",\"pages\":\"620 - 632\"},\"PeriodicalIF\":0.9000,\"publicationDate\":\"2025-09-08\",\"publicationTypes\":\"Journal Article\",\"fieldsOfStudy\":null,\"isOpenAccess\":false,\"openAccessPdf\":\"\",\"citationCount\":\"0\",\"resultStr\":null,\"platform\":\"Semanticscholar\",\"paperid\":null,\"PeriodicalName\":\"Russian Journal of Nondestructive Testing\",\"FirstCategoryId\":\"88\",\"ListUrlMain\":\"https://link.springer.com/article/10.1134/S1061830925600121\",\"RegionNum\":4,\"RegionCategory\":\"材料科学\",\"ArticlePicture\":[],\"TitleCN\":null,\"AbstractTextCN\":null,\"PMCID\":null,\"EPubDate\":\"\",\"PubModel\":\"\",\"JCR\":\"Q4\",\"JCRName\":\"MATERIALS SCIENCE, CHARACTERIZATION & TESTING\",\"Score\":null,\"Total\":0}","platform":"Semanticscholar","paperid":null,"PeriodicalName":"Russian Journal of Nondestructive Testing","FirstCategoryId":"88","ListUrlMain":"https://link.springer.com/article/10.1134/S1061830925600121","RegionNum":4,"RegionCategory":"材料科学","ArticlePicture":[],"TitleCN":null,"AbstractTextCN":null,"PMCID":null,"EPubDate":"","PubModel":"","JCR":"Q4","JCRName":"MATERIALS SCIENCE, CHARACTERIZATION & TESTING","Score":null,"Total":0}
引用次数: 0

摘要

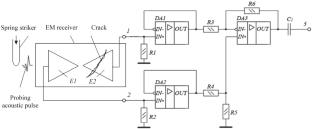
探讨了利用声电变换法检测混凝土裂缝和力学抗压强度的可能性。本文对含裂纹水泥砂混合料混凝土模型试样在确定性脉冲声冲击作用下的电磁响应参数变化进行了数值和实验研究。结果表明,裂纹的存在是由试样电磁响应的幅频参数的变化决定的。给出了基于电磁信号参数确定混凝土结构梁机械强度衰减位置的实例。对比试验的结果,确定机械抗压强度的混凝土,获得了使用校准的硬度计和声电法,显示。本文还介绍了利用声脉冲冲击探测时产生的电磁响应参数,对正在运行的跨河桥梁混凝土结构进行机械强度监测的结果。
本文章由计算机程序翻译,如有差异,请以英文原文为准。

Testing of the Technical Condition of Concrete Products and Structures by the Method of Acoustic–Electrical Transformations

Testing of the Technical Condition of Concrete Products and Structures by the Method of Acoustic–Electrical Transformations

Testing of the Technical Condition of Concrete Products and Structures by the Method of Acoustic–Electrical Transformations

The article discusses the possibility of using the acoustic-electrical transformation method to detect cracks and mechanical compressive strength of concrete. Numerical and experimental studies of changes in the parameters of the electromagnetic response of model samples of concrete made of a cement-sand mixture with a crack to a deterministic pulsed acoustic impact are presented. It is shown that the presence of a crack is determined by changes in the amplitude-frequency parameters of the electromagnetic response from the sample. An example of  determining the locations of weakening of the mechanical strength of a concrete construction beam based on the parameters of electromagnetic signals is given. The results of comparative tests for determining the mechanical compressive strength of concrete, obtained using a calibrated sclerometer and an acoustic-electric method, are shown. The results of monitoring the mechanical strength of concrete structures of an operating bridge crossing over a river are also presented based on the parameters of the electromagnetic response that arise during impact probing with acoustic pulses.

求助全文
通过发布文献求助,成功后即可免费获取论文全文。 去求助
来源期刊
Russian Journal of Nondestructive Testing
Russian Journal of Nondestructive Testing 工程技术-材料科学:表征与测试
CiteScore
1.60
自引率
44.40%
发文量
59
审稿时长
6-12 weeks
期刊介绍: Russian Journal of Nondestructive Testing, a translation of Defectoskopiya, is a publication of the Russian Academy of Sciences. This publication offers current Russian research on the theory and technology of nondestructive testing of materials and components. It describes laboratory and industrial investigations of devices and instrumentation and provides reviews of new equipment developed for series manufacture. Articles cover all physical methods of nondestructive testing, including magnetic and electrical; ultrasonic; X-ray and Y-ray; capillary; liquid (color luminescence), and radio (for materials of low conductivity).
×
引用
GB/T 7714-2015
复制
MLA
复制
APA
复制
导出至
BibTeX EndNote RefMan NoteFirst NoteExpress
×
提示
您的信息不完整,为了账户安全,请先补充。
现在去补充
×
提示
您因"违规操作"
具体请查看互助需知
我知道了
×
提示
确定
请完成安全验证×
copy
已复制链接
快去分享给好友吧!
我知道了
右上角分享
点击右上角分享
0
联系我们:info@booksci.cn Book学术提供免费学术资源搜索服务,方便国内外学者检索中英文文献。致力于提供最便捷和优质的服务体验。 Copyright © 2023 布克学术 All rights reserved.
京ICP备2023020795号-1
ghs 京公网安备 11010802042870号
Book学术文献互助
Book学术文献互助群
群 号:604180095
Book学术官方微信