前庭自我运动知觉模型在晕动病计算框架中的理论思考。

IF 1.6 4区 工程技术 Q3 COMPUTER SCIENCE, CYBERNETICS
Takahiro Wada, Jelte E Bos
{"title":"前庭自我运动知觉模型在晕动病计算框架中的理论思考。","authors":"Takahiro Wada, Jelte E Bos","doi":"10.1007/s00422-025-01018-0","DOIUrl":null,"url":null,"abstract":"<p><p>This study examines self-motion perception incorporated into motion sickness models. Research on modeling self-motion perception and motion sickness has advanced independently, though both are thought to share neural mechanisms, making the construction of a unified model opportune. Models based on the Subjective Vertical Conflict (SVC) theory, a refinement of the neural mismatch theory, have primarily focused on motion sickness, with limited validation for self-motion perception. Emerging studies have begun evaluating the perceptual validity of these models, suggesting that some models can reproduce perception in specific paradigms, while they often struggle to jointly capture motion perception and sickness. One prior study demonstrated that one of the SVC models could replicate illusory tilt during centrifugation, while others produced unrealistic responses, such as persistent tilt after motion cessation. In reality, under steady-state conditions such as being motionless, perceived motion is expected to settle to an appropriate state regardless of prior states. Based on the idea that this behavior is closely related to the equilibrium points and stability of the model dynamics, this study theoretically analyzed 6DoF-SVC models with a focus on them. Results confirmed that only one model ensures convergence from any state to a unique equilibrium point corresponding to plausible perception. In contrast, other SVC models and a conventional self-motion perception model converged to values dependent on earlier states. Further analysis showed that only this model captured both the somatogravic and Ferris wheel illusion. In conclusion, this 6DoF-SVC model unifies motion perception and sickness modeling, with theoretical convergence of the perceptual state.</p>","PeriodicalId":55374,"journal":{"name":"Biological Cybernetics","volume":"119 4-6","pages":"22"},"PeriodicalIF":1.6000,"publicationDate":"2025-08-07","publicationTypes":"Journal Article","fieldsOfStudy":null,"isOpenAccess":false,"openAccessPdf":"https://www.ncbi.nlm.nih.gov/pmc/articles/PMC12331883/pdf/","citationCount":"0","resultStr":"{\"title\":\"Theoretical considerations on models of vestibular self-motion perception as inherent in computational frameworks of motion sickness.\",\"authors\":\"Takahiro Wada, Jelte E Bos\",\"doi\":\"10.1007/s00422-025-01018-0\",\"DOIUrl\":null,\"url\":null,\"abstract\":\"<p><p>This study examines self-motion perception incorporated into motion sickness models. Research on modeling self-motion perception and motion sickness has advanced independently, though both are thought to share neural mechanisms, making the construction of a unified model opportune. Models based on the Subjective Vertical Conflict (SVC) theory, a refinement of the neural mismatch theory, have primarily focused on motion sickness, with limited validation for self-motion perception. Emerging studies have begun evaluating the perceptual validity of these models, suggesting that some models can reproduce perception in specific paradigms, while they often struggle to jointly capture motion perception and sickness. One prior study demonstrated that one of the SVC models could replicate illusory tilt during centrifugation, while others produced unrealistic responses, such as persistent tilt after motion cessation. In reality, under steady-state conditions such as being motionless, perceived motion is expected to settle to an appropriate state regardless of prior states. Based on the idea that this behavior is closely related to the equilibrium points and stability of the model dynamics, this study theoretically analyzed 6DoF-SVC models with a focus on them. Results confirmed that only one model ensures convergence from any state to a unique equilibrium point corresponding to plausible perception. In contrast, other SVC models and a conventional self-motion perception model converged to values dependent on earlier states. Further analysis showed that only this model captured both the somatogravic and Ferris wheel illusion. In conclusion, this 6DoF-SVC model unifies motion perception and sickness modeling, with theoretical convergence of the perceptual state.</p>\",\"PeriodicalId\":55374,\"journal\":{\"name\":\"Biological Cybernetics\",\"volume\":\"119 4-6\",\"pages\":\"22\"},\"PeriodicalIF\":1.6000,\"publicationDate\":\"2025-08-07\",\"publicationTypes\":\"Journal Article\",\"fieldsOfStudy\":null,\"isOpenAccess\":false,\"openAccessPdf\":\"https://www.ncbi.nlm.nih.gov/pmc/articles/PMC12331883/pdf/\",\"citationCount\":\"0\",\"resultStr\":null,\"platform\":\"Semanticscholar\",\"paperid\":null,\"PeriodicalName\":\"Biological Cybernetics\",\"FirstCategoryId\":\"5\",\"ListUrlMain\":\"https://doi.org/10.1007/s00422-025-01018-0\",\"RegionNum\":4,\"RegionCategory\":\"工程技术\",\"ArticlePicture\":[],\"TitleCN\":null,\"AbstractTextCN\":null,\"PMCID\":null,\"EPubDate\":\"\",\"PubModel\":\"\",\"JCR\":\"Q3\",\"JCRName\":\"COMPUTER SCIENCE, CYBERNETICS\",\"Score\":null,\"Total\":0}","platform":"Semanticscholar","paperid":null,"PeriodicalName":"Biological Cybernetics","FirstCategoryId":"5","ListUrlMain":"https://doi.org/10.1007/s00422-025-01018-0","RegionNum":4,"RegionCategory":"工程技术","ArticlePicture":[],"TitleCN":null,"AbstractTextCN":null,"PMCID":null,"EPubDate":"","PubModel":"","JCR":"Q3","JCRName":"COMPUTER SCIENCE, CYBERNETICS","Score":null,"Total":0}
引用次数: 0

摘要

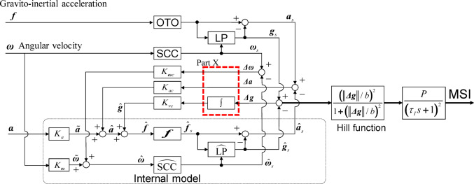
本研究将自我运动知觉纳入晕动病模型。自运动知觉和晕动病的建模研究各自独立进行,但两者被认为具有共同的神经机制,因此建立统一的模型是合适的。主观垂直冲突(SVC)理论是神经错配理论的一种改进,基于该理论的模型主要集中在晕动病上,对自我运动感知的验证有限。新兴的研究已经开始评估这些模型的感知有效性,表明一些模型可以在特定的范式中再现感知,而它们往往难以共同捕捉运动感知和疾病。先前的一项研究表明,其中一种SVC模型可以在离心过程中复制虚幻的倾斜,而其他模型则产生不现实的反应,例如运动停止后的持续倾斜。在现实中,在稳态条件下,如不动,感知到的运动被期望稳定到一个适当的状态,而不管先前的状态。基于该行为与模型动力学的平衡点和稳定性密切相关的思想,本研究对6DoF-SVC模型进行了理论分析,并对其进行了重点研究。结果证实,只有一个模型可以保证从任何状态收敛到对应于合理感知的唯一平衡点。相比之下,其他SVC模型和传统的自运动感知模型收敛到依赖于早期状态的值。进一步的分析表明,只有这个模型能同时捕捉到躯体重力错觉和摩天轮错觉。综上所述,该6DoF-SVC模型统一了运动感知和疾病建模,具有感知状态的理论收敛性。
本文章由计算机程序翻译,如有差异,请以英文原文为准。

Theoretical considerations on models of vestibular self-motion perception as inherent in computational frameworks of motion sickness.

Theoretical considerations on models of vestibular self-motion perception as inherent in computational frameworks of motion sickness.

Theoretical considerations on models of vestibular self-motion perception as inherent in computational frameworks of motion sickness.

Theoretical considerations on models of vestibular self-motion perception as inherent in computational frameworks of motion sickness.

This study examines self-motion perception incorporated into motion sickness models. Research on modeling self-motion perception and motion sickness has advanced independently, though both are thought to share neural mechanisms, making the construction of a unified model opportune. Models based on the Subjective Vertical Conflict (SVC) theory, a refinement of the neural mismatch theory, have primarily focused on motion sickness, with limited validation for self-motion perception. Emerging studies have begun evaluating the perceptual validity of these models, suggesting that some models can reproduce perception in specific paradigms, while they often struggle to jointly capture motion perception and sickness. One prior study demonstrated that one of the SVC models could replicate illusory tilt during centrifugation, while others produced unrealistic responses, such as persistent tilt after motion cessation. In reality, under steady-state conditions such as being motionless, perceived motion is expected to settle to an appropriate state regardless of prior states. Based on the idea that this behavior is closely related to the equilibrium points and stability of the model dynamics, this study theoretically analyzed 6DoF-SVC models with a focus on them. Results confirmed that only one model ensures convergence from any state to a unique equilibrium point corresponding to plausible perception. In contrast, other SVC models and a conventional self-motion perception model converged to values dependent on earlier states. Further analysis showed that only this model captured both the somatogravic and Ferris wheel illusion. In conclusion, this 6DoF-SVC model unifies motion perception and sickness modeling, with theoretical convergence of the perceptual state.

求助全文
通过发布文献求助,成功后即可免费获取论文全文。 去求助
来源期刊
Biological Cybernetics
Biological Cybernetics 工程技术-计算机:控制论
CiteScore
3.50
自引率
5.30%
发文量
38
审稿时长
6-12 weeks
期刊介绍: Biological Cybernetics is an interdisciplinary medium for theoretical and application-oriented aspects of information processing in organisms, including sensory, motor, cognitive, and ecological phenomena. Topics covered include: mathematical modeling of biological systems; computational, theoretical or engineering studies with relevance for understanding biological information processing; and artificial implementation of biological information processing and self-organizing principles. Under the main aspects of performance and function of systems, emphasis is laid on communication between life sciences and technical/theoretical disciplines.
×
引用
GB/T 7714-2015
复制
MLA
复制
APA
复制
导出至
BibTeX EndNote RefMan NoteFirst NoteExpress
×
提示
您的信息不完整,为了账户安全,请先补充。
现在去补充
×
提示
您因"违规操作"
具体请查看互助需知
我知道了
×
提示
确定
请完成安全验证×
copy
已复制链接
快去分享给好友吧!
我知道了
右上角分享
点击右上角分享
0
联系我们:info@booksci.cn Book学术提供免费学术资源搜索服务,方便国内外学者检索中英文文献。致力于提供最便捷和优质的服务体验。 Copyright © 2023 布克学术 All rights reserved.
京ICP备2023020795号-1
ghs 京公网安备 11010802042870号
Book学术文献互助
Book学术文献互助群
群 号:604180095
Book学术官方微信