Trace lead measurement and online removal of matrix interference in geosamples by ion-exchange coupled with flow injection and hydride generation atomic fluorescence spectrometry.

Chun-Hua Tan, Xu-Guang Huang
{"title":"Trace lead measurement and online removal of matrix interference in geosamples by ion-exchange coupled with flow injection and hydride generation atomic fluorescence spectrometry.","authors":"Chun-Hua Tan,&nbsp;Xu-Guang Huang","doi":"10.1155/2009/101679","DOIUrl":null,"url":null,"abstract":"<p><p>A flow injection method has been developed for the direct determination of free available Pb(II). The method is based on the chemical sorption of Pb(II), from pH7 solutions, on a column packed of chelating resin. The retained complex was afterwards eluted with hydrochloric acid followed by hydride generation with reduction by tetrahydroborate. The preconcentration system proposed in this paper allows the elimination of great part of the saline content in the sample. A thorough scrutiny was made for chemical variables and FI parameters. With a sampling volume of 10.5 mL, quantitative retention of Pb (II) was obtained, along with an enrichment factor of 40 and a sampling frequency of 15 h(-1). The detection limit, defined as 3 times the blank standard deviation (3sigma), was 0.0031 ngml(-1). The precision was characterized by an RSD value of 3.78% (at the 4 ng.ml(-1) level, n = 11). The developed method has been applied to the determination of trace Pb in three standard reference materials. Accuracy was assessed through comparing the results with the accepted values.</p>","PeriodicalId":15248,"journal":{"name":"Journal of Automated Methods & Management in Chemistry","volume":"2009 ","pages":"101679"},"PeriodicalIF":0.0000,"publicationDate":"2009-01-01","publicationTypes":"Journal Article","fieldsOfStudy":null,"isOpenAccess":false,"openAccessPdf":"https://sci-hub-pdf.com/10.1155/2009/101679","citationCount":"8","resultStr":null,"platform":"Semanticscholar","paperid":null,"PeriodicalName":"Journal of Automated Methods & Management in Chemistry","FirstCategoryId":"1085","ListUrlMain":"https://doi.org/10.1155/2009/101679","RegionNum":0,"RegionCategory":null,"ArticlePicture":[],"TitleCN":null,"AbstractTextCN":null,"PMCID":null,"EPubDate":"2009/9/6 0:00:00","PubModel":"Epub","JCR":"","JCRName":"","Score":null,"Total":0}
引用次数: 8

Abstract

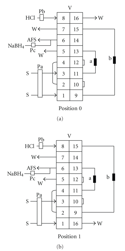
A flow injection method has been developed for the direct determination of free available Pb(II). The method is based on the chemical sorption of Pb(II), from pH7 solutions, on a column packed of chelating resin. The retained complex was afterwards eluted with hydrochloric acid followed by hydride generation with reduction by tetrahydroborate. The preconcentration system proposed in this paper allows the elimination of great part of the saline content in the sample. A thorough scrutiny was made for chemical variables and FI parameters. With a sampling volume of 10.5 mL, quantitative retention of Pb (II) was obtained, along with an enrichment factor of 40 and a sampling frequency of 15 h(-1). The detection limit, defined as 3 times the blank standard deviation (3sigma), was 0.0031 ngml(-1). The precision was characterized by an RSD value of 3.78% (at the 4 ng.ml(-1) level, n = 11). The developed method has been applied to the determination of trace Pb in three standard reference materials. Accuracy was assessed through comparing the results with the accepted values.

Abstract Image

Abstract Image

Abstract Image

离子交换-流动注射-氢化物发生原子荧光光谱法测定地球样品中痕量铅并在线去除基质干扰。
建立了流动注射法直接测定游离有效铅(II)的方法。该方法是基于化学吸附铅(II),从pH7溶液,在一个柱填充的螯合树脂。保留的配合物随后用盐酸洗脱,然后用四氢硼酸盐还原生成氢化物。本文提出的预富集系统可以消除样品中的大部分盐含量。对化学变量和FI参数进行了彻底的审查。样品体积为10.5 mL,可获得Pb (II)的定量保留,富集系数为40,采样频率为15 h(-1)。检测限为0.0031 ngml(-1),定义为空白标准差(3sigma)的3倍。精密度的RSD值为3.78%(在4 ng.ml(-1)水平,n = 11)。该方法已应用于3种标准物质中痕量铅的测定。通过将结果与接受值进行比较来评估准确性。
本文章由计算机程序翻译,如有差异,请以英文原文为准。
求助全文
约1分钟内获得全文 求助全文
来源期刊
自引率
0.00%
发文量
0
审稿时长
>12 weeks
×
引用
GB/T 7714-2015
复制
MLA
复制
APA
复制
导出至
BibTeX EndNote RefMan NoteFirst NoteExpress
×
提示
您的信息不完整,为了账户安全,请先补充。
现在去补充
×
提示
您因"违规操作"
具体请查看互助需知
我知道了
×
提示
确定
请完成安全验证×
copy
已复制链接
快去分享给好友吧!
我知道了
右上角分享
点击右上角分享
0
联系我们:info@booksci.cn Book学术提供免费学术资源搜索服务,方便国内外学者检索中英文文献。致力于提供最便捷和优质的服务体验。 Copyright © 2023 布克学术 All rights reserved.
京ICP备2023020795号-1
ghs 京公网安备 11010802042870号
Book学术文献互助
Book学术文献互助群
群 号:604180095
Book学术官方微信