Machine learning-based extraction of mechanical properties from multi-fidelity small punch test data

IF 3.8 2区 工程技术 Q2 ENGINEERING, MANUFACTURING
Zheng-Ni Yang, Jie Zou, Li Huang, Rui Yang, Jing-Yi Zhang, Chao Tong, Jing-Yu Kong, Zhen-Fei Zhan, Qing Liu
{"title":"Machine learning-based extraction of mechanical properties from multi-fidelity small punch test data","authors":"Zheng-Ni Yang,&nbsp;Jie Zou,&nbsp;Li Huang,&nbsp;Rui Yang,&nbsp;Jing-Yi Zhang,&nbsp;Chao Tong,&nbsp;Jing-Yu Kong,&nbsp;Zhen-Fei Zhan,&nbsp;Qing Liu","doi":"10.1007/s40436-024-00540-x","DOIUrl":null,"url":null,"abstract":"<div><p>The extraction of mechanical properties plays a crucial role in understanding material behavior and predicting performance in various applications. However, the traditional methods for determining these properties often involve complex and time-consuming tests, which may not be practical in certain situations. To address this challenge, we developed a novel machine learning methodology that leveraged multi-fidelity datasets obtained from small punch test (SPT) experiments. SPT is a simple technique in which a localized load is applied to a small specimen, and the resulting deformation is measured. By analyzing the load-displacement data obtained from the SPT, valuable insights into the mechanical properties of the material can be obtained. In this study, we developed a multi-fidelity model capable of predicting the mechanical properties of steel and aluminum alloys. The proposed model considers variations in the material thickness and can effectively predict the mechanical properties of materials with different thicknesses, accommodating practical scenarios in which material samples exhibit varying thicknesses owing to different applications or manufacturing processes. In constructing our model, we synergistically incorporated low-fidelity finite element method (FEM) data and high-fidelity experimental data to predict the material properties. This integration enabled us to optimize and bolster the accuracy of our predictions, thereby facilitating a comprehensive and dependable characterization of the mechanical behavior of the material. By leveraging the advantages of SPT and incorporating multi-fidelity modeling techniques, our approach offers a practical and efficient solution for extracting mechanical properties. The ability to predict the properties of steel and aluminum alloys and materials with varying thicknesses enhances the versatility and applicability of our model in real-world scenarios.</p></div>","PeriodicalId":7342,"journal":{"name":"Advances in Manufacturing","volume":"13 3","pages":"511 - 524"},"PeriodicalIF":3.8000,"publicationDate":"2025-03-01","publicationTypes":"Journal Article","fieldsOfStudy":null,"isOpenAccess":false,"openAccessPdf":"","citationCount":"0","resultStr":null,"platform":"Semanticscholar","paperid":null,"PeriodicalName":"Advances in Manufacturing","FirstCategoryId":"5","ListUrlMain":"https://link.springer.com/article/10.1007/s40436-024-00540-x","RegionNum":2,"RegionCategory":"工程技术","ArticlePicture":[],"TitleCN":null,"AbstractTextCN":null,"PMCID":null,"EPubDate":"","PubModel":"","JCR":"Q2","JCRName":"ENGINEERING, MANUFACTURING","Score":null,"Total":0}
引用次数: 0

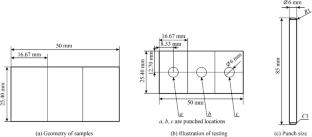
Abstract

The extraction of mechanical properties plays a crucial role in understanding material behavior and predicting performance in various applications. However, the traditional methods for determining these properties often involve complex and time-consuming tests, which may not be practical in certain situations. To address this challenge, we developed a novel machine learning methodology that leveraged multi-fidelity datasets obtained from small punch test (SPT) experiments. SPT is a simple technique in which a localized load is applied to a small specimen, and the resulting deformation is measured. By analyzing the load-displacement data obtained from the SPT, valuable insights into the mechanical properties of the material can be obtained. In this study, we developed a multi-fidelity model capable of predicting the mechanical properties of steel and aluminum alloys. The proposed model considers variations in the material thickness and can effectively predict the mechanical properties of materials with different thicknesses, accommodating practical scenarios in which material samples exhibit varying thicknesses owing to different applications or manufacturing processes. In constructing our model, we synergistically incorporated low-fidelity finite element method (FEM) data and high-fidelity experimental data to predict the material properties. This integration enabled us to optimize and bolster the accuracy of our predictions, thereby facilitating a comprehensive and dependable characterization of the mechanical behavior of the material. By leveraging the advantages of SPT and incorporating multi-fidelity modeling techniques, our approach offers a practical and efficient solution for extracting mechanical properties. The ability to predict the properties of steel and aluminum alloys and materials with varying thicknesses enhances the versatility and applicability of our model in real-world scenarios.

Abstract Image

基于机器学习的多保真小冲床试验数据力学性能提取
在各种应用中,力学性能的提取对于理解材料的行为和预测材料的性能起着至关重要的作用。然而,用于确定这些属性的传统方法通常涉及复杂且耗时的测试,这在某些情况下可能不实用。为了应对这一挑战,我们开发了一种新的机器学习方法,利用从小冲孔测试(SPT)实验中获得的多保真度数据集。SPT是一种简单的技术,它将局部载荷施加于小试件上,并测量由此产生的变形。通过分析从SPT获得的载荷-位移数据,可以获得对材料力学性能有价值的见解。在这项研究中,我们开发了一个能够预测钢和铝合金力学性能的多保真度模型。该模型考虑了材料厚度的变化,可以有效地预测不同厚度材料的力学性能,适应由于不同应用或制造工艺而导致材料样品呈现不同厚度的实际情况。在构建模型时,我们将低保真有限元方法(FEM)数据和高保真实验数据协同结合,以预测材料的性能。这种集成使我们能够优化和提高预测的准确性,从而促进对材料机械行为的全面和可靠的表征。通过利用SPT的优势并结合多保真度建模技术,我们的方法为提取机械性能提供了一种实用而有效的解决方案。预测不同厚度的钢、铝合金和材料性能的能力增强了我们模型在现实场景中的通用性和适用性。
本文章由计算机程序翻译,如有差异,请以英文原文为准。
求助全文
约1分钟内获得全文 求助全文
来源期刊
Advances in Manufacturing
Advances in Manufacturing Materials Science-Polymers and Plastics
CiteScore
9.10
自引率
3.80%
发文量
274
期刊介绍: As an innovative, fundamental and scientific journal, Advances in Manufacturing aims to describe the latest regional and global research results and forefront developments in advanced manufacturing field. As such, it serves as an international platform for academic exchange between experts, scholars and researchers in this field. All articles in Advances in Manufacturing are peer reviewed. Respected scholars from the fields of advanced manufacturing fields will be invited to write some comments. We also encourage and give priority to research papers that have made major breakthroughs or innovations in the fundamental theory. The targeted fields include: manufacturing automation, mechatronics and robotics, precision manufacturing and control, micro-nano-manufacturing, green manufacturing, design in manufacturing, metallic and nonmetallic materials in manufacturing, metallurgical process, etc. The forms of articles include (but not limited to): academic articles, research reports, and general reviews.
×
引用
GB/T 7714-2015
复制
MLA
复制
APA
复制
导出至
BibTeX EndNote RefMan NoteFirst NoteExpress
×
提示
您的信息不完整,为了账户安全,请先补充。
现在去补充
×
提示
您因"违规操作"
具体请查看互助需知
我知道了
×
提示
确定
请完成安全验证×
copy
已复制链接
快去分享给好友吧!
我知道了
右上角分享
点击右上角分享
0
联系我们:info@booksci.cn Book学术提供免费学术资源搜索服务,方便国内外学者检索中英文文献。致力于提供最便捷和优质的服务体验。 Copyright © 2023 布克学术 All rights reserved.
京ICP备2023020795号-1
ghs 京公网安备 11010802042870号
Book学术文献互助
Book学术文献互助群
群 号:604180095
Book学术官方微信