Fiber-optic sensor for long-term remote monitoring of γ-radiation at nuclear power facilities

IF 0.3 4区 工程技术 Q4 NUCLEAR SCIENCE & TECHNOLOGY
V. V. Davydov, D. S. Dmitrieva
{"title":"Fiber-optic sensor for long-term remote monitoring of γ-radiation at nuclear power facilities","authors":"V. V. Davydov,&nbsp;D. S. Dmitrieva","doi":"10.1007/s10512-025-01230-y","DOIUrl":null,"url":null,"abstract":"<div><p>The paper substantiates the necessity of developing new models of real-time remote systems for monitoring of the radiation situation in difficult conditions. The expediency of using optical fiber systems for this pupose is noted. A sensor for remote real-time measurement of γ‑radiation absorption dose or its rate is presented. The measurement technique is considered, and the features of the sensor operation are noted. The presented research results confirm the measurement error to be less than 6–8%. The prospects for using the developed fiber-optic sensor for long-term monitoring of the radiation situation are noted.</p></div>","PeriodicalId":480,"journal":{"name":"Atomic Energy","volume":"138 1-2","pages":"78 - 86"},"PeriodicalIF":0.3000,"publicationDate":"2025-06-25","publicationTypes":"Journal Article","fieldsOfStudy":null,"isOpenAccess":false,"openAccessPdf":"","citationCount":"0","resultStr":null,"platform":"Semanticscholar","paperid":null,"PeriodicalName":"Atomic Energy","FirstCategoryId":"5","ListUrlMain":"https://link.springer.com/article/10.1007/s10512-025-01230-y","RegionNum":4,"RegionCategory":"工程技术","ArticlePicture":[],"TitleCN":null,"AbstractTextCN":null,"PMCID":null,"EPubDate":"","PubModel":"","JCR":"Q4","JCRName":"NUCLEAR SCIENCE & TECHNOLOGY","Score":null,"Total":0}
引用次数: 0

Abstract

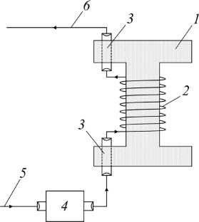
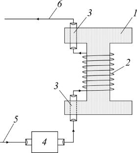
The paper substantiates the necessity of developing new models of real-time remote systems for monitoring of the radiation situation in difficult conditions. The expediency of using optical fiber systems for this pupose is noted. A sensor for remote real-time measurement of γ‑radiation absorption dose or its rate is presented. The measurement technique is considered, and the features of the sensor operation are noted. The presented research results confirm the measurement error to be less than 6–8%. The prospects for using the developed fiber-optic sensor for long-term monitoring of the radiation situation are noted.

Abstract Image

Abstract Image

用于核电设施γ辐射长期远程监测的光纤传感器
本文论证了开发新型远程实时辐射监测系统的必要性。注意到为此目的使用光纤系统的便利性。介绍了一种远程实时测量γ辐射吸收剂量或吸收速率的传感器。对测量技术进行了研究,指出了传感器工作的特点。研究结果表明,测量误差小于6-8%。展望了利用所研制的光纤传感器对辐射状况进行长期监测的前景。
本文章由计算机程序翻译,如有差异,请以英文原文为准。
求助全文
约1分钟内获得全文 求助全文
来源期刊
Atomic Energy
Atomic Energy 工程技术-核科学技术
CiteScore
1.00
自引率
20.00%
发文量
100
审稿时长
4-8 weeks
期刊介绍: Atomic Energy publishes papers and review articles dealing with the latest developments in the peaceful uses of atomic energy. Topics include nuclear chemistry and physics, plasma physics, accelerator characteristics, reactor economics and engineering, applications of isotopes, and radiation monitoring and safety.
×
引用
GB/T 7714-2015
复制
MLA
复制
APA
复制
导出至
BibTeX EndNote RefMan NoteFirst NoteExpress
×
提示
您的信息不完整,为了账户安全,请先补充。
现在去补充
×
提示
您因"违规操作"
具体请查看互助需知
我知道了
×
提示
确定
请完成安全验证×
copy
已复制链接
快去分享给好友吧!
我知道了
右上角分享
点击右上角分享
0
联系我们:info@booksci.cn Book学术提供免费学术资源搜索服务,方便国内外学者检索中英文文献。致力于提供最便捷和优质的服务体验。 Copyright © 2023 布克学术 All rights reserved.
京ICP备2023020795号-1
ghs 京公网安备 11010802042870号
Book学术文献互助
Book学术文献互助群
群 号:604180095
Book学术官方微信