Correcting Spectral Density of Laser Doppler Anemometer Signals during Measuring of High-Speed Aerodynamic Flows. Part 1

IF 1.4 4区 工程技术 Q3 ENGINEERING, MECHANICAL
V. V. Rakhmanov, I. K. Kabardin, A. V. Klimov, V. G. Glavny, D. V. Kulikov, V. G. Meledin, S. V. Dvoynishnikov, V. O. Zuev, G. V. Bakakin, V. A. Pavlov
{"title":"Correcting Spectral Density of Laser Doppler Anemometer Signals during Measuring of High-Speed Aerodynamic Flows. Part 1","authors":"V. V. Rakhmanov,&nbsp;I. K. Kabardin,&nbsp;A. V. Klimov,&nbsp;V. G. Glavny,&nbsp;D. V. Kulikov,&nbsp;V. G. Meledin,&nbsp;S. V. Dvoynishnikov,&nbsp;V. O. Zuev,&nbsp;G. V. Bakakin,&nbsp;V. A. Pavlov","doi":"10.1134/S1810232825010023","DOIUrl":null,"url":null,"abstract":"<p>The first part of the work sets out the problem for a method of constructing correction coefficients to compensate for distortions introduced by the non-uniform frequency characteristics of the electronic path of a laser Doppler velocimeter into the spectral density of Doppler signals. The method relies on averaging a statistical ensemble of the spectral densities of noise signals obtained during illumination of a photodetector by a white light source, constructing the inverse function to the averaged spectral density acquired with truncation in the low- and high- frequency bands, and applying digital low-pass filtering to it. A model numerical experiment has been carried out. The results of the experiment are presented, and they confirm increase in the velocity measurement error as the flow rate grows.</p>","PeriodicalId":627,"journal":{"name":"Journal of Engineering Thermophysics","volume":"34 1","pages":"12 - 24"},"PeriodicalIF":1.4000,"publicationDate":"2025-04-18","publicationTypes":"Journal Article","fieldsOfStudy":null,"isOpenAccess":false,"openAccessPdf":"","citationCount":"0","resultStr":null,"platform":"Semanticscholar","paperid":null,"PeriodicalName":"Journal of Engineering Thermophysics","FirstCategoryId":"5","ListUrlMain":"https://link.springer.com/article/10.1134/S1810232825010023","RegionNum":4,"RegionCategory":"工程技术","ArticlePicture":[],"TitleCN":null,"AbstractTextCN":null,"PMCID":null,"EPubDate":"","PubModel":"","JCR":"Q3","JCRName":"ENGINEERING, MECHANICAL","Score":null,"Total":0}
引用次数: 0

Abstract

The first part of the work sets out the problem for a method of constructing correction coefficients to compensate for distortions introduced by the non-uniform frequency characteristics of the electronic path of a laser Doppler velocimeter into the spectral density of Doppler signals. The method relies on averaging a statistical ensemble of the spectral densities of noise signals obtained during illumination of a photodetector by a white light source, constructing the inverse function to the averaged spectral density acquired with truncation in the low- and high- frequency bands, and applying digital low-pass filtering to it. A model numerical experiment has been carried out. The results of the experiment are presented, and they confirm increase in the velocity measurement error as the flow rate grows.

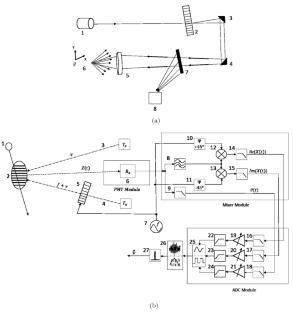
Abstract Image

激光多普勒风速仪高速气流测量信号的谱密度校正。第1部分
本文的第一部分提出了构建校正系数的方法,以补偿由激光多普勒测速仪的电子路径的非均匀频率特性引入多普勒信号频谱密度的畸变。该方法对光电探测器在白光照射下得到的噪声信号的谱密度进行统计系综平均,在低频段和高频段截断得到平均谱密度的逆函数,并对其进行数字低通滤波。进行了模型数值试验。实验结果表明,流速测量误差随流量的增大而增大。
本文章由计算机程序翻译,如有差异,请以英文原文为准。
求助全文
约1分钟内获得全文 求助全文
来源期刊
Journal of Engineering Thermophysics
Journal of Engineering Thermophysics THERMODYNAMICS-ENGINEERING, MECHANICAL
CiteScore
2.30
自引率
12.50%
发文量
0
审稿时长
3 months
期刊介绍: Journal of Engineering Thermophysics is an international peer reviewed journal that publishes original articles. The journal welcomes original articles on thermophysics from all countries in the English language. The journal focuses on experimental work, theory, analysis, and computational studies for better understanding of engineering and environmental aspects of thermophysics. The editorial board encourages the authors to submit papers with emphasis on new scientific aspects in experimental and visualization techniques, mathematical models of thermophysical process, energy, and environmental applications. Journal of Engineering Thermophysics covers all subject matter related to thermophysics, including heat and mass transfer, multiphase flow, conduction, radiation, combustion, thermo-gas dynamics, rarefied gas flow, environmental protection in power engineering, and many others.
×
引用
GB/T 7714-2015
复制
MLA
复制
APA
复制
导出至
BibTeX EndNote RefMan NoteFirst NoteExpress
×
提示
您的信息不完整,为了账户安全,请先补充。
现在去补充
×
提示
您因"违规操作"
具体请查看互助需知
我知道了
×
提示
确定
请完成安全验证×
copy
已复制链接
快去分享给好友吧!
我知道了
右上角分享
点击右上角分享
0
联系我们:info@booksci.cn Book学术提供免费学术资源搜索服务,方便国内外学者检索中英文文献。致力于提供最便捷和优质的服务体验。 Copyright © 2023 布克学术 All rights reserved.
京ICP备2023020795号-1
ghs 京公网安备 11010802042870号
Book学术文献互助
Book学术文献互助群
群 号:604180095
Book学术官方微信