用简单流动注射火焰光度法测定硅酸盐水泥、粉煤灰、外加剂和混凝土水中的钾、钠和总碱

Jaroon Junsomboon, Jaroon Jakmunee
{"title":"用简单流动注射火焰光度法测定硅酸盐水泥、粉煤灰、外加剂和混凝土水中的钾、钠和总碱","authors":"Jaroon Junsomboon,&nbsp;Jaroon Jakmunee","doi":"10.1155/2011/742656","DOIUrl":null,"url":null,"abstract":"<p><p>A simple flow injection with flame photometric detection has been developed for determination of sodium, potassium, and total alkalies in portland cement, fly ash, admixtures, and water of concrete. A liquid sample or a digest of solid sample was injected into a water carrier stream which flowed to a flame photometer. A change in emission intensity at a selected wavelength was recorded as a peak. An amplifier circuit was fabricated, which helped improve sensitivity of the flame photometer. Calibration graphs in the range of 0.05-1.0 mg L(-1) and 1.0-20.0 mg L(-1) were obtained with a detection limit of 0.02 mg L(-1), for both potassium and sodium determination. Relative standard deviations for 11 replicates of injecting of 10 mg L(-1) potassium and sodium solutions were 1.69 and 1.79%, respectively. Sample throughput of 120 h(-1) was achieved. The proposed method was successfully applied to portland cement, fly ash, admixtures, and water samples validated by the ASTM standard method and certified reference materials of portland cement.</p>","PeriodicalId":15248,"journal":{"name":"Journal of Automated Methods & Management in Chemistry","volume":"2011 ","pages":"742656"},"PeriodicalIF":0.0000,"publicationDate":"2011-01-01","publicationTypes":"Journal Article","fieldsOfStudy":null,"isOpenAccess":false,"openAccessPdf":"https://sci-hub-pdf.com/10.1155/2011/742656","citationCount":"30","resultStr":"{\"title\":\"Determination of potassium, sodium, and total alkalies in portland cement, fly ash, admixtures, and water of concrete by a simple flow injection flame photometric system.\",\"authors\":\"Jaroon Junsomboon,&nbsp;Jaroon Jakmunee\",\"doi\":\"10.1155/2011/742656\",\"DOIUrl\":null,\"url\":null,\"abstract\":\"<p><p>A simple flow injection with flame photometric detection has been developed for determination of sodium, potassium, and total alkalies in portland cement, fly ash, admixtures, and water of concrete. A liquid sample or a digest of solid sample was injected into a water carrier stream which flowed to a flame photometer. A change in emission intensity at a selected wavelength was recorded as a peak. An amplifier circuit was fabricated, which helped improve sensitivity of the flame photometer. Calibration graphs in the range of 0.05-1.0 mg L(-1) and 1.0-20.0 mg L(-1) were obtained with a detection limit of 0.02 mg L(-1), for both potassium and sodium determination. Relative standard deviations for 11 replicates of injecting of 10 mg L(-1) potassium and sodium solutions were 1.69 and 1.79%, respectively. Sample throughput of 120 h(-1) was achieved. The proposed method was successfully applied to portland cement, fly ash, admixtures, and water samples validated by the ASTM standard method and certified reference materials of portland cement.</p>\",\"PeriodicalId\":15248,\"journal\":{\"name\":\"Journal of Automated Methods & Management in Chemistry\",\"volume\":\"2011 \",\"pages\":\"742656\"},\"PeriodicalIF\":0.0000,\"publicationDate\":\"2011-01-01\",\"publicationTypes\":\"Journal Article\",\"fieldsOfStudy\":null,\"isOpenAccess\":false,\"openAccessPdf\":\"https://sci-hub-pdf.com/10.1155/2011/742656\",\"citationCount\":\"30\",\"resultStr\":null,\"platform\":\"Semanticscholar\",\"paperid\":null,\"PeriodicalName\":\"Journal of Automated Methods & Management in Chemistry\",\"FirstCategoryId\":\"1085\",\"ListUrlMain\":\"https://doi.org/10.1155/2011/742656\",\"RegionNum\":0,\"RegionCategory\":null,\"ArticlePicture\":[],\"TitleCN\":null,\"AbstractTextCN\":null,\"PMCID\":null,\"EPubDate\":\"2011/6/21 0:00:00\",\"PubModel\":\"Epub\",\"JCR\":\"\",\"JCRName\":\"\",\"Score\":null,\"Total\":0}","platform":"Semanticscholar","paperid":null,"PeriodicalName":"Journal of Automated Methods & Management in Chemistry","FirstCategoryId":"1085","ListUrlMain":"https://doi.org/10.1155/2011/742656","RegionNum":0,"RegionCategory":null,"ArticlePicture":[],"TitleCN":null,"AbstractTextCN":null,"PMCID":null,"EPubDate":"2011/6/21 0:00:00","PubModel":"Epub","JCR":"","JCRName":"","Score":null,"Total":0}
引用次数: 30

摘要

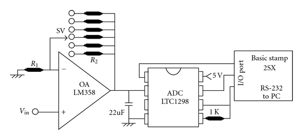
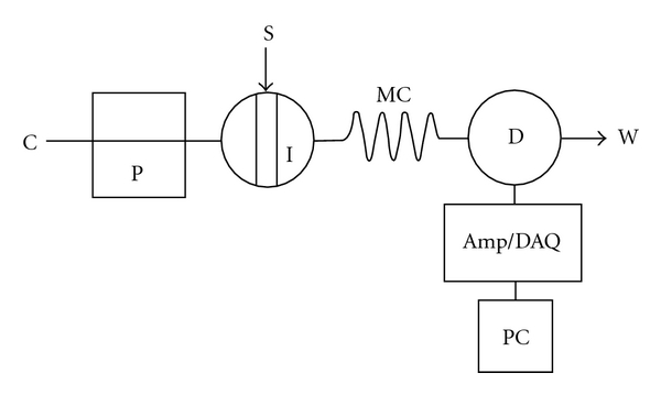
研制了一种简单的流动注射火焰光度法检测方法,用于测定波特兰水泥、粉煤灰、外加剂和混凝土水中的钠、钾和总碱。将液体样品或固体样品的摘要注入到流经火焰光度计的水载体流中。在所选波长处的发射强度变化被记录为峰值。制作了放大电路,提高了火焰光度计的灵敏度。得到了0.05 ~ 1.0 mg L(-1)和1.0 ~ 20.0 mg L(-1)范围内的校准图,钾和钠的检出限均为0.02 mg L(-1)。注射10 mg L(-1)钾钠溶液11次重复的相对标准偏差分别为1.69和1.79%。样品通量达到120 h(-1)。该方法成功地应用于波特兰水泥、粉煤灰、外加剂和水样,这些水样经ASTM标准方法和波特兰水泥认证标准物质验证。
本文章由计算机程序翻译,如有差异,请以英文原文为准。

Determination of potassium, sodium, and total alkalies in portland cement, fly ash, admixtures, and water of concrete by a simple flow injection flame photometric system.

Determination of potassium, sodium, and total alkalies in portland cement, fly ash, admixtures, and water of concrete by a simple flow injection flame photometric system.

Determination of potassium, sodium, and total alkalies in portland cement, fly ash, admixtures, and water of concrete by a simple flow injection flame photometric system.

Determination of potassium, sodium, and total alkalies in portland cement, fly ash, admixtures, and water of concrete by a simple flow injection flame photometric system.

A simple flow injection with flame photometric detection has been developed for determination of sodium, potassium, and total alkalies in portland cement, fly ash, admixtures, and water of concrete. A liquid sample or a digest of solid sample was injected into a water carrier stream which flowed to a flame photometer. A change in emission intensity at a selected wavelength was recorded as a peak. An amplifier circuit was fabricated, which helped improve sensitivity of the flame photometer. Calibration graphs in the range of 0.05-1.0 mg L(-1) and 1.0-20.0 mg L(-1) were obtained with a detection limit of 0.02 mg L(-1), for both potassium and sodium determination. Relative standard deviations for 11 replicates of injecting of 10 mg L(-1) potassium and sodium solutions were 1.69 and 1.79%, respectively. Sample throughput of 120 h(-1) was achieved. The proposed method was successfully applied to portland cement, fly ash, admixtures, and water samples validated by the ASTM standard method and certified reference materials of portland cement.

求助全文
通过发布文献求助,成功后即可免费获取论文全文。 去求助
来源期刊
自引率
0.00%
发文量
0
审稿时长
>12 weeks
×
引用
GB/T 7714-2015
复制
MLA
复制
APA
复制
导出至
BibTeX EndNote RefMan NoteFirst NoteExpress
×
提示
您的信息不完整,为了账户安全,请先补充。
现在去补充
×
提示
您因"违规操作"
具体请查看互助需知
我知道了
×
提示
确定
请完成安全验证×
copy
已复制链接
快去分享给好友吧!
我知道了
右上角分享
点击右上角分享
0
联系我们:info@booksci.cn Book学术提供免费学术资源搜索服务,方便国内外学者检索中英文文献。致力于提供最便捷和优质的服务体验。 Copyright © 2023 布克学术 All rights reserved.
京ICP备2023020795号-1
ghs 京公网安备 11010802042870号
Book学术文献互助
Book学术文献互助群
群 号:604180095
Book学术官方微信