8周综合训练对青少年女子羽毛球运动员下肢爆发力和运动敏捷性的影响。

IF 3.2 3区 医学 Q2 PHYSIOLOGY
Frontiers in Physiology Pub Date : 2025-09-22 eCollection Date: 2025-01-01 DOI:10.3389/fphys.2025.1678866
Rui Hu, Minchen Zhao, Xiang Shen, Zhiming Wang
{"title":"8周综合训练对青少年女子羽毛球运动员下肢爆发力和运动敏捷性的影响。","authors":"Rui Hu, Minchen Zhao, Xiang Shen, Zhiming Wang","doi":"10.3389/fphys.2025.1678866","DOIUrl":null,"url":null,"abstract":"<p><strong>Background: </strong>Badminton requires high-intensity lower limb explosive power and agility for executing rapid lunges, jumps, and directional changes. Complex training (CT) combines heavy resistance exercises with plyometric activities to enhance maximal strength and explosive performance through post-activation performance enhancement (PAPE). However, limited research exists on CT effects in adolescent female badminton players.</p><p><strong>Objective: </strong>To investigate the effects of an 8-week complex training program on lower limb explosive power and movement agility in adolescent female badminton players.</p><p><strong>Methods: </strong>Thirty-two adolescent female badminton players were randomly allocated into complex training group (CT group, n = 16, age: 15.69 ± 0.95 years) and resistance training group (RT group, n = 16, age: 15.63 ± 1.15 years). The CT group performed resistance exercises (75%-85% 1RM) paired with plyometric exercises twice weekly for 8 weeks, while the RT group completed traditional resistance training with the same frequency. Pre- and post-intervention assessments included squat jump (SJ), countermovement jump (CMJ), bilateral and unilateral jumps, sprint tests (5 m, 10 m, 15 m, 20 m), hexagon test, modified 505 change of direction (COD) test, on-court COD test, and isometric mid-thigh pull (IMTP). Two-way repeated measures ANOVA was used for statistical analysis (p < 0.05).</p><p><strong>Results: </strong>Significant group × time interactions were observed for SJ, CMJ, unilateral jumps, sprint performance (5 m, 10 m, 20 m), and agility tests (all p < 0.05). The CT group showed greater improvements compared to RT group: SJ (1.83 cm vs. 0.95 cm, Cohen's d = 1.196 vs. 0.642), CMJ (3.64 cm vs. 1.27 cm, Cohen's d = 1.949 vs. 0.681), 5 m sprint (0.18s vs. 0.06s improvement, Cohen's d = 1.889 vs. 0.667), hexagon test (1.29s vs. 0.03s improvement), and COD performance. Both groups significantly improved IMTP with no between-group differences (p > 0.05).</p><p><strong>Conclusion: </strong>An 8-week complex training program elicited significantly greater improvements in lower limb explosive power, sprint acceleration, and multidirectional agility compared to traditional resistance training in adolescent female badminton players. These findings suggest CT is an effective, sport-specific training intervention that capitalizes on the heightened neuromuscular plasticity of adolescent athletes.</p>","PeriodicalId":12477,"journal":{"name":"Frontiers in Physiology","volume":"16 ","pages":"1678866"},"PeriodicalIF":3.2000,"publicationDate":"2025-09-22","publicationTypes":"Journal Article","fieldsOfStudy":null,"isOpenAccess":false,"openAccessPdf":"https://www.ncbi.nlm.nih.gov/pmc/articles/PMC12497702/pdf/","citationCount":"0","resultStr":"{\"title\":\"The effects of an 8-week complex training program on lower limb explosive power and movement agility in adolescent female badminton players.\",\"authors\":\"Rui Hu, Minchen Zhao, Xiang Shen, Zhiming Wang\",\"doi\":\"10.3389/fphys.2025.1678866\",\"DOIUrl\":null,\"url\":null,\"abstract\":\"<p><strong>Background: </strong>Badminton requires high-intensity lower limb explosive power and agility for executing rapid lunges, jumps, and directional changes. Complex training (CT) combines heavy resistance exercises with plyometric activities to enhance maximal strength and explosive performance through post-activation performance enhancement (PAPE). However, limited research exists on CT effects in adolescent female badminton players.</p><p><strong>Objective: </strong>To investigate the effects of an 8-week complex training program on lower limb explosive power and movement agility in adolescent female badminton players.</p><p><strong>Methods: </strong>Thirty-two adolescent female badminton players were randomly allocated into complex training group (CT group, n = 16, age: 15.69 ± 0.95 years) and resistance training group (RT group, n = 16, age: 15.63 ± 1.15 years). The CT group performed resistance exercises (75%-85% 1RM) paired with plyometric exercises twice weekly for 8 weeks, while the RT group completed traditional resistance training with the same frequency. Pre- and post-intervention assessments included squat jump (SJ), countermovement jump (CMJ), bilateral and unilateral jumps, sprint tests (5 m, 10 m, 15 m, 20 m), hexagon test, modified 505 change of direction (COD) test, on-court COD test, and isometric mid-thigh pull (IMTP). Two-way repeated measures ANOVA was used for statistical analysis (p < 0.05).</p><p><strong>Results: </strong>Significant group × time interactions were observed for SJ, CMJ, unilateral jumps, sprint performance (5 m, 10 m, 20 m), and agility tests (all p < 0.05). The CT group showed greater improvements compared to RT group: SJ (1.83 cm vs. 0.95 cm, Cohen's d = 1.196 vs. 0.642), CMJ (3.64 cm vs. 1.27 cm, Cohen's d = 1.949 vs. 0.681), 5 m sprint (0.18s vs. 0.06s improvement, Cohen's d = 1.889 vs. 0.667), hexagon test (1.29s vs. 0.03s improvement), and COD performance. Both groups significantly improved IMTP with no between-group differences (p > 0.05).</p><p><strong>Conclusion: </strong>An 8-week complex training program elicited significantly greater improvements in lower limb explosive power, sprint acceleration, and multidirectional agility compared to traditional resistance training in adolescent female badminton players. These findings suggest CT is an effective, sport-specific training intervention that capitalizes on the heightened neuromuscular plasticity of adolescent athletes.</p>\",\"PeriodicalId\":12477,\"journal\":{\"name\":\"Frontiers in Physiology\",\"volume\":\"16 \",\"pages\":\"1678866\"},\"PeriodicalIF\":3.2000,\"publicationDate\":\"2025-09-22\",\"publicationTypes\":\"Journal Article\",\"fieldsOfStudy\":null,\"isOpenAccess\":false,\"openAccessPdf\":\"https://www.ncbi.nlm.nih.gov/pmc/articles/PMC12497702/pdf/\",\"citationCount\":\"0\",\"resultStr\":null,\"platform\":\"Semanticscholar\",\"paperid\":null,\"PeriodicalName\":\"Frontiers in Physiology\",\"FirstCategoryId\":\"3\",\"ListUrlMain\":\"https://doi.org/10.3389/fphys.2025.1678866\",\"RegionNum\":3,\"RegionCategory\":\"医学\",\"ArticlePicture\":[],\"TitleCN\":null,\"AbstractTextCN\":null,\"PMCID\":null,\"EPubDate\":\"2025/1/1 0:00:00\",\"PubModel\":\"eCollection\",\"JCR\":\"Q2\",\"JCRName\":\"PHYSIOLOGY\",\"Score\":null,\"Total\":0}","platform":"Semanticscholar","paperid":null,"PeriodicalName":"Frontiers in Physiology","FirstCategoryId":"3","ListUrlMain":"https://doi.org/10.3389/fphys.2025.1678866","RegionNum":3,"RegionCategory":"医学","ArticlePicture":[],"TitleCN":null,"AbstractTextCN":null,"PMCID":null,"EPubDate":"2025/1/1 0:00:00","PubModel":"eCollection","JCR":"Q2","JCRName":"PHYSIOLOGY","Score":null,"Total":0}
引用次数: 0

摘要

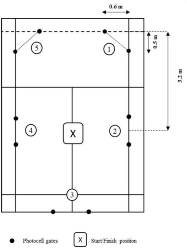
背景:羽毛球需要高强度的下肢爆发力和敏捷性来执行快速弓步、跳跃和方向变化。复合训练(CT)结合高强度阻力训练和增强运动,通过激活后性能增强(PAPE)来增强最大力量和爆发力。然而,关于青少年女子羽毛球运动员CT效应的研究还很有限。目的:探讨8周综合训练对青少年女子羽毛球运动员下肢爆发力和运动敏捷性的影响。方法:将32名青少年女子羽毛球运动员随机分为复合训练组(CT组,n = 16,年龄:15.69±0.95岁)和阻力训练组(RT组,n = 16,年龄:15.63±1.15岁)。CT组进行阻力训练(75%-85% 1RM)配合增强训练,每周2次,持续8周,而RT组则以相同频率完成传统阻力训练。干预前后评估包括深蹲跳(SJ)、反动作跳(CMJ)、双侧和单侧跳、短跑测试(5米、10米、15米、20米)、六角形测试、修正505方向变化(COD)测试、场上COD测试和等距大腿中部牵拉(IMTP)。采用双重复测量方差分析进行统计学分析(p < 0.05)。结果:SJ、CMJ、单侧跳跃、短跑(5米、10米、20米)和敏捷性测试均存在显著的组×时间交互作用(p < 0.05)。CT组较RT组有较大改善:SJ (1.83 cm vs 0.95 cm, Cohen’s d = 1.196 vs 0.642)、CMJ (3.64 cm vs 1.27 cm, Cohen’s d = 1.949 vs 0.681)、5米短跑(0.18s vs 0.06s改善,Cohen’s d = 1.889 vs 0.667)、六边形测试(1.29s vs 0.03s改善)、COD表现。两组患者IMTP均显著改善,组间差异无统计学意义(p < 0.05)。结论:与传统的抗阻训练相比,8周的复杂训练方案能显著提高青少年女性羽毛球运动员的下肢爆发力、冲刺加速度和多向敏捷性。这些发现表明,CT是一种有效的运动专项训练干预手段,可以利用青少年运动员神经肌肉的高度可塑性。
本文章由计算机程序翻译,如有差异,请以英文原文为准。

The effects of an 8-week complex training program on lower limb explosive power and movement agility in adolescent female badminton players.

The effects of an 8-week complex training program on lower limb explosive power and movement agility in adolescent female badminton players.

The effects of an 8-week complex training program on lower limb explosive power and movement agility in adolescent female badminton players.

The effects of an 8-week complex training program on lower limb explosive power and movement agility in adolescent female badminton players.

Background: Badminton requires high-intensity lower limb explosive power and agility for executing rapid lunges, jumps, and directional changes. Complex training (CT) combines heavy resistance exercises with plyometric activities to enhance maximal strength and explosive performance through post-activation performance enhancement (PAPE). However, limited research exists on CT effects in adolescent female badminton players.

Objective: To investigate the effects of an 8-week complex training program on lower limb explosive power and movement agility in adolescent female badminton players.

Methods: Thirty-two adolescent female badminton players were randomly allocated into complex training group (CT group, n = 16, age: 15.69 ± 0.95 years) and resistance training group (RT group, n = 16, age: 15.63 ± 1.15 years). The CT group performed resistance exercises (75%-85% 1RM) paired with plyometric exercises twice weekly for 8 weeks, while the RT group completed traditional resistance training with the same frequency. Pre- and post-intervention assessments included squat jump (SJ), countermovement jump (CMJ), bilateral and unilateral jumps, sprint tests (5 m, 10 m, 15 m, 20 m), hexagon test, modified 505 change of direction (COD) test, on-court COD test, and isometric mid-thigh pull (IMTP). Two-way repeated measures ANOVA was used for statistical analysis (p < 0.05).

Results: Significant group × time interactions were observed for SJ, CMJ, unilateral jumps, sprint performance (5 m, 10 m, 20 m), and agility tests (all p < 0.05). The CT group showed greater improvements compared to RT group: SJ (1.83 cm vs. 0.95 cm, Cohen's d = 1.196 vs. 0.642), CMJ (3.64 cm vs. 1.27 cm, Cohen's d = 1.949 vs. 0.681), 5 m sprint (0.18s vs. 0.06s improvement, Cohen's d = 1.889 vs. 0.667), hexagon test (1.29s vs. 0.03s improvement), and COD performance. Both groups significantly improved IMTP with no between-group differences (p > 0.05).

Conclusion: An 8-week complex training program elicited significantly greater improvements in lower limb explosive power, sprint acceleration, and multidirectional agility compared to traditional resistance training in adolescent female badminton players. These findings suggest CT is an effective, sport-specific training intervention that capitalizes on the heightened neuromuscular plasticity of adolescent athletes.

求助全文
通过发布文献求助,成功后即可免费获取论文全文。 去求助
来源期刊
CiteScore
6.50
自引率
5.00%
发文量
2608
审稿时长
14 weeks
期刊介绍: Frontiers in Physiology is a leading journal in its field, publishing rigorously peer-reviewed research on the physiology of living systems, from the subcellular and molecular domains to the intact organism, and its interaction with the environment. Field Chief Editor George E. Billman at the Ohio State University Columbus is supported by an outstanding Editorial Board of international researchers. This multidisciplinary open-access journal is at the forefront of disseminating and communicating scientific knowledge and impactful discoveries to researchers, academics, clinicians and the public worldwide.
×
引用
GB/T 7714-2015
复制
MLA
复制
APA
复制
导出至
BibTeX EndNote RefMan NoteFirst NoteExpress
×
提示
您的信息不完整,为了账户安全,请先补充。
现在去补充
×
提示
您因"违规操作"
具体请查看互助需知
我知道了
×
提示
确定
请完成安全验证×
copy
已复制链接
快去分享给好友吧!
我知道了
右上角分享
点击右上角分享
0
联系我们:info@booksci.cn Book学术提供免费学术资源搜索服务,方便国内外学者检索中英文文献。致力于提供最便捷和优质的服务体验。 Copyright © 2023 布克学术 All rights reserved.
京ICP备2023020795号-1
ghs 京公网安备 11010802042870号
Book学术文献互助
Book学术文献互助群
群 号:604180095
Book学术官方微信