一种用于ISM波段自主传感的高效无线传感器节点

IF 1.4 4区 工程技术 Q4 COMPUTER SCIENCE, HARDWARE & ARCHITECTURE
Naveed, Jeff Dix
{"title":"一种用于ISM波段自主传感的高效无线传感器节点","authors":"Naveed,&nbsp;Jeff Dix","doi":"10.1007/s10470-025-02497-8","DOIUrl":null,"url":null,"abstract":"<div><p>This paper presents a radio frequency powered wireless sensor node (WSN) implemented in 22-nm FD-SOI technology, designed for autonomous operation in the ISM band. The sensor node harvests energy from a dedicated 915 MHz radio frequency (RF) source and generates a 2.44 GHz carrier signal for data transmission. The proposed design integrates a high-efficiency RF rectifier utilizing ultra-low-power diode-based rectification and SOI MOSFET back-plate connections, enhancing energy conversion efficiency and sensitivity. A nanowatt-level power management unit (PMU) ensures stable operation with minimal power overhead. The wireless transmission module employs a DLL-based XOR frequency synthesizer with an improved duty cycle correction circuit, achieving low-power, high-precision RF carrier generation. Operating at an RF input power sensitivity as low as − 25 dBm, the WSN can function effectively up to 12 m from the power source. Experimental results demonstrate a peak power conversion efficiency (PCE) of 57% at − 14 dBm and 28% at − 25 dBm, with a maximum input tolerance of 0 dBm to prevent device breakdown. Using On–Off Keying (OOK) modulation, the transmitter outputs − 3.8 dBm power with 55% power efficiency via a switching power amplifier. The synthesizer and power amplifier consume 160 µW and 500 µW, respectively. Occupying a 0.17 mm<sup>2</sup> active die area, this design offers an area-efficient, sustainable, and cost-effective solution for diverse remote sensing applications.</p></div>","PeriodicalId":7827,"journal":{"name":"Analog Integrated Circuits and Signal Processing","volume":"125 1","pages":""},"PeriodicalIF":1.4000,"publicationDate":"2025-09-08","publicationTypes":"Journal Article","fieldsOfStudy":null,"isOpenAccess":false,"openAccessPdf":"","citationCount":"0","resultStr":"{\"title\":\"An efficient wireless sensor node for autonomous sensing in the ISM band\",\"authors\":\"Naveed,&nbsp;Jeff Dix\",\"doi\":\"10.1007/s10470-025-02497-8\",\"DOIUrl\":null,\"url\":null,\"abstract\":\"<div><p>This paper presents a radio frequency powered wireless sensor node (WSN) implemented in 22-nm FD-SOI technology, designed for autonomous operation in the ISM band. The sensor node harvests energy from a dedicated 915 MHz radio frequency (RF) source and generates a 2.44 GHz carrier signal for data transmission. The proposed design integrates a high-efficiency RF rectifier utilizing ultra-low-power diode-based rectification and SOI MOSFET back-plate connections, enhancing energy conversion efficiency and sensitivity. A nanowatt-level power management unit (PMU) ensures stable operation with minimal power overhead. The wireless transmission module employs a DLL-based XOR frequency synthesizer with an improved duty cycle correction circuit, achieving low-power, high-precision RF carrier generation. Operating at an RF input power sensitivity as low as − 25 dBm, the WSN can function effectively up to 12 m from the power source. Experimental results demonstrate a peak power conversion efficiency (PCE) of 57% at − 14 dBm and 28% at − 25 dBm, with a maximum input tolerance of 0 dBm to prevent device breakdown. Using On–Off Keying (OOK) modulation, the transmitter outputs − 3.8 dBm power with 55% power efficiency via a switching power amplifier. The synthesizer and power amplifier consume 160 µW and 500 µW, respectively. Occupying a 0.17 mm<sup>2</sup> active die area, this design offers an area-efficient, sustainable, and cost-effective solution for diverse remote sensing applications.</p></div>\",\"PeriodicalId\":7827,\"journal\":{\"name\":\"Analog Integrated Circuits and Signal Processing\",\"volume\":\"125 1\",\"pages\":\"\"},\"PeriodicalIF\":1.4000,\"publicationDate\":\"2025-09-08\",\"publicationTypes\":\"Journal Article\",\"fieldsOfStudy\":null,\"isOpenAccess\":false,\"openAccessPdf\":\"\",\"citationCount\":\"0\",\"resultStr\":null,\"platform\":\"Semanticscholar\",\"paperid\":null,\"PeriodicalName\":\"Analog Integrated Circuits and Signal Processing\",\"FirstCategoryId\":\"5\",\"ListUrlMain\":\"https://link.springer.com/article/10.1007/s10470-025-02497-8\",\"RegionNum\":4,\"RegionCategory\":\"工程技术\",\"ArticlePicture\":[],\"TitleCN\":null,\"AbstractTextCN\":null,\"PMCID\":null,\"EPubDate\":\"\",\"PubModel\":\"\",\"JCR\":\"Q4\",\"JCRName\":\"COMPUTER SCIENCE, HARDWARE & ARCHITECTURE\",\"Score\":null,\"Total\":0}","platform":"Semanticscholar","paperid":null,"PeriodicalName":"Analog Integrated Circuits and Signal Processing","FirstCategoryId":"5","ListUrlMain":"https://link.springer.com/article/10.1007/s10470-025-02497-8","RegionNum":4,"RegionCategory":"工程技术","ArticlePicture":[],"TitleCN":null,"AbstractTextCN":null,"PMCID":null,"EPubDate":"","PubModel":"","JCR":"Q4","JCRName":"COMPUTER SCIENCE, HARDWARE & ARCHITECTURE","Score":null,"Total":0}
引用次数: 0

摘要

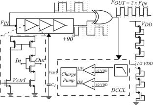
本文提出了一种采用22nm FD-SOI技术实现的射频供电无线传感器节点(WSN),设计用于ISM频段的自主运行。传感器节点从专用的915 MHz射频(RF)源获取能量,并产生2.44 GHz载波信号用于数据传输。该设计集成了一个高效射频整流器,利用超低功率二极管整流和SOI MOSFET背板连接,提高了能量转换效率和灵敏度。纳瓦级电源管理单元(PMU)确保以最小的功率开销稳定运行。无线传输模块采用基于dll的XOR频率合成器和改进的占空比校正电路,实现低功耗、高精度射频载波生成。在低至- 25 dBm的射频输入功率灵敏度下工作,WSN可以在距离电源12米的范围内有效工作。实验结果表明,峰值功率转换效率(PCE)在- 14 dBm时为57%,在- 25 dBm时为28%,最大输入容差为0 dBm,以防止器件击穿。采用开关键控(OOK)调制,发射器通过开关功率放大器输出- 3.8 dBm功率,功率效率为55%。合成器和功率放大器的功耗分别为160µW和500µW。该设计占地0.17 mm2的有源芯片面积,为各种遥感应用提供了面积高效,可持续和经济的解决方案。
本文章由计算机程序翻译,如有差异,请以英文原文为准。

An efficient wireless sensor node for autonomous sensing in the ISM band

An efficient wireless sensor node for autonomous sensing in the ISM band

An efficient wireless sensor node for autonomous sensing in the ISM band

This paper presents a radio frequency powered wireless sensor node (WSN) implemented in 22-nm FD-SOI technology, designed for autonomous operation in the ISM band. The sensor node harvests energy from a dedicated 915 MHz radio frequency (RF) source and generates a 2.44 GHz carrier signal for data transmission. The proposed design integrates a high-efficiency RF rectifier utilizing ultra-low-power diode-based rectification and SOI MOSFET back-plate connections, enhancing energy conversion efficiency and sensitivity. A nanowatt-level power management unit (PMU) ensures stable operation with minimal power overhead. The wireless transmission module employs a DLL-based XOR frequency synthesizer with an improved duty cycle correction circuit, achieving low-power, high-precision RF carrier generation. Operating at an RF input power sensitivity as low as − 25 dBm, the WSN can function effectively up to 12 m from the power source. Experimental results demonstrate a peak power conversion efficiency (PCE) of 57% at − 14 dBm and 28% at − 25 dBm, with a maximum input tolerance of 0 dBm to prevent device breakdown. Using On–Off Keying (OOK) modulation, the transmitter outputs − 3.8 dBm power with 55% power efficiency via a switching power amplifier. The synthesizer and power amplifier consume 160 µW and 500 µW, respectively. Occupying a 0.17 mm2 active die area, this design offers an area-efficient, sustainable, and cost-effective solution for diverse remote sensing applications.

求助全文
通过发布文献求助,成功后即可免费获取论文全文。 去求助
来源期刊
Analog Integrated Circuits and Signal Processing
Analog Integrated Circuits and Signal Processing 工程技术-工程:电子与电气
CiteScore
0.30
自引率
7.10%
发文量
141
审稿时长
7.3 months
期刊介绍: Analog Integrated Circuits and Signal Processing is an archival peer reviewed journal dedicated to the design and application of analog, radio frequency (RF), and mixed signal integrated circuits (ICs) as well as signal processing circuits and systems. It features both new research results and tutorial views and reflects the large volume of cutting-edge research activity in the worldwide field today. A partial list of topics includes analog and mixed signal interface circuits and systems; analog and RFIC design; data converters; active-RC, switched-capacitor, and continuous-time integrated filters; mixed analog/digital VLSI systems; wireless radio transceivers; clock and data recovery circuits; and high speed optoelectronic circuits and systems.
×
引用
GB/T 7714-2015
复制
MLA
复制
APA
复制
导出至
BibTeX EndNote RefMan NoteFirst NoteExpress
×
提示
您的信息不完整,为了账户安全,请先补充。
现在去补充
×
提示
您因"违规操作"
具体请查看互助需知
我知道了
×
提示
确定
请完成安全验证×
copy
已复制链接
快去分享给好友吧!
我知道了
右上角分享
点击右上角分享
0
联系我们:info@booksci.cn Book学术提供免费学术资源搜索服务,方便国内外学者检索中英文文献。致力于提供最便捷和优质的服务体验。 Copyright © 2023 布克学术 All rights reserved.
京ICP备2023020795号-1
ghs 京公网安备 11010802042870号
Book学术文献互助
Book学术文献互助群
群 号:604180095
Book学术官方微信